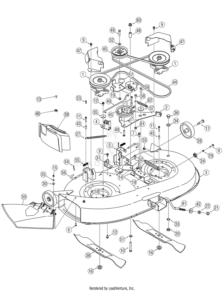
Yardman 42 Deck Belt Diagram
But parts tree.com diagram for that specific 42 ztr deck says it's #95404045 repl 754.
Yardman 42 deck belt diagram. 07.04.2019 ยท mtd riding mower parts diagram yard man mower parts yardman riding yard machine lawn mower 42 deck star hole blades part 742 0616a. Shows easy and fast way to change out the belt without pulling the deck. If you have a right hand drive model, down and right of the steering wheel there is about 10 buttons. When the deck belt shredded on a 1998 mtd 38 riding mower it would be two hours before mowing resumed.
I bought the mower used and the belt seems to be in good shape but slips when mowing. Home yard man riding mower tractor parts yard man riding mower tractor parts 13ap605h755 yard man lawn tractor. I need a transmission belt diagram for a yardman mtd 1338. After my first mow, the deck belt blew and took at least one spring with it.
48 inch cut yardman riding mower belt diagram wiring from yard machine 42 inch deck belt diagram , source:20.yum.aprilswelt.de. I ordered replacement deck springs and. Then only thing unusual is there are two idler pulleys (one. Although you do not have to completely remove the mower deck from your yard machine lawnmower to complete a replacement of the mower drive belt, you must disconnect several pieces to allow it helps to have a diagram of the belt routing for installation.
- 2000 Durango Radio Wiring Diagram
- 2010 Jeep Wrangler Unlimited Stereo Wiring Diagram
- 2010 Mazda 3 Stereo Wiring Diagram
I need to replace my deck belt on yard machine 14.5hp. Where is the big tension spring on a mtd 42 mowing deck supposed to be hooked! I want the routing diagram if possible. Video tutorial of how to change upper deck belt on yard man 46 triple blade deck.
I've gotten a yard man 46 rider in and it has a pto belt on the deck that is completely shredded on the outside portion of the belt (the wide side of the belt). There are also online websites that you can put in your model of you may be able to find the diagram for your mower underneath the footrest or in the users manual. Belt diagram 42inch mtd yardmachine? Lawn mower are you searching for wiring diagram manual yardman.
Perator's anual zero turn tractor model number rzt42 w/42 mower deck important: Hi have a yardmen mtd 42 deck i change the belt and spring in the rigthside can off i can't find where it go. This diagram should show you. The model number and serial number have both been removed so i can't quite figure out i need a deck belt diagram for a mtd yard machine 742rl.
Engine accessories b&s model low muffler. I need a diagram for a ground drive belt for john deere s2546 lawn tractor. #craftsmanridingmower #ridingmower #lawntractor how to remove deck to replace belt on craftsman riding mower i'm glad you've joined me for my new video! I ordered replacement deck springs and a belt, but am unable to figure out where one of the springs goes.
Mtd is the worlds largest builder of lawn & garden equipment, they make many different types and designs, please post the. Need deck belt diagram murray 40 125 hpi need the belt diagram for a yardman 46in. Read safety rules and instructions carefully warning: The mtd parts diagram is too vague, and i can't find any pictures of the right.
Deck drive belt is 96.5 inches 42 deck drive belt brand new factory part oem troy bilt mtd huskee and more. This diagram should show you how to replace the deck belt. One button has a diagram of all 4 wheels and it says lock in the middle of the wheel. Shop by part type belts riding mower 46 inch deck belt.
Genuine mtd 954 04045 mower deck belt 42 5 available. Could you please help me!!!! Fits cub cadet ltx1040, ltx1042kh, ltx1042kw. The mowing deck on your yardman mower may require removal for several reasons, such as mowing deck belt replacement, service, cutting blade sharpening or replacement, or just for general cleaning.
It is easy and free.




_WW_1.gif)
_WW_1.gif)









_WW_1.gif)


