Wiring Diagram For 2003 Dodge Ram 1500
Don't waste your time hunting all over for parts for your dodge ram.
Wiring diagram for 2003 dodge ram 1500. 25.09.2019 · 2002 dodge ram 1500 trailer wiring harness free download wiring 2003 dodge ram fuse box for sale wiring diagram mega a set of wiring diagrams may be required by the electrical inspection authority to take on membership of the habitat to the public electrical supply system. Help i need a wiring diagram or schematic for a 1999 dodge ram 1500. It is not in the factory repair manual. Always verify all wires, wire colors and diagrams before applying if you have any questions pertaining to the audio system in the 2002 dodge ram 1500, please feel free to post it at the bottom of this page and either we'll do our best to.
I have a 2012 dodge ram 1500 check engine light is on took it to autozine and got 3 error codes all were p1457 fuel tank pressure sensor circuit high what causes i need a diagram for a 2004 dodge ram 1500 hemi 5.7 engine wire harness diagram the truck is a 4x2 2door 26gals truck… read more. With many dodge ram options out there, the 1500 is a smaller version than the 2500 but still packs power for those that since there are so many extras and features found in the dodge ram 1500, the use of the dodge ram 1500 service. Summary of contents for dodge ram 1500 series. Needing to rewire a harness for the rear lights of my 2003 dodge ram.
As a result, we provide an extensive selection of high quality dodge ram repair parts manufactured to restore your vehicle to like new condition at. The vehicles with the most documents are the ram, charger and. Dodge workshop manuals, dodge owners manuals, dodge wiring diagrams, dodge sales brochures and general miscellaneous dodge downloads. Intermiate ticking noise coming from the bell housing area.
Whether it's for scheduled maintenance or a repair job, we have what you need. All pages are is great to have2003 dodge ram truck service repair workshop manual. 2003 dodge ram 1500 workshop service repair manual. 2006 dodge ram 1500 4.7l v8 tipm fuse box issue.
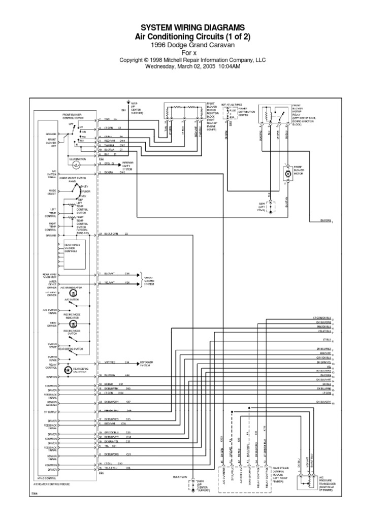
2003 dodge ram 1500 specs & performance. 1996 dodge ram 1500 headlight wiring diagram. Where can i find wiring diagram for dodge motor home 1978 or a 2004 admiral motor home? Figure documents similar to dodge ram 5.9 2004 wiring diagram.pdf.
Do you have the tail light wiring diagram for a 2002 dodge ram 1500? Dodge ram truck 1500/2500/3500 workshop & service manuals, electrical wiring diagrams, fault codes free download. Please accept this solution and revert for any clarifications. Ase certified automotive parts specialist ;
2004 dodge ram 1500 dodge ram 3500 dodge dakota benjamin moore paint ram trucks best graphics repair manuals web design wire. Use of the dodge ram 1500 wiring information is at your own risk. Find 2003 dodge ram 1500 listings near you. Locate the factory wiring harness and antenna plug in the dash and make all necessary connections to the radio.
Have a 2005 dodge ram1500 5.7 having issues with it shutting off when running over a manhole cover and we went and got schematics or diagrams to cover where wire should go and we got a kit for an where is the a/c relay module located on my 2006 dodge ram 1500 mega cab 5.7 4 answers. Metra recommends using the proper mating adapter from metra or axxess. It is important to select your exact vehicle year as wiring inside the. Our dodge automotive repair manuals are split into five broad categories;
Fuel vaporizer how to change out on a 2003 dodgeram 1500. Need a wiring chart for a 2005 dodge ram i believe so i can successfully splice the wires. Ram 1500 series automobile pdf manual download. How do i change the oil sending unit in 2004 dodge ram 1500.
On the bulkhead connector under the dash theres a wire burnt into it is brown with a yellow stripe i need to know what that wire is for and how to get to the fuse block behind. Commando car alarms offers free wiring diagrams for your dodge ram. It is a very basic diagram and leaves a lot to be desired. Quad cab slt 4wd specifications and pricing.
2003 dodge ram 2500 starter relay, starter fuses & ignition switch wiring explained. Who dat nation i have found a site that has most of the vehicles on the road today, all makes & models by year, worth book marking car stereo wiring diagrams * car. Dodge ram truck 2003 factory service manuals. Automobile dodge 1997 neon wiring diagrams owner's manual.


















