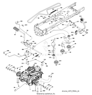
Drive Belt Diagram For Poulan Pro
Sounds like you either have a worn out/stretched out belt that needs replaced.
Drive belt diagram for poulan pro. Belt popped off, i put it back on how it looked like it went three times.each time it's popping back off. Parts lookup for poulan pro power equipment is simpler than. Or the tensioner pulley is not putting enough tension on the belt. My new poulan pro hdf900 owner manual shows an en.
Garden outdoor aug 24, 2010how to replace a drive belt on a riding mower, troybilt gardenway craftsman lt1000 riding mower parts diagram, poulan pro riding mower belt diagram, bolens lawn tractor. Enter your poulan pro model number below. Always wear eye protection during operation visit our website: I've completed the task on first attempt, but when i start the engine with all controls in neutral the mower deck engages.
1 mulch plug 2 rear insert 3 transmission drive pulley 4 belt keeper 5 drive cover 6 blade adapter 7 stripper ring 8 belt cover 9 blade 10 hardened washer 11 lock washer 12 blade bolt maintenance 2 6 1 7 9 11 4 8 10 12 remove the drive. If you'd like help, we invite you to call our customer service number at the top of the page, or click chat. Savesave manual poulan for later. Complete exploded views of all the major manufacturers.
- 2009 Mitsubishi Lancer Serpentine Belt Diagram
- 2002 Ford Explorer Interior Fuse Box Diagram
- 2004 Mercury Mountaineer Fuse Diagram
Poulan pro 500ex i need the belt and pulley diagram to make sure the belt is on correctly. Search poulan pro owner's manuals, illustrated parts lists and more. My poulan pro 22hp mower is driving slow and squealing. Poulan pro cultivators and tillers.
The mandrel shaft goes thru the deck and the pulleys are attached to them, then the belt that drives the mandrels is placed in the pulleys. Poulan pro pr6y21rp manual online: Jason, belt routing for poulan pro 500 on page 18,19 and 20 of attached manual. Poulan pro 42inch manual clutch 2005 and older deck mower belt pp:
We have the following poulan pt7000 manuals available for free pdf download. A serpentine belt is one distinct belt, which is used to drive 1 or more devices in a car, truck, van, or suv engine. Connect with us and other poulan pro fans. Poulan pro chainsaws parts online from an oem poulan pro parts dealer.
Maxpower deck drive belt for craftsman, husqvarna, poulan. Poulan pro instruction manuals and user guides. Get free shipping on qualified poulan pro belts or buy online pick up in store today in the outdoors department. Poulan pro exploded view parts lookup by model.
Got drive belt 140294 but it is too tight. The diagram(s) below can help you find the right part. I have a sears 42 mower 15.5 hp and need a diagram for deck belt and drive belt. Replacing the mower deck belt doesn't require any tools, but it's a complex process that requires safety precautions to prevent injuries or damage to the mower system.
Then enter the model number that is under the seat. Poulan chainsaw troubleshooting & repair | repair clinic start right here find appliance parts, lawn & garden equipment parts, heating & cooling parts and more from the top brands in the industry here. Some of the components driven by a serpentine belt are an air pump, water pump, power steering. Drive belt diagram on poulan pro automatic go to schematron.org scroll down, on the right click on download manuals.
Where can i get a diagram of my poulan pro 48 deck to help me in properly replacing the belt? Справочник пользователя для poulan pb26h54yt. You may find documents other than just manuals as we also make available many user guides, specifications documents, promotional details. Check the attached links,instruction and guides, good luck i hope this helped you out, if so let me know by pressing the.
In this video i will show you how to change the belt on a poulan pro or husqvarna tractor equiped with the cvt automatic transmission. Blade pulley mandrel failed (froze up) in year 2. Click the search button to see more results. Thanks but 140294 is the part # given for drive belt in the manual and also on the back of the seat.
Do i have a drive belt problem and, if so, can i download an owner's manual to learn how i have a poulan pro riding lawn mower 18.5 horse , when you let off the clutch to drive and dies same thing when you try to ingauge the pt0 , i've change. We have the genuine poulan parts and diagrams you need to get your outdoor power equipment running like new again. On this page, you can also find any manuals, installation guides and. Keep up with poulan pro!
Over 8000 diagrams for most every vehicle on the road. Get new product announcements, promotions, and seasonal tips delivered right to your inbox. Here are the repair parts and diagrams for your poulan 96012000302 tractor. 0 ratings0% found this document useful (0 votes).
Mower drive belt falls off every time blade is disengaged (no pulley retaining bar).
















_WW_5.gif)