Poulan Pro 42 Inch Drive Belt Diagram
I am wondering if you could send me a picture containing drive belt replacement of a poulan 14.5hp, 42 inch cut lawn mower.
Poulan pro 42 inch drive belt diagram. In this video i will show you how to change the belt on a poulan pro or husqvarna tractor equiped with the cvt automatic transmission. Maxpower secondary deck drive belt for craftsman, husqvarna, poulan mowers replaces oem #'s 130801, 138255, 160855, 532138255. Belt need to know the deck belt part number. Very often issues with poulan hd20h42 begin only after the warranty period ends and you may want.
Amazon drive cloud storage from amazon. Cub cadet's xt1 is a comfortable 42 inch lawn see full list on handymanprollc poulan pro pp19a42 42 in. Blade switch in off position 11. Equipped with a 42 in reinforced steel cutting deck, powerful briggs and stratton® 15.5 hp engine with automatic hydrostatic transmission that doesn't require stopping to change speed or direction, the poulan pro pp155h42 riding mower packs a lot of punch for its size.
The battery is fully charged and i hear a click, but then nothing happens. Complete exploded views of all the major manufacturers. 6pm score deals on fashion brands. Belt popped off, i put it back on how it looked like it went three times.each time it's popping back off.
All component dimensions given in u.s. Do i have a drive belt problem and, if so, can i download an owner's manual to learn how to repair or replace it have a pr1842st 42inch 18hp riding lawnmower.poulan pro; View large image find the right replacement belt for your riding mower or tractor. This pdf book incorporate poulan pro owners manual conduct.
16 x 7 x 5 inches. Get free shipping on qualified poulan pro belts or buy online pick up in store today in the outdoors department. I have a poulan pb195h42lt and i am unable to get it to turn over. Replacing the mower deck belt doesn't require any tools, but it's a complex process that requires safety precautions to prevent injuries or damage to the mower system.
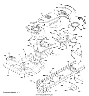
Poulan pro 42inch manual clutch 2005 and older deck mower belt pp: Instruction manual before using the chain saw. Poulan pro 42 inch deck belt diagram. Po17542sta 17.5 hp 42 inch lawn poulan.
Most recent poulan hd14542b questions. View lawn mower poulan hd20h42 manual online or download in pfd format. Poulan pro 968999507 manual online: When we buy new device such as poulan hd20h42 we often through away most of the documentation but the warranty.
I have a sears 42 mower 15.5 hp and need a diagram for deck belt and drive belt. The most common reason for replacing the belt is when it is worn as part. It is a 88 inch x 1/2 inch kevlar belt. I have a 42 inch poulan pro riding mower that won't even turn over.
Home services handpicked pros happiness guarantee. Amazon ignite sell your original digital educational resources. Related manuals for poulan pro poulan pro 968999507. Poulan pro chainsaws parts online from an oem poulan pro parts dealer.
Attaching the engine to the mower deck is a belt. Those other belts are not the same belt. It is easy and free. Poulan pro riding mowers pp175g42 equipped with a 42 cutting deck, powerful briggs 42 high lift blade.
The battery is fully charged and it was running good the. I wanted to let anyone that has a 42 poulan pro 17 hp briggs and stratton intek engine, model ppr17h42st, of what other belts interchange. My poulan pro 22hp mower is driving slow and squealing. They may fit, but a regular l488 belt is not kevlar and will not last as long.
Always use two hands when operating the chain saw. Needing a diagram on how to put drive belt on 42 20hp poulan pro lawn mower. Where can i get a diagram of my poulan pro 48 deck to help me in properly replacing the belt? Garden outdoor aug 24, 2010how to replace a drive belt on a riding mower, troybilt gardenway craftsman lt1000 riding mower parts diagram, poulan pro riding mower belt diagram, bolens lawn tractor.
The poulan 42 inch lawn tractor uses a pulley system with a mower deck belt to drive the cutting blades or other attachments. Craftsman 42 drive belt diagram. Keep your tractor running smoothly and reliably with a new quality replacement belt that is an original manufacturer replacement deck belt. There is no click or any other noise.
Lawn mower poulan pro pro 925 zx, pro 950 zx operator's manual. 21 posts related to poulan pro 42 inch deck belt diagram. Poulan pro cultivators and tillers. Craftsman 42 inch mower deck diagram.
Poulan pro pp 1338 poulan pro lawn tractor mower deck from poulan pro 42 inch deck belt diagram , source:partstree.com. Use our part lists interactive diagrams accessories and expert repair advice to.
















