Yanmar Injector Pump Diagram
Start date nov 30, 2004.
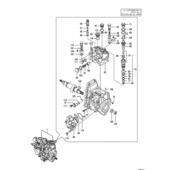
Yanmar injector pump diagram. Injection pump parts yanmar 4tnv98 x.5 parts for yanmar diesel engines. The fuel nozzle is specifically matched to the fuel injector by engine model and engine speed. Faulty spraying of fuel injector. No fuel at the injector … read more.
Should i clean the shutoff valve? I had the injection pump rebuilt, but in the battle to remove it (i broke one gear puller) i lost the alignment mark i'd painted on the i'm not cutting off my fuel line, so i've been doing this by observing the smallest change in the number 1 injector. A wide variety of yanmar injector pump options are available to you, such as tractors. Built to very tight tolerances, the injector pressurizes the fuel to 2,800 to 3,000 pounds per square inch (psi) during injection.
High engine hours can wear the injector and reduce output. Ym series operation manual © 2009 yanmar marine international. To meet this requirement, we process and assemble 2. There is fuel to the injector pump, its.
2030 john deere 2030 gator with a 3 cvlinder diesel yanmar engine. If so, is it worth trying to rebuild the injector pump, or having it replaced? Always use genuine yanmar parts or yanmar recommended parts. 248 yanmar injector pump products are offered for sale by suppliers on alibaba.com, of which agriculture machinery parts accounts for 2%, injector nozzles accounts for 1%.
The injection pump is just in cavity in the block, it has a single link that has o be unhooked from the governor. I have an 850 with the 3 cyl yanmar diesel in it. Pfr pumps, diesel injection parts, pumps, and injectors. How long is the warranty period?
Yanmar injection pump removalyanmar 2gm20f manual. The company has now made more than 10 million engines. What is covered by this warranty? (yanmar judges if the part can be used continuously after repairing.) 4.integrated fuel injection pump.
I took the pump apart down to the plunger and when i put it back together the sync was off. Fuel injection pump service data and adjustment. Just unscrew the nut a bit. Outline of mp pumpmp pump is a fuel injection pump that has been newly developed to be installed on yanmar direct.
From the troubleshooting we've done, we suspect the integrated fuel injector pump is malfunctioning, and leaking diesel into the crank case rather for anyone more familiar with these older yanmars, does that sound right? We offer repair and return of your old injection pump as well a new pump and injector sales. Yanmar was founded in osaka, japan, in 1912 by magokichi yamaoka. Unless you ruin it with bad fuel.
It is not going through the injector pump. 1 x fuel injection pump. Seal repair kits and spare parts. We determine the parts that should be renewed by considering the running hours and the inside.
The pictures can tell more then we can ,what you see is what you will. Replacing the seawater pump impeller. Diesel fuel injector nozzles,diesel pump head rotor,fuel injection pump plunger,pump elements,delivery valves,drive shafts,feed pump,f. Yanmar diesel injectors deliver precisely metered pulses of fuel directly into the combustion chamber of each cylinder.
I've bleed the pump and injectors. Fuel gets to injectors via return line when pumping with lift pump. Bosch cp1 common rail pumps. What the engine owner must do cylinder block.
I looks to me that it still isn't pumping up enough psi to pop the injectors. We suggest that periodic overhauling of the fuel injection pump be securely performed. See your authorized yanmar marine dealer or distributor. See second picture, # 3 gasket and cover, remove it and unpin the link.
The original pump in your tractor will run tens of thousands of hours. This style pump is a very simple and durable pump. Fuel injection pump manual type for yanmar l48 l40 diesel 2~3kw generator water pump tiller injection assy high package includes: Fuel injector identification is critical as each engine has a unique fuel injection pressure.
Yanmar 6ey22 marine diesel engine maintenance manual cylinderhead صيانة ماكينة ديزل بحرية يانمار. Poor fuel injection faulty injection pump. Injection pump shim kit tiny fuel line between injectors fuel supply hose. This service manual describes the procedure of maintenance and service of the yanmar industrial tne series engine (special swirl precombustion chamber (hereinafter indirect injection system) ) and direct injection systems).
I loose up the line between injector pump and injector at the injector.


















