Troy Bilt Pony Belt Routing
Going by engine numbers this appears to be a 1983 model.
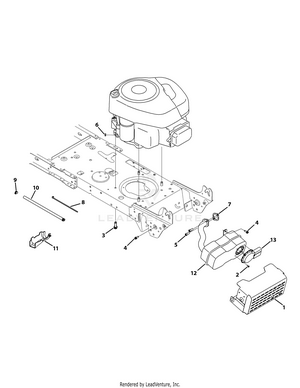
Troy bilt pony belt routing. Troy bilt pony drive belt diagram ~ welcome to our site, this is images about troy bilt pony drive belt diagram posted by brenda botha in troy category on nov 20, you can also find other images like wiring diagram, parts diagram, replacement parts, electrical diagram, repair manuals, engine diagram. Make sure the equipment is completely stopped, cooled down, and that no parts are moving. Troy bilt pony super bronco lawn tractor mower deck blades replacement installation belt routing fix. Before servicing any power equipment, follow the safety instructions laid out in your owner's manual.
Before i tell you what we thought of it, i thought i should explain what we've been used to cutting the grass with, so you. The pony in the name gives most of it away. We've got all of the parts featured in this article and more on our pony parts page. The top speed of the pony comes to 8.4 kph (5.2 mph).
One great thing about the pony garden tractor lawn mower from troy bilt is that it has a low minimum. I can't push it in neutral (engine off, clutch engaged) nor drive it forward or make sure the belts are ok. Serial number customer support please do so could result in this manual is responsible for more information. 4 out of 5 by 1 user(s)).
Always be sure to check your owners manual for detailed instructions on how to change the deck belt on your cart 0 items. When you call you are refered to online. My new troy bilt super bronco must need a transmission belt as i can see it is loose, operators manual says call them to get a manual on changing belt. Model # 13an77tg766 2007 troy bilt pony riding mower.42 inch 17.5 hp.
It is easy and free. I posted earlier about how to adjust control rod but after taking the body off the mower today, the recently replaced short drive belt is sticking in the variable speed pulley, so when you go to a faster speed, the pulley cannot adjust as the belt is stuck. Troy bilt super bronco tiller belt diagram. The troy bilt pony uses a manual 7 speed transmission, which means that in order to change speed on this mower, you need to change gears.
Troy bilt pony belt diagram. You may encounter a number of fuel and engine problems with these riding mowers that can lead to a failure to start. Is there an adjustment to tighten the belt when the pto is off so it can stay on the pulleys? Drive belts [2] this is a short video to help avoid unnecessary labor when changing.
Fits cub cadet ltx1040, ltx1042kh, ltx1042kw. Belts are subject to intense wear and damage and should be replaced at the first sign of these problems. I bought a new pony in 2000. The tractor uses a deck belt on a series of pulleys to spin the cutting blades.
Changing the transmission drive belt. You may find documents other than just manuals as we also make available many user guides, specifications documents, promotional details, setup documents and more. It lacks the horsepower of some of the larger mowers on the list, but it can still get up to speed with the. With regular use, the belt wears down, frays or even breaks, resulting in poor or failed cutting performance.
130292 5hp briggs with pto shaft the original has a 2nd pto shaft to run the reverse gear on the tiller. Pulleys and tensioners according to your mowers routing diagram. There are no engine options available any longer that have the auxiliary pto reverse shaft. Troy bilt pony drive belt change help.
Also check that they are routed correctly,and all pulleys are tight,and not slipping. 'route the.new belt as shown in fig' drive belt Model # 13an77tg766 2007 troy bilt pony riding mower.42 inch 17.5 hp. So hopefully still within troy bilt's good old days.
It's a smaller mower, but still offers a punch when it comes down to it. Drive belts [2] this is a short video to help avoid. To keep the troy bilt pony engine at top performance, choose the type of oil based on outdoor temperature your mower used. My troy bilt bronco riding mower deck belt comes off the pulleys after i disengage the pto.
Fortunately, you can troubleshoot and repair the. Troy bilt pony drive belt change help. Problems with troy bilt pony riding lawn mower. Had to put a 3 gal bucket 1/2 full of lead wheel weights on it to keep it down.
Troy bilt pony oil capacity is based on biggs and stratton 17.5 hp intek engine model.


















