Poulan Woodshark Fuel Line Diagram
We have the poulan fuel line you need with fast shipping and low prices.
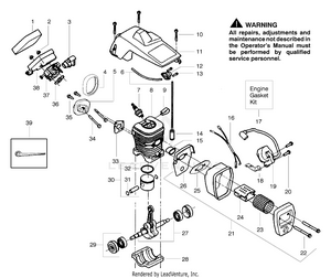
Poulan woodshark fuel line diagram. If you do not see the poulan parts you need, please complete the lawn mower parts request form and we will be. There is a large o.… read more. The carburetor mixes fuel with the proper amount of air, and sprays the mixture into the combustion chamber where the spark from the spark plug ignites it to drive the engine piston and, ultimately, the. Milttor fuel lines with fuel filter & primer bulb for tygon craftsman poulan chainsaw.
The filter will attach to the end of the small poulan pro blower user manual. And they all use the 545081885 carburetor. I looked at all of the parts diagrams for the poulan 2150. Need diagram of fuel lines from tank to primer bulb and carburator on a poland chainsaw model 1950 wood shark.
Poulan & craftsman chainsaw fuel lines. Poulan woodshark model 1950 sep 01, 2020 · amazon: Poulan chainsaw fuel lines and carburetor repair replacing fuel line on poulan chainsaw 2055le craftsman chainsaw carburator tuning/adjusting for maximum preformance how to replace the oiler assembly on a chainsaw poulan wont restart after being used & how i solved my problem. Savior 530037793 air filter 530095646 fuel filter spark plug 530047721 primer bulb 6616 6617 fuel lines repair kits for poulan craftsman chainsaws trimmers brush cutter blower.
- 2002 Jetta Monsoon Radio Wiring Diagram
- 2002 Buick Rendezvous Brake Line Diagram
- 2004 Silverado Radio Wiring Harness Diagram
Multiple engine, drive system and cutting deck choices will ensure you are able to manage any yard, any task. New primer bulb & gas /fuel line poulan predator,1900 woodshark craftsman. We have a large selection of poulan illustrated parts diagrams to cover your poulan lookup needs. Could you tell me or send me the diagram for routing.
I just installed a new carburetor on a poulan # 2175 and it will not run after the start up with the fuel bulb. And before you say it i know there a quote unquote throw away saw. Enter your poulan fuel system part number below Ask us about the poulan 530069247 fuel line.
The old fuel lines have gone rotten and i dont know how to connect the new ones i thought the new lines would have a diagram for routing they don't. You will have one line from the fuel tank connecting to primer bulb the 2nd line going to the carb. Understandably, you would be facing a dead end trying to find an owners manual for that one (though. Poulan woodshark 1950 gas to oil ratio.
When replacing the carb i noticed the fuel line had become brittle so i replaced that also. Your q&a may be posted to jackssmallengines.com to help other shoppers, like you, with their purchasing decisions. 688 results for poulan fuel line. But the thing is she gave me the saw and wants me to get it fixed and keep.
Which tells you two things — first, that i really really like this lightweight compact little. Poulan illustrated parts diagrams available online and ready to ship direct to your door. .of wiring fuel line chainsaw dealers lawn mower riding saw. Chainsaw wont start 10 years in storage poulan woodshark diy repair.
I'm on my third poulan woodshark chain saw. Where are the fuel lines present on a poulan 2150 chainsaw? I also replaced the air filter, spark plug and fuel filter. I have a little poulan woodshark chainsaw that was given to me by my mother in law 2 years ago.
Poulan pro lawn mowers are efficient, lightweight and hardworking. Poulan woodshark model 1950uaus 2pcs primer bulbs for poulan chainsaw 1975le 2025 2050 2055 2050air filter fuel filter fuel line primer bulb spark plugtune up maintenance kit for poulan woodsharsee a full. How do you replace the fuel lines on a poulan chainsaw mod. Poulan pro p3314 instruction manual.
All together i spent about $160 for the four cords of wood, and since the saw is still running fine, the cost for the next four cords will be fuel and $25 for a new chain. Can someone provide me with a diagram of the poulan fuel lines. Poulan 2075 chainsaw fuel line diagram xlr to 1 4. Guessing that small line goes from fuel filter thru small fuel tank hole to carb nipple.
View and download poulan pro p3314 instruction manual online. So it is the correct one. I have a chainsaw that has the lines stripped out and i need to rebuild it. Parts poulan repair manual pdf,poulan chainsaw parts manual p3314 australia how to replace a sprocket on,poulan pro chainsaw parts diagram.
Diagram fuel lines tank primer carbutor poulan pro i have no diagram but here are the instructions on how it goes.














