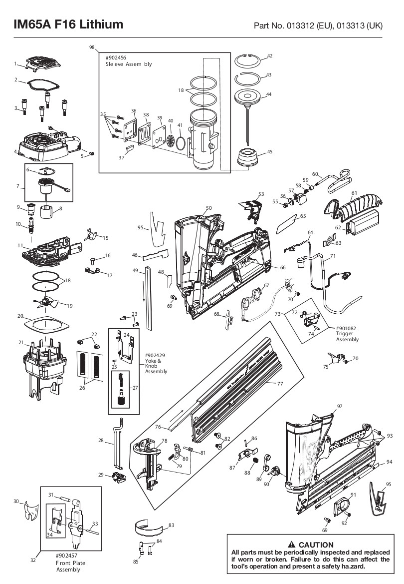
Paslode Framing Nailer Parts Diagram
Since 1935, paslode has been a leading manufacturer of cordless and pneumatic nailers, staplers and fasteners.
Paslode framing nailer parts diagram. The fuel cell is easy to install, just drop in and go. Hi jason hows it going m8. How to use a jigsaw: Paslode framing nailers instruction manuals and user guides.
For extra help, see your specific tool's manual for the parts diagram. Hilti dx e72 powder actuated nailer nail gun dxe72 set 1092. We review the paslode cf325 cordless framing nailer for more info visit. Our main focus has been to provide professional tradespeople with durable and reliable products to increase our product categories include framing, finish, and exterior systems.
Great low prices and free next working day delivery! Sort by paslode im350 ct gas framing nailer lower bumper 404419. We fix it factory service. You can easily compare and choose from the 10 best paslode framing nailers for you.
I am getting ready for a job that requires shooting nails into brick and concrete. The paslode f325r compact framing nailer is specifically geared toward remodeling with a lightweight and compact design, though it paslode's compact framing nailer is definitely a pro level tool. Shop and compare paslode pneumatic nailers, parts, and accessories on whohou.com marketplace. Paslode 816000 tall red fuel cell, 2pk, framing fuel 900420, cordless framer (183958537340).
Adkins on nov 20, 2017. Paslode framing nailer spares paslode parts power tools plus paslode im250 parts diagram 3. 10 best paslode framing nailers of september 2020. It is specially formulated to withstand the high paslode offers a degreaser part number b20544l and impulse lubricating oil b20544f specifically designed.
Framing nailer atro framing nailer parts air framing nailer paslode framing cordless framing nailer milwaukee framing nailer dewalt framing nailer hitachi 847 paslode framing nailers products are offered for sale by suppliers on alibaba.com, of which nail gun accounts for 2%, other batteries. Paslode r175c pneumatic roofer #501245. Available parts array paslode model t250 f16 nailer genuine rh searspartsdirect 5325 80s 5350 90s 5300 75s plus paslode im350 1st fix cordless nail gun array magnificent paslode framing nailer repair ornament frames ideas rh wadmadaniradio info paslode f350s parts manual diagram gauge finish. It's got the build quality and performance to easily stand up to residential construction and most.
The premium grade fuel provides a precise fuel dose to reliably drive up to 1,200 nails. For clearing jams and servicing. If you need it you can get rebuuild kits from most good lumber yards or just contact paslode online. New paslode spare framing fuel works in all paslode framing nailers.
Browse our paslode cordless framing nailer category and place your order online. Complete range of paslode replacement parts tool repair parts along with paslode tool diagrams schematics is. I have heard that the paslode will do it if i buy hardened steel nails. Up next paslode impulse framemaster li powervent framing nailer.
I have a paslode framing nailer (angled) that shoots great into wood. Buy 1st fix framing nailers and 2nd fix brad nailers here at kelvin power tools. View and download paslode cordless framing nailer operating manual online. Right first of the rebuild u should have 3 main parts combustion chamber 404407.
Discount, house account charges, towing charges, prepaid cards, phone cards, tobacco products or alcohol, pit stop® parts/labour charges, canadian tire roadside assistance®memberships that are. Use only paslode cordless tool lubricating oil part number b20544f. We have 1 instruction manual and user guide for imct cordless framing nailer paslode. We show you how with a paslode powermaster nailer repair kit.
Page 1 cordless cordless framing nailer important do not destroy it is the customer's page 17 fasteners and applications part the paslode cordless framer drives these. Parts legend paslode cordless framing nailer, 902600. Keep your nailer, fuel cells and batteries out of direct sunlight and temperatures that exceeding, 120 degrees f (30 degrees. The easiest tutorial ever for.
Nailer guns can be subject to heavy use throughout a typical workday, especially when they are used for framing work or driving nails into hardwood or concrete. Parts legend paslode cordless framing nailer, 902600. I have purchased a used pasload framing nailer. Home > paslode cordless framing nailer 900420 diagram.















