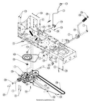
Murray M155 42 Deck Belt Diagram
I need a map of the routing of the belt that drives the blads on a murray riding mower modle 42506x92… read more.
Murray m155 42 deck belt diagram. Yard machine 42 inch riding mower belt diagram belt image from murray 46 inch deck belt diagram , source:yogaadventurechamonix.com. I have a 2002 murray riding lawnmower 17 hp 42. Hello everyone, are you searching for snapper murray 42 snapper hop deck belt this? Use our manuals search tool to find your operator's manual to find parts or perform routine maintenance.
The exmark quest is a great fit for homeowners looking to cut their lawns faster and easier. I need the diagram for blade belt replacement on craftsman lt2000 riding mower 17.5 hp 42 inch. Oem replacement belts are engineered to match all of the specifications of the original equipment belt. Oem replacement this part is aftermarket equipment designed to replace the original manufacturer's part numbers specified here.
Fits the following murray 42 lawn tractor models What is the belt diagram for a 42 inch murray riding mower? These features make oem replacement belts the highest quality and best value belts for your outdoor power equipment. Murray lawn mower & garden tractor replacement belts.
What specific tool or machine does this involve? Hi, here is a link to a website i like to use for diagrams and user manuals for mowers. The two biggest myths about sanding exterior porches and decks exterior porch refurbishment is a great summer project, but misconceptions about the process abound. Deck widths from 34 to 42.
.deck belt, savings and appearance explanations when you find yourself seeking a lot more aspect of snapper murray 42 snapper hop deck belt. If you know the model number of your murray product, enter it in the search window below to locate operator's manuals, illustrated. As low as $3,299 / $61 mo usd. How to change a riding lawn mower deck belt.
Looks like a 2008 model. July 3, 2019july 3, 2019. I have murray 42 cut riding mower that the belt came off. Keep your tractor running smoothly and reliably with a new quality replacement belt that is an original manufacturer replacement deck belt.
Murray lawn tractor operator's manual. Get diagram of how to install your murray lawnmower belt. Murray lawn tractor parts that fit, straight from the manufacturer. All manufacturers do it differently but you need to locate the belt routing diagram which for the most part is somewhere on the deck or under the seat, otherwise you need to look in the owners manual.
48, 50 and 52 decks scotts 50 lt rail frame. We have what you need here. You'll need the model number, obtainable from your mower Looking for support of your murray mower or garden tools?
Cant find manual to relace belt. A quick check on ebay for an murray oem belt seems to confirm. I broke the mowing deck belt and need a diagram in order to be able to install the replacement belt i bought. How in the heck do you get an answer to the question?
Frame, hood, fenders, casters and tires. Use our interactive diagrams, accessories, and expert repair help to fix your murray lawn tractor. Buy snapper murray 42 mower deck belt 429636 at walmart.com. Belt diagram for 42 inch deck murray that engages the blades.
Gfci outlet with switch wiring diagram. For murray original equipment parts with parts lookup diagrams, please read below before clicking on the diagram. Deck belt murray 52 gt old style; When you think about what your time is worth, it's easy to see the value of more productive tools.
This deck has three pullies on it and there is one under the engine too. So i decided to replace the deck belt on my murray 425003 42 inch deck because to old one suddenly became looses and fell off one day. Poly cord belts have high resistance to elongation and are. My murray service manuals have the belt size listed as 1/2 x 89 1/2.
Need belt diagram for jd stx30 ja:















