Minn Kota Endura 34 Manual
User manuals, guides and specifications for your minn kota endura 30 outboard motor.
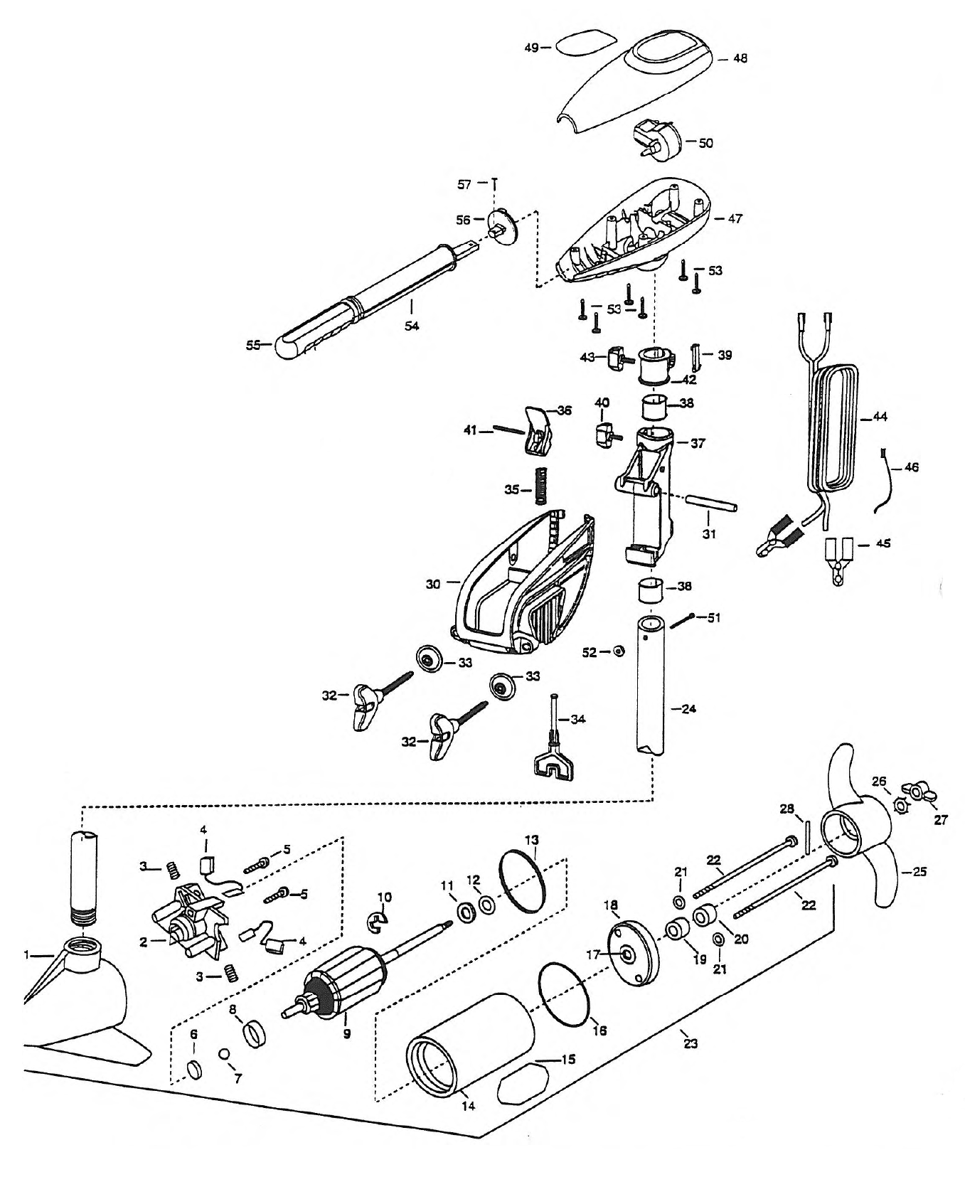
Minn kota endura 34 manual. View online or download 1 manuals for minn kota endura 30. Table of contents page safety warnings ii trouble shooting tips iii chapter 1. Super ported abu dual ball bearing idler gear kit. Do not return your minn kota motor to your retailer.
Minn kota endura electric outboard motor instructions. Minn kota endura max 55 electric outboard mot. Minn kota endura 40 c2. Minn kota endura 40 c2 electric outboard moto.
If you already own a minn kota trolling motor or minn kota product, please refer to the original product manual for any respective technical information. Mootorid on varustatud 15 cm pikkuse teleskooproolivardaga ja digitaalse aku tühjenemise näidikuga. Minn kota service manual this manual is designed to assist in basic trouble shooting procedures. Инструкция к лодочному мотору minn kota 34 endura.
- 351 Windsor Distributor Firing Order
- 1998 Ford F150 Starter Solenoid Wiring Diagram
- 2000 Cadillac Deville Factory Amp Wiring Diagram
View and download minn kota endura user manual online. Control box cover installation for all variable speed hand controlled motors manufactured 2009 and later (except endura max). Endura som är minn kotas storsäljande motor för aktermontering som många försökt kopiera. Väga lihtne kinnitada ahtripeegli kronsteini abil.
Walker lakemaster manual downrigger parts.













