Lt2000 Craftsman Drive Belt Diagram
In time the blades won't rotate.
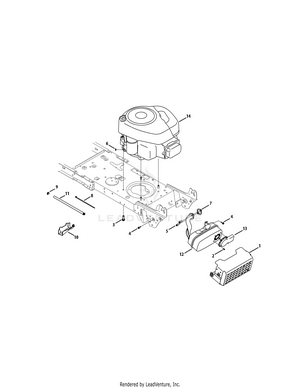
Lt2000 craftsman drive belt diagram. If you'd like help, we invite you to call our customer service number at the top of the page, or click chat. We have the following craftsman 28910 manuals available for free pdf download. The new and old belts match in length, but the new one seems to long. The craftsman lt2000 lawn tractor features an 18.5 horsepower engine, hydrostatic transmission and a 42 cut.
And the belt size the old one got chewed up beyond measuring. I was given a craftsman lt 2000 with a 17hp kohler engine. I'm trying to replace the drive belt and i'm looking at the diagram but i must be missing when you are looking at the diagram, you have to remember that you are looking down from the top of the tractor, and when you are laying under there. I also need change the.
This is 2011 craftsman lt 2000 model# 247.288851. Anyway, in addition to my deere 2210 tractor, i also need a riding mower. Isn't that the first thing people think of when they see a riding lawn mower? This video shows how to replace the deck belt on an lt2000 tractor but this also applies to the lt1000 and many other models.
It fit my lt 2000. Craftsman lt2000 owner manual and parts list. Belt length is suspect (abt 1 inch too long to provide good life). 21 posts related to craftsman lawn tractor belt diagram.
2003 dodge ram wiring diagram. Blade drive belts on craftsman lawn. I have 2 craftsman lt2000,both have the same (probably simple)problems.when you press the (carb side)brake pedal,the belt doesn't loosen&the mower won't stop without killing the i need the diagram for blade belt replacement on craftsman lt2000 riding mower 17.5 hp 42 inch deck… read more. Craftsman lt 1000 deck belt diagram.
Belt diagram for drive belt lt2000 model 247. Hello everyone, i have a craftsman lt 2000 rider, model number 247.288851. Thank you, please advise the technique in the removal and replacement of the clutch drive belt on this craftsman riding mower, model number 536270211. Scarica tutte le foto e usale anche per progetti commerciali.
Blade drive belts on craftsman lawn mowers are not designed to be be adjusted and there is no mechanism for adjusting them. When the blade drive belt on a craftsman lawn mower wears, it loosens and begins to slip. Took out the battery and holder to get to pulley, have clutch disengaged (locked) and cannot get enough slack to put belt on? Craftsman lawn tractor lt2000 deck belt diagram?
Mower deck craftsman lt2000 diagram belt riding 247 42 drive mtd lawn sears yardman murray diagrams engine lt1000 wiring number. Craftsman lt 1000 deck belt diagram. My clutch belt will not stay on the pulleys craftsman 42 in. Craftsman lt2000 parts diagram lt 2000 parts view or print the sears craftsman lt2000 parts list.
Use our interactive diagrams, accessories, and expert repair help to fix your it is designed to be driven by a pinion gear which is sold separately. Ok, i am new to craftsman section of forum, usually over in deere cut area. You may find documents other than just manuals as we also make available many user guides, specifications. Slip belt over the rear pulley first and then straight.
January 25, 2019january 25, 2019. To replace mower blade/motion drive belt. If the wheel is broken or damaged it should be replaced to ensure smooth ride and. Mtd 13bl78st099 247 288853 lt2000 2013 parts diagram from craftsman lawn tractor belt diagram , source:jackssmallengines.com.
This video shows how to replace the deck belt on an lt2000 tractor, but this also applies to the lt1000 and many other models. I've driven it 3 or 4 times since then and it has not died yet. Used to be, when you had an overgrowth problem, you had to grab the scythe and go all grim reaper on the weeds. Garden & landscape · 1 decade ago.
Craftsman lt2000 engine diagram best wiring library lawn mower belts outdoor equipment belts sears rh sears craftsman mower drive belt diag. It has what i believe is called a varidrive main drive belt broke. The craftsman lt2000 lawn tractor features an 18.5 horsepower engine, hydrostatic normal things like belts wear but should not be chewed up as fast as it has. Basically need to remove front pulley by loosening center bottom bolt while holding the center nut on top of motor.
Drive belt install gt6000 hydro craftsman. Now the motor starts and runs without a problem.















