Johnson Control Box Diagram
Automotive systems, including seating, overhead and.
Johnson control box diagram. For the ford expedition second generation, 2003, 2004, 2005, 2006 model year. Split the box and easy replacement or check , make or brake reading on amulti meter set on ohms ! Johnson controls metasys n2 communications interface. Is a diversified company made up of two main business groups:
The jc n2 (johnson controls) opc server for integrating smaller heating, ventilation and air conditioning (hvac) networks without ncm's, opc server for right out of the box usage (easy to use). Enjoy peace of mind with johnson controls thermostats and thermostat controllers. When we buy new device such as johnson controls gcgd we often through away most of the documentation but the warranty. Commission exit configuration changes application components cooling pid flow control.flow controller box heating pid suppl heating.
You can save your johnson controls stock studies and create your own systems as well as having the option to set the colors of each object on the chart. Johnson controls glas thermostat review. View air conditioner johnson controls gcgd installation manual online or download in pfd format. Air conditioner, controller user manuals, operating guides & specifications.
- Ignition Wiring Diagram For 2004 Chevy Silverado
- Sa 200 Oil Pressure Switch Wiring
- 2008 Ford Focus Radio Wiring Diagram
I read some of the reviews here on amazon before purchasing, and most described the wiring diagram as simple. Johnson controls is committed to the health and safety of all employees, customers, partners and the communities we serve. Power supplies which convert 110v ac or 220v ac (or 100v~240v ac depending on the transformer) to power which is usable by the linear actuation system. Fuse box diagram ford expedition 2.
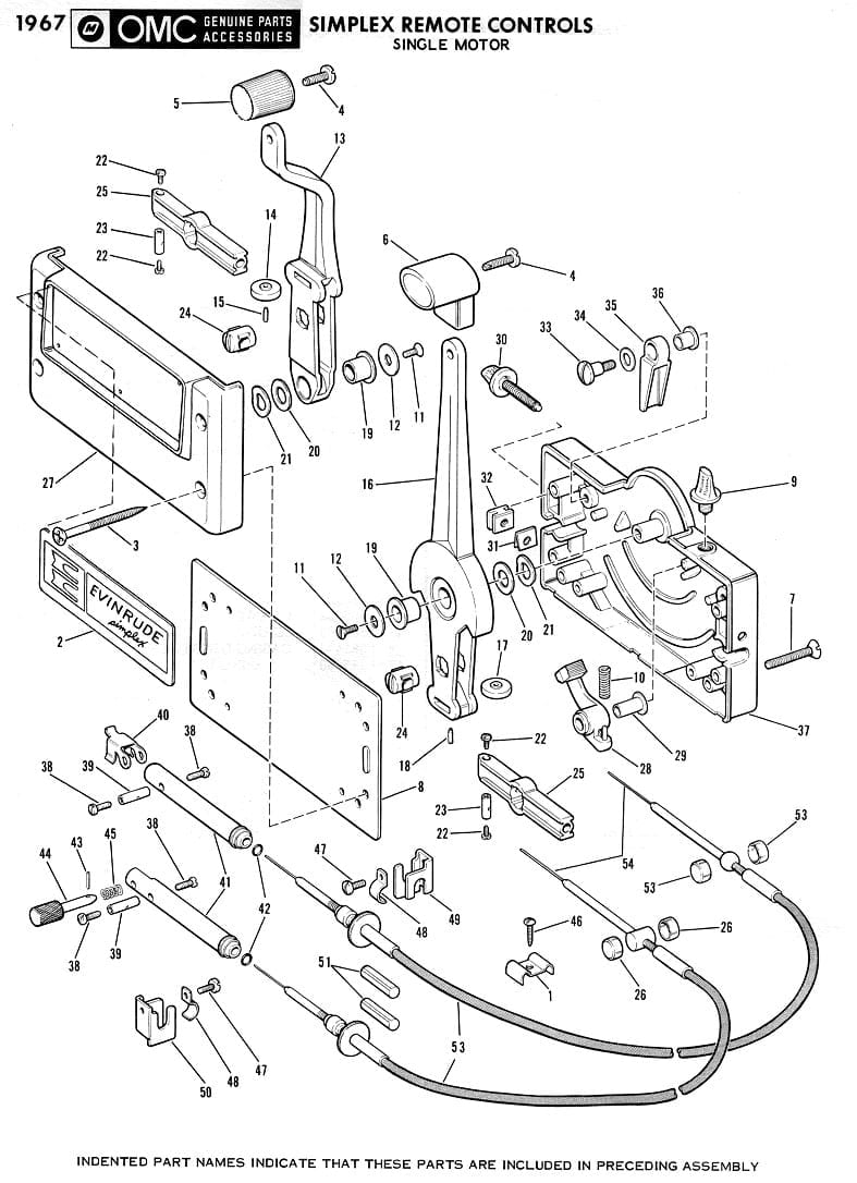
Fundamentals of hvac control systems: Controls such as hand controls, foot switches or wireless remotes. Powertrain control module (pcm) (12a650), deactivator switch, third row folding seat relay, left, third row folding seat relay, right, power litigate module, brake pedal positron switch. 5006180 boat motor side mount remote control box for johnson evinrude omc brp outboard engine.
Johnson controls has 104,000 employees across 297 locations and $23.97 b in annual revenue in fy 2019. Johnson controls has been in the thermostat game for over a century, and while it isn't the first. Похожие запросы для omc control box parts diagram. As powerful as the vav controller is by itself, your facility will benet even more when vav controllers are part of a larger metasys network.
View & download of more than 2855 johnson controls pdf user manuals, service manuals, operating guides. Its in the remote control box as you should have a kill lanyard button on the side so if you fall out it stops the engine ! See insights on johnson controls including office locations, competitors, revenue, financials, executives, subsidiaries and more at craft. 4 fitting and connecting to the technology box.
The top function block diagram shows the configed lite parameter names, which are also displayed on the mmi if no technology option is fitted or an incorrect type is selected for the fitted.

















