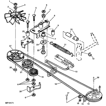
John Deere Sabre Drive Belt Diagram
Is this the belt that drive the mower deck blades?
John deere sabre drive belt diagram. John deere consumer products group. John deere 2280 hydrostatic drive windrower technical manual (tm1179). Buenas noches muchas gracias por la información su ministrada, estoy buscando el manual de john deere 310sg de servicio, o saber que funcion cumple el relay module at180485, muchas gracias. Click here to download the sabre lawn tractor complete.
Remember the belt rule, v of the belt goes in v pulleys.flat pulleys that are stationary or move get the back of the belt. John deere 132 belt pickup with platform parts catalog.pdf. Lt1040 and lt1042, 42 decks; Get the best deals on john deere lawnmower belts.
You can figure it out. The john deere sabre line of lawn mowers very often causes confusion and consternation among both lawnmower enthusiasts and among john deere fans who don't like the sabre range of mowers manufactured and produced by jd. Not only were these mowers confusingly painted with a shade of. Copyright 2006 deere & company moline, illinois all rights reserved a john deere illustruction manual previous editions copyright 1998, 2001, 2004.
- Belt Diagram For Murray Riding Lawn Mower
- 2008 Pontiac G6 Speaker Wiring Diagram
- Poulan Riding Mower Belt Diagram
Need to replace the belts on john deer stx38 yellow deck ride on lawn mower.i nedd the diagram for the new belt replacement and any good tips on doing so.thanks… read more. Please provide a diagram that shows how the belt is to be routed through the pulleys. Oem part which fits sabre lawn tractors. Order now and receive flat rate, speedy secondary deck belt, john deere g100, gt225, gt235, 345 and lx277aws, 54 side discharge decks;
John deere / sabre john deere: Blade belt diagram for john deere sabre riding mower the belt won't engage and i need an owner's manual because my uncle has lost his. John deere 4040 and 4240 tractor service repair manual (tm1181). The flat idler sheave melted on my jd 155c riding mower.
If so, what size mower deck? Sabre lawn and garden tractors. John deere 7721 combine with belt pickup and pickup platform parts catalog. Mower belt smoking comes off affects:
He bought a new one at a local supplier and i have the problem is that i can't physically apply enough pressure to the sheave pully spring to allow the belt to slip onto it. Need a diagram on how to put a drive belt back on it is a hard one to put on co look at the picture carefully there are two pulleys one tha. John deere jd480 forklift technical manual (tm1016). Search part numbers and john deere parts diagrams to identify exactly what you need to keep your equipment at john deere, you get the value of choice for your maintenance and replacement parts for all makes genuine john deere belts & blades are your best choice for your newer machines.
I have a 1999 john deere sabre 1538 and was needing a diagram of how to replace the drive belt. John deere tractors, combines & lawn mowers service repair manuals, spare parts catalogs and wiring diagrams. This john deere service manual is compatible with all pc and mac systems and is also easy to use on any we have a free sample available online for download! Need a quick reference guide on diagram of belt drive for a l120 john deere lawn mower.
Deck assembly g 2005 with 42 decks sabre. No this belt just runs the side pulley with fan attached to it on the rear end. The john deere 160 riding lawnmower uses a double blade mowing deck for cutting grass. Mower deck belt comes off during mowing or when pto (blade.
John deere 155c drive belt repair. Shop with afterpay on eligible items. Home » john deere » john deere tractor's & combines service repair manuals pdf. The drive belt on my grandfather's sabre tractor shredded and broke.
John deere sabre 1338gs deck belt diagram? Take care of all your john deer small engines replacements with quality aftermarket parts from psep.biz! For 18 and 19 hp engines john deere : Follow the diagram you drew to ensure you install the belt correctly.
This product served all my needs, it was great to get the right belt. You can change a john deere la 175 mower deck belt configuration by checking the diagrams and instructions in the owner's or manufacturer's manual. Changing the deck drive belt zero turn mower. John deere dealers the changes listed below make your ctm obsolete.
We are here to help over 550 genuine sabre repair and replacement parts that are hassle free and guaranteed to fit every time. Illustrated diagrams included in the john deere service manual pdf. 105.748 inch length,.5 inch width,.31 inch thickness, made of kevlar. The pulleys have a serpentine belt that attaches to a drive pulley mounted to the bottom of the engine.
We have a john deere saber lawn mower 15.5 with a 42 inch deck. It's been days between the time i took the old one off and getting a new one and i'm afraid.
















