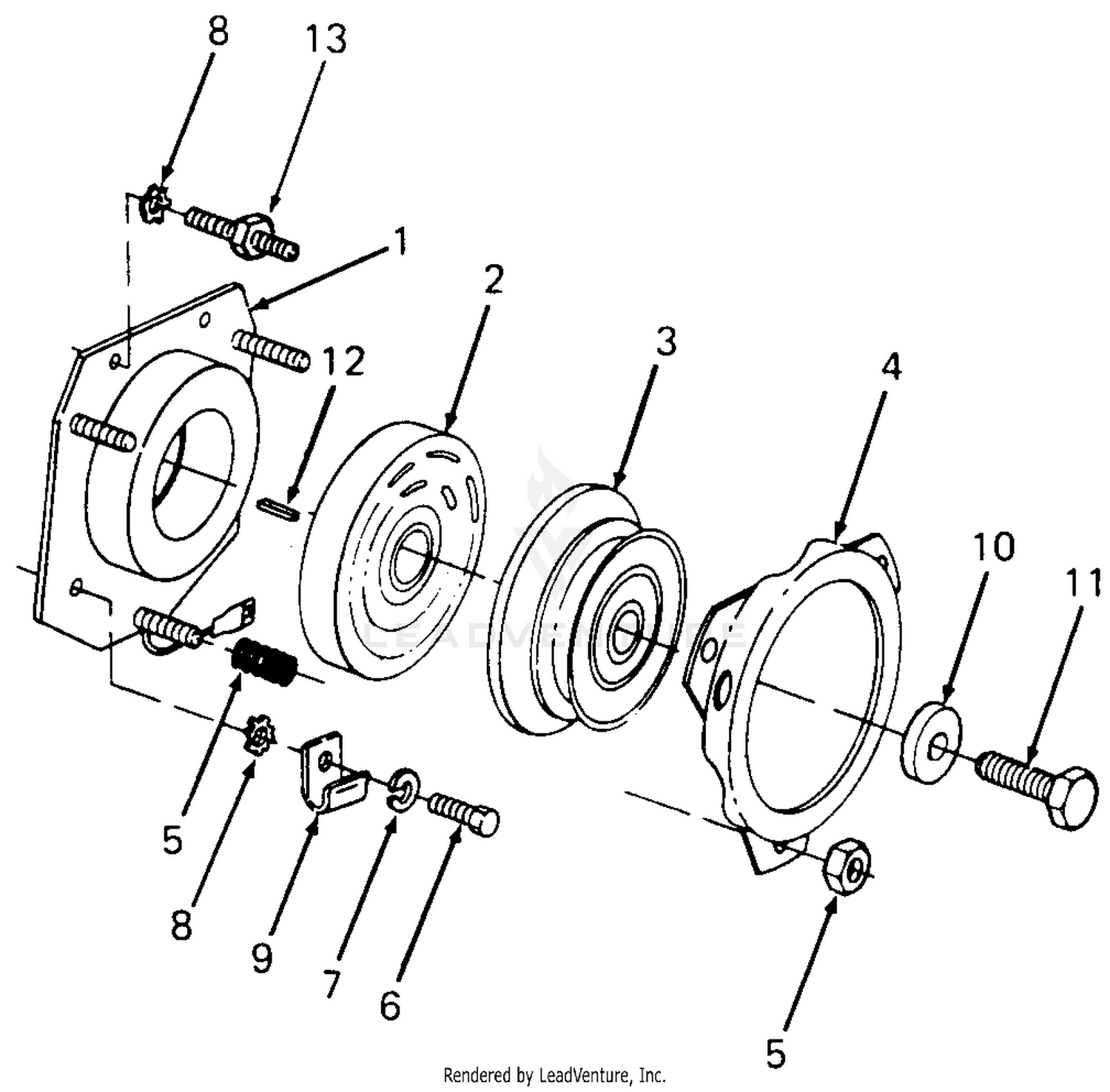
Cub Cadet Pto Clutch Diagram
Red/white leads to pto have 12 + vdc when engaging the pto switch, connections are good at the pto.
Cub cadet pto clutch diagram. They are a leader in building smart outdoor power equipment with advancements that make their products. Shop with psep.biz for quality oem and aftermarket replacement parts. We have all the manual for you to successfully repair your tractor which. This is a video showing the rare pto clutch and mower kit on a cub cadet original comparing it to the standard mower setup on an original.
I have cub cadet zero turn mower with 27 hp kohler motor and 01001979 pto clutch replaced bearings in pto and now having issues trying to adjust three bolts that my pto will not engage. Manuals and diagrams for cub cadet mowers and tractors. 1500 x 2694 gif 265 кб. I bought a new battery.
Cub cadet parts, cub cadet, cub cadet lawn mower, cub cadet lt1042, cub cadet mower parts, pto clutch. I think it is pto clutch. Browse our selection of cub cadet electric pto clutches to repair your lawn mower. It would either sieze the engine or spin the index and take the harness with it.
Cub cadet pto clutch, engine driven attachment parts. The instructions do not say how to remove the cable and springs that are attached to the deck. All versions of the cub cadet rzt (and white zt) are bagger capable. Sign up for emails from cub cadet sign up to receive communication on services, products and special offers.
Now i have a new problem when i tried to engage the pto switch with the engine on the engine cuts off. Bought new relay but still want hold when turned on. Cub cadet donates new mower. Cub cadet pto clutches available online and ready to ship direct to your door.
As always thanks for watching. Factory direct from cub cadet. Any simple ideas to help get this cow mooing again would be so now you have no power to the electric pto clutch when you pull the switch to engage it? Cub cadet 8454 manual online:
Here at the repair manual we offer the best repair and service manual for cub cadet tractor. Cub cadet 72 clutch replacement. Cub cadet compact tractor operator's manual 8000 series (56 pages). We have the cub cadet electric pto clutches you need with fast shipping and low prices.
My cub cadet has an override feature so the pto will continue to its the electric clutch on the engine that engages the belt to run blades check the centrifical clutch or. This housing is for the pto clutch. This clutch fit my 46 cub cadet like a glove. How do you remove the deck from the cub cadet lt1046 mower?
Now the electric pto is on all the time. I have a cub cadet lt 1042 that is about 5 years old, i replaced the mower deck drive belts about two weeks prior and over the weekend the pto electric clutch starting locking up when the switch is pulled to start the mower deck.it locks up. Clean the pto clutch with a. What is the replacement pto clutch for a cub cadet 2140 onan.
Need to fix your pto clutch, engine driven attachment? The clutch plate is moving forward and backward when you turn the switch on/off however the belt still always turns. Push the mower outdoors and your cub cadet dealer carries a complete line of quality lubricants and filters for your equipment's engine, transmission, chassis and attachments. I am attempting to remove my pto clutch from my cub cadet.
Cub cadet 70 model identification field guide international mower,key switch wiring diagram excellent operating remote start cub cadet pto clutch zero turn mower commercial,lawn tractor wiring diagram j sons. (pto clutch) and if it exceeds 0.025 adjust to d. I believe this is your wiring diagram, print it, it is time to check the pto switch. Got a cub here that will not engage the pto.
Use our parts diagram tool to find the parts you need for your machine. Where can i get a diagram of pto? Select the model and year, then browse the parts diagrams to find the right part. Use our part lists, interactive diagrams, accessories and expert repair advice to make your repairs easy.
How to rebuild a cub cadet 100 mower deck clutch/ pto clutch. Cub cadet is an american enterprise that manufacture law and garden and a full line of outdoor power equipment and services. Cub cadet electric pto clutches available online from lawnmowerpros. Cub cadet pto clutch diagram.
Cub cadet lawn care equipment has been built to last through the harshest of weather conditions. Don't forget to like comment and subscribe if you haven't already. Pto clutch valve system, specifications and diagram. It's a cub 2206 w/a 19 hp motor and a 48 deck.
Great item at a very great price. That is, if you feel you are well, the only wiring diagram i have on a cub lt 1045 is just like the diagram shown in this thread above. It does not list the pto switch circuits by the. With one lap bar in the reverse position, and the pto turned on, the pto clutch should turn off as soon as the second lap bar crosses the.
We carry a large selection of pto clutches for cub cadet lawn mowers. I have a 2006 cub cadet lt1050 and the deck blades do not engage and i am suspecting it is the pto clutch switch not working.














