Hoover Steamvac Parts Diagram
Easy to follow and even less confusing to order, at usa vacuum we've uploaded the diagrams of all the hoover steamvac replacement parts available.
Hoover steamvac parts diagram. Welcome to hoover steamvac parts diagram online store. Amazon's choice for hoover steamvac parts. Read online or download in pdf without registration. This hoover deep cleaner is designed for deep cleaning carpet, rugs, carpeted stairs and upholstery.
Many offer discounts when you buy more than one unit, so stock up and save! Find the hoover vacuum cleaner parts and accessories you need and get free shipping with volume discounts at onlinevacshop.com. We have 1 instruction manual and user guide for steamvac y series hoover. We get a lot of visitors searching the site for hoover steamvac manuals so we decided to put them all in one place.
Genuine hoover parts are designed to extend the life of your machine. Lowest price on the web. Replace leaky valves on hoover steamvac tanks. Recovery tank lid with filter 42272111.
- Exmark Lazer Z Drive Belt Diagram
- Craftsman 48 Inch Deck Belt Diagram
- Pac Line Out Converter Wiring Diagram
If you are looking for a specific manual you should be able to find it below. Applying hot tap water and cleaning solution. More buying choices $82.98 (5 used & new offers). Orders ship within 24 hours.
View and download hoover steamvac owner's manual online. Your hoover central vacuum is an integral part of a clean and healthy home. Free shipping options, repair schematics. I have also uploaded the parts diagram and instruction manual for you.
Steam vac™ deep cleaner cleans carpet fibers. Hoover steamvac y series manuals and user guides for free. Справочник пользователя для hoover steamvac v2. We can help you match the proper products for your cleaning needs, budget, and hoover vacuum model.
Question about hoover f7220900 steamvac v2 upright vacuum. The easy to use deep cleaner, deep cleaner. Use our part lists, interactive diagrams, accessories and expert repair advice to make your repairs easy. Hoover steamvac vacuum cleaner user manual.
Repair hoover steam vacuum parts and service at vacuum sewing doctor in modesto stockton sacramento. We hope you find the following comprehensive list of steam vacuum manuals useful. Manuals and user guides for this hoover item. $20 in points on partsdirect purchase over $50 with coupon.
Hoover dual v tank for hoover v2 steamvacs best deal on. Welcome to hoover steamvac parts online online store. Steamvac™ v2™ deep cleaner cleans carpet fibers by. Deep cleans with hot tap water and carpet solution.
The model and serial numbers are located on the data label on the •keep hair, loose clothing, fingers, feet and all parts of body away from openings and moving parts. •do not put any object into openings. Take advantage of our huge volume discounts and free. 4.2 out of 5 stars 385.
We also have installation guides, diagrams and manuals to help you along the way! Keep hair, loose clothing, fingers, feet and all parts of body away from openings and moving parts. Genuine hoover steam vac replacement parts. Product brand :hoover product name :hoover dual v tank for hoover v2 steamvacs this item ships for free with super saver shipping.
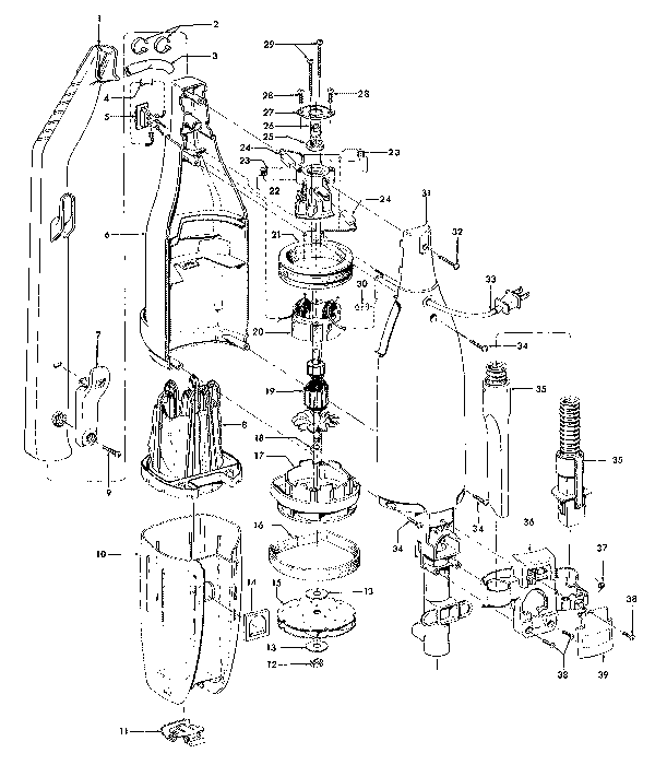
They may damage the machine. The parts diagram gives you every single part number for all parts on your vacuum should ever need to know another part number. Click the item you need in the schematic diagram. Hoover fh50021 parts list and diagram ereplacementparts com patent drawing patent drawing mighty pro x3 not finding what you are hoover parts by hine diagram hoover f7205 carpet cleaner parts hoover steamvac carpet cleaner f5810 fingerhut hoover steamvac spinscrub hoover f5871.
The foundational parts of a hoover central vacuum are universal, such as the installation and wall inlet valves, making. This is a genuine hoover part, not generic. 2005 hyundai elantra repair manual. Do not put any object into openings.
2005 honda trx450r kick start parts diagram. Owner's manual, presented here, contains 15 pages and can be viewed online or downloaded to your device in pdf format without registration or providing of any. By applying hot tap water and cleaning solution. Hoover dual v tank for hoover v2 steamvacs.
You may find documents other than just manuals as we also make available many user guides, specifications.

















