Exmark Lazer Z Drive Belt Diagram
Vibration due to bumpy terrain has.
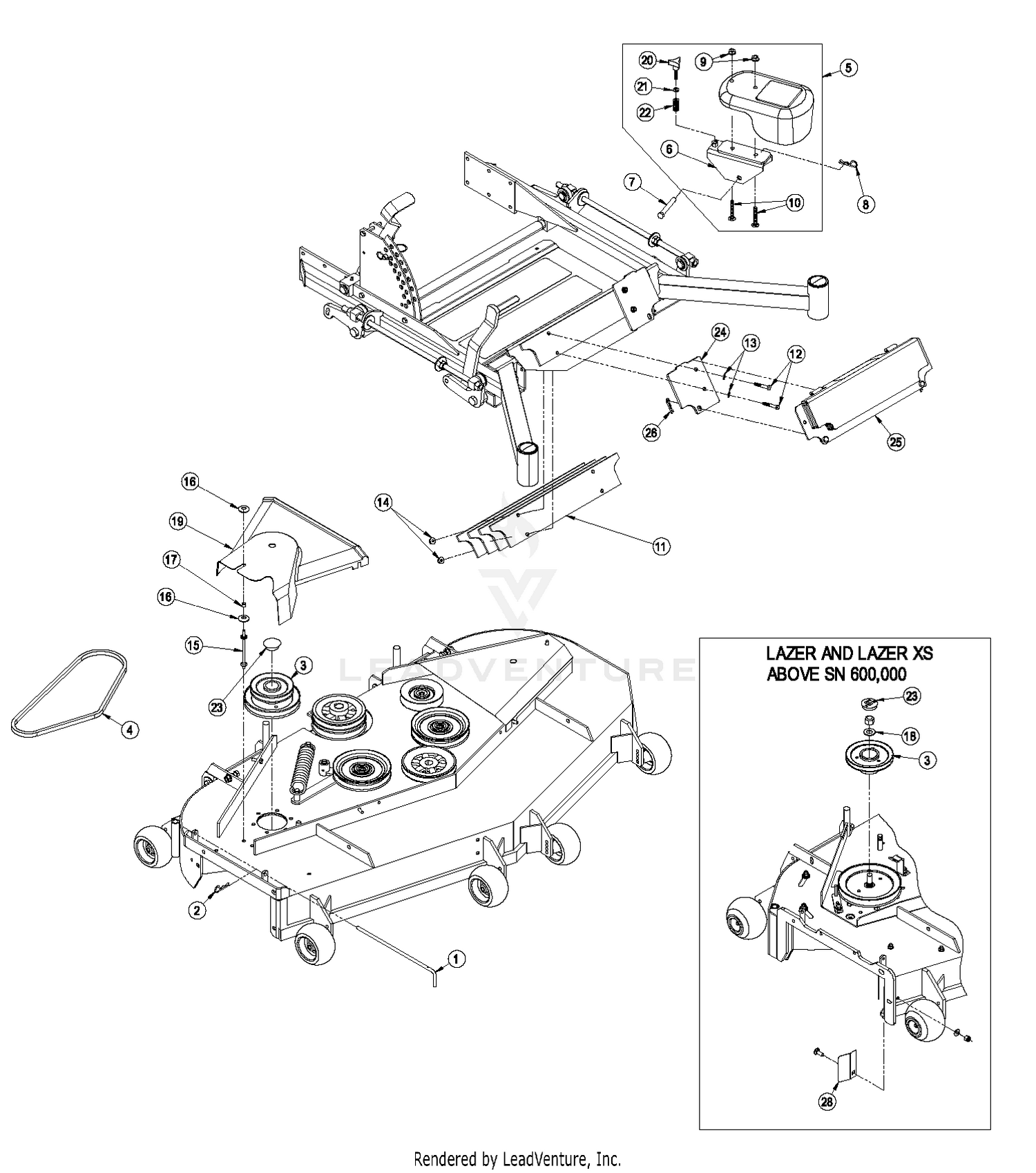
Exmark lazer z drive belt diagram. Located under the seat on the lh pump control link. I have made some changes to the original design, detailed below. 1280 x 720 jpeg 79 кб. From reading people are saying bad motor.
734 industrial park drive pelham, al 35124. Database contains 1 exmark lazer z sx manuals (available for free online viewing or downloading in pdf): Lazer z x series pump drive belt tension. You can check vital functions right on the digital lcd screen.
Theoretically, this equates to fewer the 2018 exmark lazer z line also improves upon the level of comfort that operators should expect to experience. Rotating this knob allows fine tuning adjustments so that the machine tracks straight with the drive levers in the full forward position. Seems like an adjustment, the last exmark zero i used did the same thing. Stop machine and wait for all moving parts to stop.
Schematicsschematics schematics electrical diagram 52. Page 54 exmark commercial turf equipment 2 year limited. Exmark lazer z pulley diagram. Its exmark hydro drive system offers an easy to change belt and is simplified with no hoses to leak.
The exmark lazer z design eliminates the need for drive belts, improving the efficiency of the powertrain. Start date aug 10, 2012. It seems to happen when i engage the pto at any throttle speed and. This might be a dumb question but, are you installing the drive belt for the blower for the correct direction of rotation for the blower?
Belts, blades, filters and more are all in stock and ready to ship so you can stay up and running. Exmark model numbers are not the easiest to guess. Deck belt fits models next lazer z and lazer z as, air cooled engines with 52 decks (serial # 790,000 and higher). I'm working on an exmark lazer z with 25 hp kohler engine.
The belt came off of the deck 52 inch deck and th. Push on the edge of the pump idler to take up the spring pressure, and then remove the pump belt from the sheaves. Loosen the idler arm bolt enough to slide the belt over the pulley. Blade drive belt, fits models exmark quest and toro titan.
Attachments exmark lazer z 48. Page 53 schematics electrical schematic 53. Exmark reserves the right to make changes or add improvements to its products at any time without incurring any obligation to make such changes to exmark, or its distributors and dealers, accept no responsibility for variations which may be evident in the actual specifications of its products and the. Repeat steps 9 through 13.
Updated information can be found here. How to change deck drive belt on exmark lazer z commercial zero turn mower blake andrews. I just got a lazer z with 350 hours on it, if you push both levers forward it will go to the left, the right side is faster then the left. Mule drive belt tension adjustmentmaintenance the chain bolts in the deck lift arms making sure pump drive belt page 52:
Family owned small engine repair. Hi everyone, so i have a 2005 exmark lazer z that is breaking mule drive belts. You can examine exmark lazer z sx manuals and user guides in pdf. Do you have a wiring diagram it may help to narrow down what the fuse is suppling power to my guess is something is shorted to ground testing the starter and.
What you may think of as a lazer z is actually some variation of 'lz28kc724' check the model plate on your mower to locate the model and serial to. It gives you easy to access information including an electronic fuel gauge with.
















