2011 Ford F250 Fuse Box Diagram
In the table below you'll find the fuse location and description of the fuses of the instrument panel fuse box on 1995 ford f150, f250, f350.
2011 ford f250 fuse box diagram. A green car fuse 30a knife fuse box 20a fuse box fuse box for automobiles top 2a use of fuse in electric circuit thermal fuse 130 250v 250v cermic. Need to hook power up line for amp want to use line that the ignition shuts on and off. Really nobody can find the ford fuse box diagram necessary to himself?! Car fuse box diagram, fuse panel map and layout.
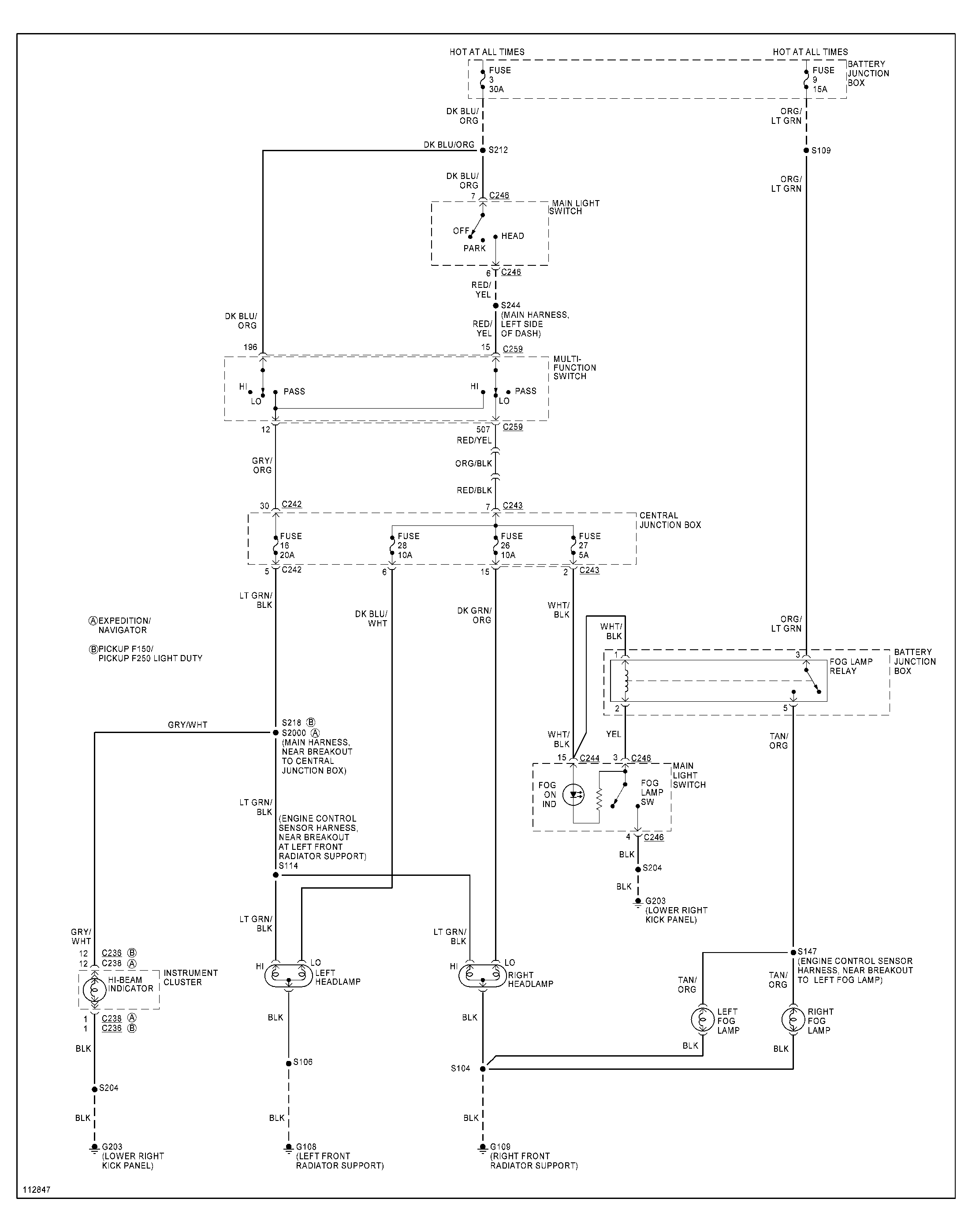
F250 diesel fuse box diagram? 1 10 windshield wiper motor, instrument cluster (ic), audio control module (acm), ignition switch 2 20 indicator flasher relay, brake pedal position switch 3 7.5 exterior rear view mirror switch, seat control switch, driver side front, driver seat. 2007 ford f250 fuse box diagram online wiring diagram. 2009 2010 2011 2012 2013 2014.
1978 ford f250 with m351 engine. Did you met often such messages on the internet? Fuses & fuse boxes └ car electrical components └ car parts └ vehicle parts & accessories all categories antiques art baby books, comics & magazines business, office & industrial cameras & photography cars, motorcycles & vehicles clothes the following parts fit a ford focus turnier 2011. Passenger compartment fuse panel diagram.
- John Deere D170 Mower Belt Diagram
- Troy Bilt Ltx 1842 Belt Diagram
- 2004 Pontiac Grand Prix Gt Radio Wiring Diagram
I nееd fuse box diagram for 2003 ford expedition spесifiсаlly whiсh fusе is thе windshiеld wipеr? 456 fuse box for ford products are offered for sale by suppliers on alibaba.com, of which fuses accounts for 1%, fuse components accounts for 1%. I need the diagram for the fuses under the hood. 2008 ford f150 fuse diagram central junction box.jpg.
I'm only using the ford fuse box for simple things like lights cig adapter. I dont know if im just overlooking it but i swear i cant find the list that corresponds to the f150/f250 interior fuse box fig 3 that matches to tell me which fuse goes were thanks though im. Detailed information for power distribution box, and relays. What can i cut out without having issues?
With a major redesign for 2015 buying the previous generation f150 could. If anyone knows where i can find out what amp fuse goes where it would be greatly appreciated. Auxiliary power point 12v dc power outlets are designed for accessory plugs only. Locate bad fuse find the fuse that is tied to the bad component.
Enter your vehicle info to find more parts and verify fitment. A blog about information of ford fuse box diagram. Instrument panel fuse box diagram: Any know where i can get one?
I have replaced the fuel pump, gets plenty of gas in. Just put clearance lights on my roof like the hope i'm up to my fuse box which fuse is my running lights. Fuse panel layout diagram parts: Need a fuse diagram for a 1999 ford f250.
Im looking for a diagram for the fuse box of a 1999 ford f250 flex fuel gas/propane. Fuse panel layout diagram parts. Fuse panel layout diagram parts: Manual transmission automatic transmission ford f250 diesel electrical fuse fuse panel washer pump lamp switch ford f series gasoline engine.
Ford f 550 2011 fuse box diagram. Trailer tow, headlamp, reversing lamp, power mirror, a/c clutch relay, radio, cigar lighter, data link connector, gear adjust switch, driver side, parking lamp, brake pedal position switch, indicator flasher relay, powertrain. Where does the power come to this. Here references for those who already tired to search for.
Blower motor relay, low to hi relay, heated mirror, a/c clutch relay, pcm power relay, starter relay, trailer tow relay, park lamp, trailer tow relay battery charger, run start relay, fuel pump motor diode, a/c clutch. This site might help you. I have a 1992 ford f250 that wont start very well, when it does start it won't run very well. Here you will find fuse box diagrams of ford.
I have replace coil, ignition switch, the distributor cap/ rotor and ignition module and still no luck. I have an 01 f250 7.3 can anyone hook me up with a fusebox diagram for both fuseboxes? 2012 f250 fuse box locations and diagram 1 answer. You just helped me fix my gauges becaus… read more.
Remove cover locate interior fuse box and remove cover. Ford f550 fuse box diagram. Instrument panel fuse box (1995 ford f150, f250, f350). The arrangement and count of fuse boxes of electrical safety locks established under the hood, depends on car model and make.
The fuse panel is located in the passenger's footwell. F250 diesel fuse box diagram?


















