1995 Chevy Silverado Ac Wiring Diagram
Trying to find information concerning 04 chevy silverado bose wiring diagram?
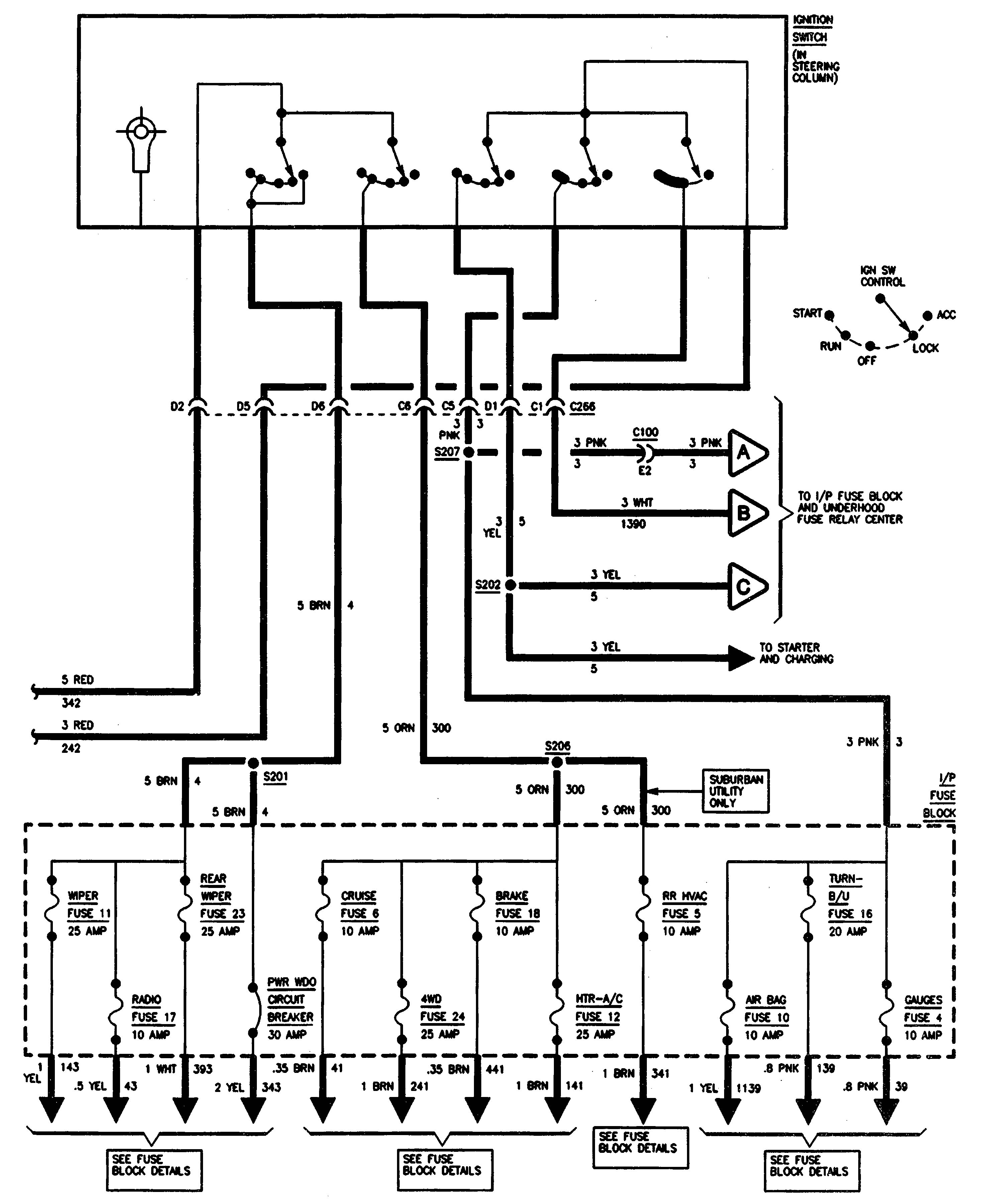
1995 chevy silverado ac wiring diagram. A 1997 chevrolet silverado radio wiring harness color codes chart can be obtained from most chevrolet dealerships. And would like to share them, please send to chevymanuals@yahoo.com. Here are the wiring diagrams for the air conditioner system to the automatic and manual. Gahi's diagram is the correct way to wire a gm 10si/12si, and utilize all the benefits of that great design.
I moved it up top with heat sink, and it still failed. Autometer pro comp tach wiring diagram. In order to complete this diy wiring tutorial you are going to need a digital multimeter. Here we have chevrolet wiring diagrams and related pages.
Related searches for 04 silverado ac wiring diagram 03 silverado wiring diagram05 silverado wiring diagram2004 silverado wiring diagram2004 silverado radio wiring diagram2004 silverado wiring diagram 15002004 silverado wiring schematics2000 silverado wiring schematic2004 chevy. These diagrams are easier to read once they are printed. The computer grounds the coil side of ac clutch relay. Listed below is the vehicle specific wiring diagram for your car alarm, remote starter or keyless entry installation into your 1998.
You have a dead short to ground on that circuit , you need to go to www.bbbind.com/ for free wiring diagrams an electrical distribution diagrams. A wiring diagram is a streamlined standard pictorial depiction of an electrical circuit. I could also use a couple of diagrams. Safety of the loved ones and the drivers and passengers in the vehicle are what keeps the owners it's been noticed that even for people who acquire their very own car from the marketplace, the 1991 chevrolet silverado owners manuals help.
Where would i get a 2001 wiring diagram for a silverado chevy truck? Thank you for the wiring diagrams, very useful. If you happen to own the older generation silverado, check this guide here for how to test the silverado. No, there is no wiring diagram for radio for the 1989 chevy capric on the internet.
Filter results by your vehicle car radio stereo for gmc sierra yukon chevrolet buick chevy silverado with bluetooth, steering wheel control,fm radio,gps navigation. Chevrolet car radio stereo audio wiring diagram autoradio connector wire installation schematic schema esquema de conexiones stecker. Chevrolet · 1 decade ago. 2004 chevy silverado 2500 hd 6.0 i have an intermittent problem of engine surge during idle and while driving when this occurs temp guage drops to zero also at times cranks but won't start checked 1995 silverado 6.5 turbo diesel.
.radio wiring diagram free downloads 1995 toyota camry radio wiring diagram download of 1995 chevy silverado radio wiring diagram. You could be a professional that wants to try to find referrals or resolve existing troubles. I have a bad pmd driver. This is the very same manual that your local gm dealer technician uses in repairing/servicing your vehicle.
2001 chevy silverado 1500 wiring diagram? The output and sensor wire (#2) should go to the main power distribution location, as shown, not to the battery. The instrument panel fuse block access door is located on the driver side edge of the instrument panel. Chevy truck forum | silverado sierra gmc truck forums.
Did you check the relay itself? Check out the diagrams (below) please let us know if you need anything else to get the problem fixed. 1999 toyota camry repair manual pdf. Turn signals work for about one minute before stopping completely i have replaced the flasher but now i am trying to find the location of the turn signal relay any help.
Also need diagrams, 1995 gmc c2500hd 6.5td(non egr) 4l80e heater wiring diagram. Wrg 1887 wiring diagram for 1995 chevy radio d01d371b426d6be9a fe14bc3fa0 03bcmc4 we collect plenty of pictures about 2005 chevy trailblazer radio wiring diagram and finally […] Anything to do with the heater/ac for the above truck would be greatly i've called my friends at chevy, the company that produces gm's manuals and mitchell over a 6mo period. The #2 wire ensures the 14.4 or so output is fed to the entire system, eliminating.
Diagrams for the following systems are included. 98 chevy silverado owners manual. When the upstream chevy silverado oxygen sensor goes out in your truck, you'll see a warning light turn on. 1995 chevy silverado z71 stepside four wheel drive looking for the location of the turn signal relay 2 answers.
Is there any place that would tell me where the ground points are on a 1990 gmc sierra? Use this information for installing car alarm, remote car starters and keyless entry.
















