Troy Bilt Tuffy Tiller Parts
811 troy bilt tillers products are offered for sale by suppliers on alibaba.com, of which motorcycle fuel systems accounts for 1%, cultivators accounts for 1%, and lawn mower accounts for 1.
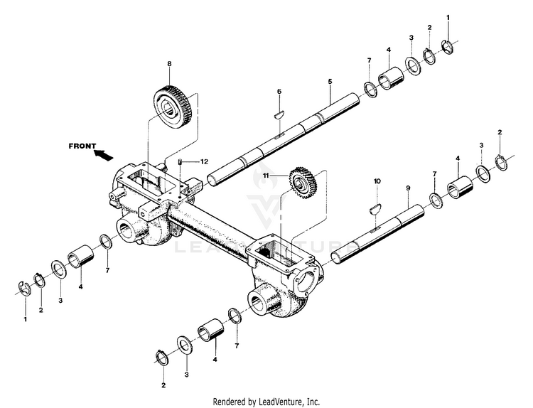
Troy bilt tuffy tiller parts. The part has 3 grooves in it for the transmission drive, forward and reverse belts. 3.75 tuffy®, 5.5 hp bronco and 6.5 hp super bronco. Choose a small frame tiller if you have a small garden and/or light chores like weeding and composting. Troy bilt tiller input shaft shim set part# 1325c.
We are working hard to process your order and deliver your parts and equipment to you as timely as possible. The only number i can find for the tiller is on the shaft housing between the tines and the wheels and it is x0010527. Up to 5 years warranty. Tuffy tiller owner / operator manual.
When the tiller loses power and doesn't start moving soil effectively after its tines touch the ground, then the problem. There are (149) parts used by this model. Operator's manual, presented here, contains 32 pages and can be viewed online or downloaded to your device in pdf format without registration or providing of any personal. Home / troy bilt tiller engines and parts.
- Trunk 2009 Dodge Charger Fuse Box Diagram
- 2010 Dodge Caliber Fuse Diagram
- 2008 Ford F150 4x4 Vacuum Lines
Wheel and tiller shaft assemblies. Displaying 1 to 24 (of 141 products). We thank you for your business, and your. Tiller parts rototiller tractor attachment farm mini tiller 7hp 9hp.
5.5 hp tiller (16 pages). Parts diagrams and manuals available. Wheel shaft & tiller shaft assemblies. I have a troy bilt pony tiller purchased in 1982 and i need a transmission drive pulley part number 20315.
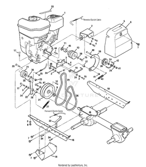
With its easy hookup you will quickly realize the efficiency this attachment will add to your operation. Page 2 ® tuffy tiller models 12155 and 12163 handlebars, forward clutch cable, and handlebar mounting hardware sn: We carry everything for your machine and the parts diagram helps visualize every component found. Choose from three small frame models:














