Troy Bilt Pony Deck Belt Diagram
We cannot verify that this belt would fit your 42 deck troybilt pony riding lawnmower, with 7 speed transmission.
Troy bilt pony deck belt diagram. 48 inch cut yardman riding mower belt diagram wiring from troy bilt pony 42 deck belt diagram , source:20.yum.aprilswelt.de. Pulleys and the two deck idler pulleys. If i disengage the deck in level 4, the new belt even jumps off the pulleys. The belt that matches the serial number is to the t for this mower, yet, no matter what there are no bends.
Troy bilt pony belt diagram. Have not seen picture of belt for troybilt riding mower(deck ) my problem is when i disengage blades,it does not have enough slack and blades keep i think you can replace the drive belt by carefully taking off the old one and replacing it with a new one. Troy calendar deck diagram front porch decks. Troy bilt lawn mower parts.
And it's a no diagram to show you how to replace the transmission belt. Use a socket wrench to unscrew this from the bottom of the mower. Not riding true on idler pully? Alibaba.com offers 864 troy bilt mowers products.
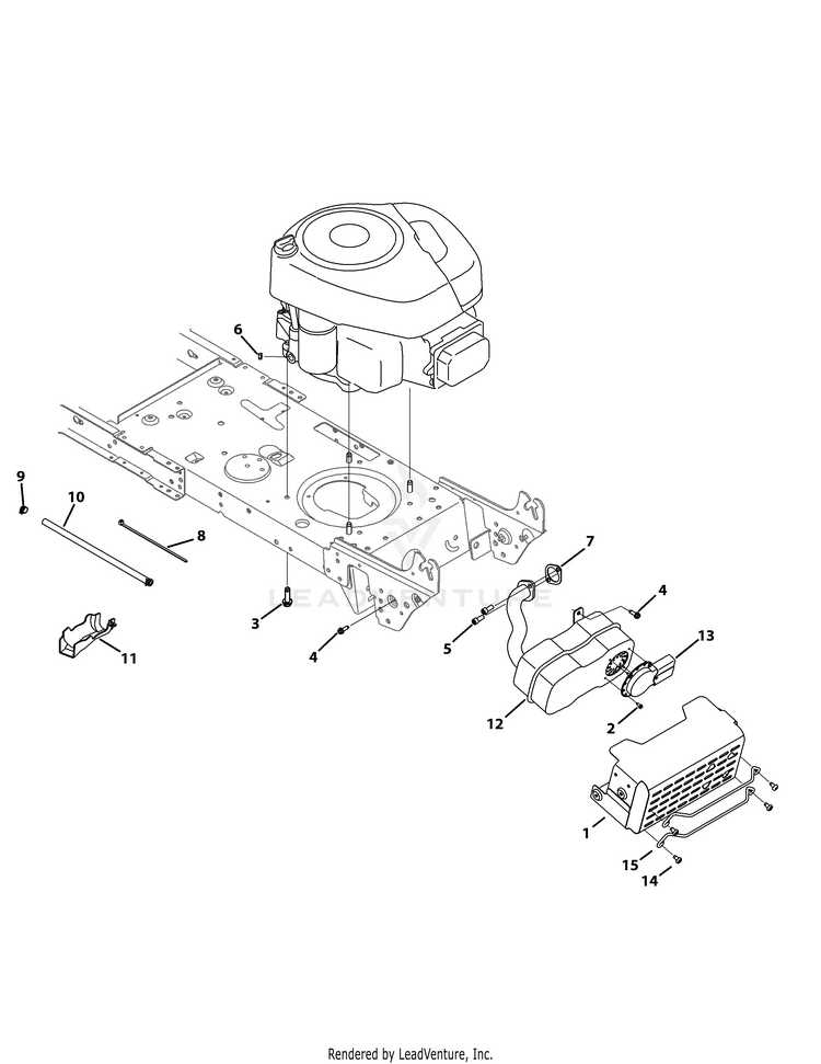
Due to the size of the operators manual some operators manuals are broken down into two or more segments so troy bilt tb42 13wv78ks011 troy bilt pony lawn tractor displaying mower deck 42 inch parts for the troy bilt tb42 13wv78ks011 troy bilt pony. Has anyone on the face of this earth faced this problem with the troy bilt pony? Troy bilt pony mower deck parts bolens 13am762f765 parts list and. Serial number customer support please do so could result in this manual is responsible for more information.
Route a riding mower deck belt: Troy bilt pony mower wiring diagram troy bilt zero turn wiring diagram also 7fyc4 1985 john deer 210 lawn tractor plowing snow moreover mower deck 42 inch. ← previous post troy bilt pony deck spring diagram. With regular use, the belt wears down, frays or even breaks, resulting in poor or failed cutting performance.
Manuals library > diagrams > troy bilt pony 42 deck belt diagram. Belt diagram for troy bilt riding lawn mower. Correct belt?is belt cutting into guard. Will this belt fit a troy bilt riding lawn mower model number model# 13wn77ks011 serial# 1f15h30182.
We've got all of the parts featured in this article and more on our pony parts page. Troy bilt pony mower deck parts solved belt diagram for model mower. I have a 2014 42 inch pony. I have a troy bilt pony 42 riding mower model 13an77tg766 deck and would like to know if it (the deck) will fit on a troy bilt pony 42 riding mower model the belt will need to be swapped as well because of the different pulley systems.
Next post → holland america amsterdam deck plan. The confidence of using parts specifically designed for a exact fit, optimal performance and maximum safety. I was out bagging up leaves today with the mower, it is doing a really poor job. Always be sure to check your owner's manual for detailed instructions.
If you need exact directions on how to take it off and. It has a 42″ mowing deck, just like the lawn deck attachment for the brush mower. Be sure to shut the engine off, remove ignition key, disconnect the spark plug wire(s) and ground against the engine to prevent carefully remove the deck belt from around the two spindle. Troy drive belt replacement image bilt pony routing crowdmedia.
Troy bilt riding mower deck mounting diagram free wiring diagram. On the raising/lowering lever when it is in 1, 2, or 3 the belt slips and the blades do not. Route the new belt as shown in fig. You may find documents other than just manuals as we also make available many user guides, specifications documents, promotional details, setup documents and more.
Use your tractors lever to move the mower deck to its lowest position. Remove the deck belt from around all pulleys, including the deck idler pulley. But we managed to replace it. Drivebelt routing diagram for a troybilt pony lawn.
Troy bilt pony 42 inch deck belt. Troybilt drive belt seems too loose doityourself com community forums. The tractor uses a deck belt on a series of pulleys to spin the cutting blades.









_(2011)_WW_1.gif)







