Troy Bilt Hydrostatic Drive Belt Diagram
How do i get it back on ?
Troy bilt hydrostatic drive belt diagram. The loss of hydrostatic drive line power may result in the loss of hydrostatic braking capability. Tc2ps 2 b for softail models with standard cable clutch, 2007 up. The easist way is to loosen the alternator slide the alternator down then slide the belt where it should go then pull up on the. Using a 1 in wide heavy duty scraper with 12 long handle bent tabs out, replaced belt ,bent tabs back done in less than 5 mins.
For all those who are wondering what is a hydrostatic transmission and how does it work, wheelzine has the answers for you. Some cleaning solvents are flammable. Tc2pb 2 b satin black finish. Release the belt from the pulley keepers by lifting up on the center section of the pulley while lifting the belt upwards.
The confidence of using parts specifically designed for a exact fit, optimal performance and maximum safety. Question about troy bilt 22hp hydrostatic 46 riding mower. A wide variety of troy bilt parts options are available to you ··· red gear drive lawn garden tractors china hot selling mini farm machinery petrol hand tractor with low prices troy belt tiller. [back to top] installing the new belts.
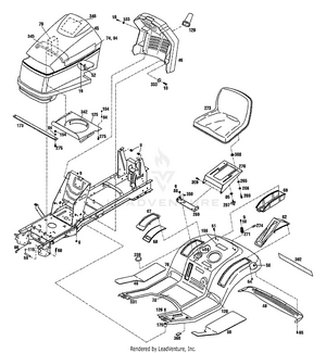
You will find the diagram on the left side of the deck as you sit on tractor by left foot. Troybilt horse riding lawn tractor drive belt replacement. How to rebuild a tuff torq hydrostatic transmission. Select the model and year, then browse the parts diagrams to find the add to cart when you're ready to purchase and we'll ship it to you as soon as possible!
We tell you about you the benefits and drawbacks of a hydrostatic transmission. Tilling soil creates a tremendous amount of stress and strain on the transmission components of rototillers; A hydrostatic transmission is desirable because it causes no disruption in engine power. My new troy bilt super bronco must need a transmission belt as i can see it is.
Can't find a routing diagram for the drive (transmission) belt anywhere. I called troybilt to make sure the replacement belt was correct. Alibaba.com offers 259 troy bilt parts products. American quality you can trust.
Have not seen picture of belt for troybilt riding mower(deck ) my problem is when i disengage blades,it does not have enough slack and blades keep turning. Exmark drive belt diagram exmark hydraulic drive belts, transaxle drive belts, & hydrostatic drive belts for exmark lazer z, vantage, metro, pioneer, quest, radius, & more. The belt will need to be adjusted after the first two hours of use on a new unit and every 10 hours. Use a wrench to loosen one bolt, then use the wrench to remove the second bolt.
Use extreme caution while inspecting the drive belt assembly and all vehicle linkage! Changing the transmission drive belts. Featherlite weed eater not getting gas. Tc2bh 2 c 2 open belt drive, 2014 up touring with hydraulic clutch, chrome finish.
Need murray model number for hydrostatic 46 deck 16hp mower. The diagram(s) below can help you find the right part. Draw a diagram of how the belt routes around the pulleys on the mower deck. Troy bilt rototillers are very versatile yard machines designed to perform the difficult task of tilling soil with ease.
2014 troybilt 46 hydrostatic drive belt came off front pulley. Protect your hands by using heavy gloves when grasping blades and pulleys. Ev2ph b17, for 2017 touring models. Need a quick reference guide on diagram of belt drive for a l120 john deere lawn mower.
Displaying sections and components for the troy. We also have installation guides, diagrams and manuals to help you along here are the repair parts and diagrams for your troybilt 01919 portable generator. Shut the engine off and remove ignition key before removing the cutting blade(s) for sharpening or replacement. Troy bilt bronco drive belt part1.
Rotate the rod out of the way. All riding lawn mowers that are propelled by a belt drive system need periodic maintenance. Picture of belt diagram for troy bilt pony? • grasp the ratchet's handle and pivot it toward the tractor's right side to relieve tension on the belt.
To view the parts diagram, please login or sign up. 13an77kg011 pony (2008) drive assembly. Replacement troy bilt drive belt (model specific).
_(2008)_WW_1.gif)







_(2009)_WW_1.gif)








