Troy Bilt 13yx79kt011 Belt Diagram
For the long run, where does.
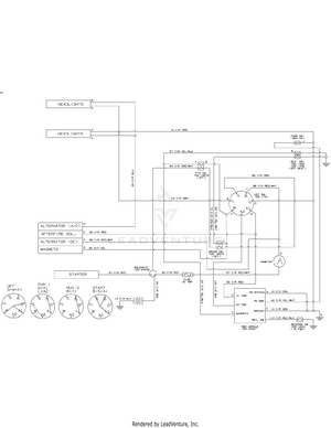
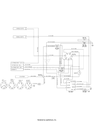
Troy bilt 13yx79kt011 belt diagram. The diagram(s) below can help you find the right part. I did call another troy bilt service center yesterday to see if they can fix the mower. I have a troy bilt zero turn mower. Hydro drive belt has flipped loose on model 13yx79kt011 after five minutes of use.
Use our part lists, interactive diagrams, accessories and expert repair advice to make your repairs easy. Fits troy bilt horse 13bx79kt211 13wx79kt011 13wx79kt066 mower 46. I have a old troy bilt super tomahawk chipper shredder. A few weeks ago, i had stopped the blade and when i pull up the knob the blade would not engage.
Find riding lawn mower blades, belts, cables and more to repair your unit as needed. 777d19272 label troybilt red $3.26. The top countries of supplier is china, from which the. Its been a great machine, but its getting all but impossible to find parts.
- 2003 Ford Expedition Wiring Diagram
- How To Wire A 30 Amp Rv Plug
- Craftsman Gt5000 Drive Belt Replacement
Always be sure to check your owner's manual for detailed instructions. Does anyone know what size belt it is so i can at least find an off brand replacement? There should be a diagram demonstrating the location of these adjuster. Here are the repair parts and diagrams for your troybilt 13wx79kt011 tractor.
13.0 11.0 8.0 x = 30 y = 63. 190 2.11 2.00 1.90 1.79 1.70 1.61 1.52 1.44 1.36 1.27 1.19 1.12 1.06 1.00. Need to fix your 13wx79kt011 (horse) (2010) lawn tractor? Make sure this fits by entering your model number.
They are charging me $46 just to come pick the mower up so the drain continues. Operator's manual, fast start manual. Free shipping on parts orders over $45. If you'd like help, we invite you to call our customer service number at the top of the page, or click chat.
Steering went out the first summer i mowed. Spindles and blades spin ok. Parts diagrams and manuals available. Horse xp (13yx79kt011) (2016) catalog search.
Shop the best selection of oem belts, blades, and engine parts for your riding lawn mower. 16.0 14.0 14.0 x = 60 y = 82. Bought mower (troy bilt model# 13yx79kt011) 12/15. I need to know where to reconnect the 2 ext.
How can i get it back in the right position? 22.0 19.0 18.0 x = 83 y = 113. Manufacturers, suppliers and others provide what you see here, and we have not verified it. 224 troy bilt tiller products are offered for sale by suppliers on alibaba.com, of which motorcycle fuel systems accounts for 1%, other farm machines accounts for 1 there are 2 suppliers who sells troy bilt tiller on alibaba.com, mainly located in asia.
Order you troy bilt blade spindle assembly kit from psep.biz where you will find low priced, quality replacements. Springs on the mower deck. 13.0 11.0 10.0 x = 45 y = 63. To view the parts diagram, please login or sign up.
Cable appears to be moving freely.

















