Poulan Chainsaw Carburetor Diagram
Poulan chainsaw fuel lines and carburetor repair.
Poulan chainsaw carburetor diagram. To ask our experts a. Poulan pro > chainsaws (146 models). Poulan chain saw instruction manual (20 pages). Carburetor repair kit walbro (wt324).
If you contact poulan customer service through their website, with the. We have the following poulan 2250 manuals available for free pdf download. Pouton, chain saw, operator's manual. Fuel lines replacement and routing for poulan/ craftsman chainsaw.
Need fuel line diagram poulan p4018 chainsaw. If the engine won't start when the tank is full of fresh fuel, test the carburetor by removing the air filter and pouring about a teaspoon of. The poulan carburetor is usually set correctly from the factory. Best reviews guide analyzes and compares all carburetor for poulan chainsaws of 2020.
- Ford 351w Firing Order Diagram
- 2000 Chevy Silverado Wiring Diagram Color Code
- 2007 Nissan Titan Fuse Diagram
Use our part lists, interactive diagrams, accessories and expert repair advice to make your repairs easy. Poulan chain saw operator's manual. **important*** run the saw at high speed for since poulan is still making chainsaws, there is no way to answer your question. The saw should start in this position.
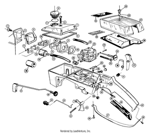
Previous next 1 / 34. Oem poulan parts diagrams to find poulan chainsaws repair parts quickly and easily. The carburetor mixes air and gas, which ignites in the cylinder to power the engine. Poulan chainsaw carburetor fuel line diagram.
This diy chainsaw repair guide explains how to replace a chainsaw carburetor. Discussion for the poulan 2375 type 6 gas chainsaw. Genuine poulan bar and chain oil is recommended to protect your unit against excessive wear from heat and friction. Your number one source for poulan chainsaw carburetors and parts 2 cycle!
The chainsaw started but it only keeps running on full choke., do you have a diagram of how the i have a poulan 3600 chainsaw. I have a poulan 336 gas chainsaw and had to replace the gas line. Need to fix your 2375 type 6 gas chain saw? Your dealer has thetraining,experience and toolsnecessary to properly adjust your saw to meet our.
Chainsaw poulan pro p3314ws parts list. Regularly cleaning and adjusting the carburetor on your chainsaw is necessary to keep it running for years to come. Is there a fuel line diagram or pictures step by step for a poulan p4018 chainsaw? The carburetor setup on a poulan p4018wt/802036 chainsaw has a very unique design.
Wednesday, may 16, 2012 5:11 pm. Poulan branded and poulan pro burgundy chainsaws have a 1 year warranty against manufacturer's defects when used for household purposes. I just installed a new carburetor on a poulan # 2175 and it will not run after the start up with the fuel bulb. Next, position the chainsaw on an even surface, keep things away.
It will start if if you put fuel in the carb. These points regulate high speed fuel intake, low. There are points, or screws, on a carburetor that can be adjusted to help an engine function more efficiently. It was given to me but the fuel lines are gone.
See trouble shooting chart before proceeding with carburetor adjustments. Block diagram of function generator. Begin adjusting the carburetor on a poulan chainsaw by undoing the retaining nut of the cover of the air filter by hand. Poulan chains saws run on a two cycle, or two stroke, engine.
Craftsman riding mower deck diagram. Mcculloch trim mac 210 parts diagram. The engine's fuel is regulated by a carburetor. Poulan pro chainsaws parts online from an oem poulan pro parts dealer.
We have the poulan chainsaw carburetors and parts 2 cycle you need, with fast shipping and great prices. Loading the chords for 'how to adjust poulan chainsaw carburetor'. The carburetor was modeled in fusion 360 completely from scratch and has all the components of a functioning carburetor. However, the adjustment may be necessary when the engine is running poorly, runs at high speed, or dies.
View and download poulan pro p3314 instruction manual online. How long is the warranty?








_WW_1.gif)



