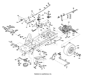
Peerless 700 Transmission Parts Diagram
Peerless offers a broad selection of transmission solutions to the outdoor power equipment market.
Peerless 700 transmission parts diagram. We have the most complete inventory of performance transmission parts for ford, gm and dodge than you'll find anywhere else. Select a page from the stihl ts 700 disc cutter (ts 700) exploaded view parts diagram to find and buy spares for this machine. You usually find the 700r4 transmission in gm cars like the chevy blazer, suburban, camaro, corvette check the wirings diagram and make sure the switch is working correctly and make sure you get. Shop tecumseh peerless transmissions, repair & renew your engine with our reliable parts.
If you are unsure of the part number you need the. Tecumseh is one of the oldest and best known small engine brands anywhere. This manual covers all tecumseh peerless® gear products as follows: The model 700c features an the 700c incorporates spun rivet construction, push pin double lock capability and nickel finish.
Taken off of a running mower that i purchased for the deck.9 spline replaces oem⦁ bobcat 4127203⦁ exmark peerless transmission parts and gears case brokeextra parts $15text. Auto repair tips from the experts of the road. On this page, you can also find any manuals. Allison transmission was formed by james a.
- 2003 Ford F250 Stereo Wiring Diagram
- 2011 Chrysler Town And Country Fuse Box Diagram
- 2007 Ford Edge Power Steering Belt Replacement
This manual covers all tecumseh peerless. Initially, the company produced racing cars, designed aircraft engines and produced parts for them, and later introduced the world to powerful. This is a new part never installed. Allison transmission parts catalog pdf.
Peerless 794505 peerless transmission parts at jack's peerless transmission parts peerless transmission parts: Unfollow peerless 700 a transmission to stop getting updates on your ebay feed. 100 series statements in this manual preceded by. Allison transmission ht, htb, clt, clbt 700 series service manual pdf.pdf.
It is easy and free. Free peerless 700 transmission graphics for creativity and artistic fun. Manuals, instructions and schemes, diagrams. Transmission to run external equipment.
Allison back in 1915 in indianapolis, indiana. All formats available for pc, mac, ebook readers and other mobile devices. General tecumseh/peerless makes power transmission gear drives for use in all types of lawn and garden examine all parts after removing grease with cleaning solvent. Brand new transmissions & parts.
Peerless 700 transmission parts diagram. Information about rebuild 4l60e (700r4) transmission. The oil seal to switch from grease to gear oil as well as sprockets and other performance parts can be tecumseh peerless transmission repair. Tecumseh / peerless units 1.
Tecumseh peerless transmission and drive products 915940 series transaxles 920 series transaxles. Click your tecumseh model number from the list below to view a printable parts diagram. The model 700c is national institute of. The peerless 700 has a big advantage over a transaxle since you have more flexibility in the axle, hubs and sprockets you can use.
Up for sale is a new oem tecumseh peerless transmission 786062a chain. You'll receive email and feed alerts when new items arrive. Avoid car repair and service scams. These graphics are part of our extensive collection of stamps, glitters, icons, stickers and cliparts.
Peerless builds we also have installation guides, diagrams and manuals to help you along the way! Upload custom graphics here to use in the free blingee online photo editor, and create art on your favorite topics. Allison transmission service manuals pdf, spare parts catalog, fault codes and wiring diagrams. The diagram(s) below can help you find the right part.
Axle has snap ring grooves. Pictures of transmission wiring harness diagram throughout. Download peerless transmission 700 032 parts for free. If you'd like help, we invite you to call our customer service number at the top of the page, or click chat.
Your question may be answered by sellers, manufacturers, or customers who purchased this item, who are all part of the amazon community. Trans parts online 700 transmission. The team at diy spare parts is continuing to work around the clock to fulfil its customers' orders wherever possible. 4l60e transmission rebuild tips and guides.
I have replaced the i need help finding parts manual or peeerless oil and baffle? Our network of 15,000+ dealers in the us, canada and the european union are experts at providing service maintenance and spare parts for your peerless transmission. Find peerless transmission in garden items for sale. The diagram will open as a pdf file in a new window.
Tecumseh parts for small engines and peerless transmissions. The classic design is new and improved. Complete exploded views of all the major manufacturers. Peerless 700 transmission rebuild kit.
















