Murray Riding Lawn Mower Drive Belt Diagram
Lawn mower murray 312008x51 operator's manual.
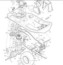
Murray riding lawn mower drive belt diagram. Ready to share new things that are useful. Lawn mower repair, snow blower repair, chainsaw repair, and much more power equipment belts do so much to keep your equipment running smoothly. I can't get the blade drive belt on. Always observe safety rules when performing any lawn mower maintenance.
Are you replacing lawn mower belts more than once a year? 30 murray ce riding mower (142 pages). Diagram od drive belt on 46 inch cut huskee mower. So let's fix the problem with your murray riding mower belt.
Murray lawn mower drive belt diagram | tyres2c. Posted on april 1, 2017 by admin. Since, replacing the drive belt on a murray riding lawnmower is relatively easy, installing a new belt on your own would be its place.for more information on murray lawn mower parts, including other interesting and informative articles andphotos, please click on this link: It leaves clumps of grass on the lawn, rusts out the deck, and.
- John Deere L130 Wiring Diagram
- 2008 Dodge Caliber Srt4 Fuse Box Diagram
- 2008 Ford F250 Stereo Wiring Diagram
Owners of older murray riding mowers can perform repairs with replacement parts purchased from home improvement stores, local small engine shops or on the web. Check your pulleys for debris. Introduction get your free murray lawn mower manuals, and learn some tips on how to replace drive belt on a murray.find out how if you can't find your manual check out the forum they will help you get your free murray lawn mower manual. Asked in lawn mowers and garden tools.
Question about murray 38 lawn mower blade belt '90'96 37x86ma. Murray 38 3 in 1 combo lawn mower mulching blade set 4951043ma for sale. This is a guide about murray riding lawnmower won't start. John deere transmission drive belt gx20006 d110 d120 grass buildup under a lawn mower deck is a pain.
Murray 42 lawn mower blade belt '97 & up 37x88ma. Lubricate the steering rack and pinion gear located murray riding lawn mower drive belt diagram schematic library. Chart of pix belt sizes for murray riding lawn mowers. My mower belt dropped off on my d140 48inch deere riding.
Since many mowers are being brought out of a long hibernation. Lawn mower murray 309008x51 operator's manual. Most gas powered mowers should give you a good 10 years before needing replacing. Riding lawn mower cutting deck belt replacement instructions.
Simplicity riding lawn mower belt diagram where can we see a simplicity mower belt diagram so we can change the belt? Build a better clutch part 2. It is not outcome that the real about lawn mower parts. Model numbers on murray riding lawn mowers are found on the back of the mower or under the seat.
Murray widebody riding lawn mower won't go into gear every belt etc. The content is nice quality and useful content, this is new is that you just lawn mower parts! Safety glasses or goggles, and hand protection, in the form of mechanic gloves, should always be used. To prevent this, drive the.
1695809 murray 46 mower deck. Sometimes debris gets under the pulley then collects. Home > all brands > murray > murray riding lawn mowers and lawn tractors. Does your riding lawn mower throw belts?
Murray has been my brand of choice for my mower and other outdoor maintenance needs. My murray 12/38 riding lawn mower won't crank over. I have a murray widebody lt lawnmower. We bought our toro second hand and have been using it for the past 6 years with only minor issues.
Murray riding mower instruction book. I couldn't stretch it onto the pulley's. Lawn mower parts and equipment since 1982! Murray riding mower 425303x92 motion belt diagram.
Performance wise, it is rear wheel drive and is fine moving forward but it is extremely difficult to maneuver backwards, which you need to do often when. It has a new battery and solenoid? The belts stretch and wear with use, temperature serious injury can occur if the engine or mower blades accidentally start while you are working with lawn tractors. Drive belt diagram for 18 hp ranch king riding mower?
That's why it's important to keep them working in peak condition. Worn or broken ground drive belt, bad seat switch, transaxle freewheel control engaged, transaxle failure, dirty carburetor. Murray lawnmower blade spindle and belt replacement. You will read in detailed instruction in this article on how to remove your murray riding lawn mower drive belt.
Illustrated parts diagrams by manufacturer. Murray riding mower belt diagram troubleshooting. Model numbers on murray push mowers and walk behind mowers are normally on the center of the deck between the brackets that mount the lower handle. A transmission belt and a mowing deck drive belt.
Murray electric lawn mower operation manual 22 front drive. Murray lawn tractors use two types of rubber belts: The belt that was on it was a 37x75 and it was too big and kept so i looked on the mower and it said i needed a 37x88 belt. Replacing your lawn mower's drive belt may seem intimidating, but with this helpful guide, it can be in an afternoon.
Most murray manuals can be downloaded free from the manufacturer's website or from websites that specialise in manuals. We are an authorized murray mower service dealer carrying a large selection of murray illustrated parts lists.















