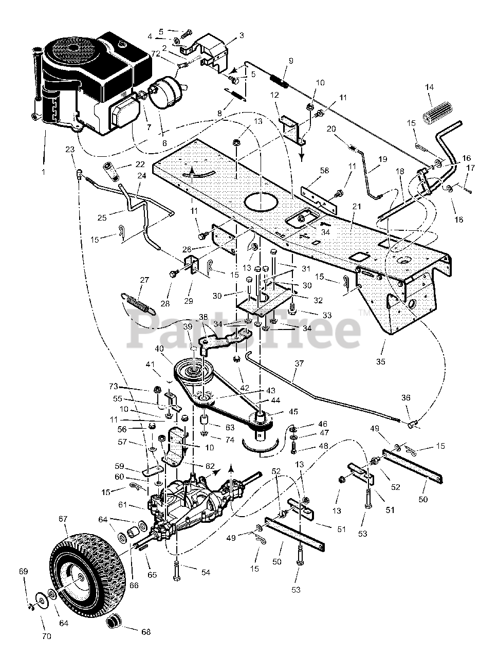
Murray Lawn Mower Transmission Diagram
The belts stretch and wear with use, temperature changes and time.
Murray lawn mower transmission diagram. Began to run slower and i had to back up some. Most still carry a substantial warranty. Husqvarna yth150 lawn and garden tractor. Almost everyone has visions of waking up in their own home in the suburbs on a saturday and running out to play catch with the kids or hosting a neighborhood barbeque.
Lawn mower murray 201013x51a instruction book. Free manuals for all murray lawn mowers and fixes. Go have fun. lawn and garden equipment. Wiring diagram murray lawn mower model 289707.
It has a new battery and solenoid? My 1995 14 horse, 42 inch cut murray has been a good mower all these years. You should annually check the transmission and mowing deck drive belts for cracking and stretching. Repair parts for the engine or the transmission are available from the manufacturer's authorized service center found in the yellow pages of the telephone directory.
- Battery In Trunk Wiring Diagram
- 2009 Ford Mustang Fuse Box Diagram
- Tft Reversing Camera Wiring Diagram
I will keep adding more tips to keep your murray running. Use our part lists, interactive diagrams, accessories and expert repair advice to make your repairs you said my part number for my murray briggs and stratton lawn mower gas cap was: It is your responsibility to do your due diligence in research and making your own decisions about. There are two types of these transmissions used in lawn & garden equipment, hydrostatic enclosed single and hydrostatic enclosed dual.
I recently got a murray lawn tractor from a man who had it sitting in his backyard for 8 years. Mtd, murray, briggs and stra. I got it to run, and decided to see if it moved. Used it 3 times and went to use for the fourth time and it will not start.
Model numbers on murray riding lawn mowers are found on the back of the mower or under the seat. 1224 x 1584 png 37 кб. Find the user manual you need for your lawn and garden product and more at manualsonline. This is my blog so visit it from time to time.
Then a few seasons back the trans. Changing the oil in a murray lawn mower is the same as with any other mower. It had four flat tires. Ok murray guys, i think we finally have all this figured out.
I bought a murray 21 push lawn mower from walmart on may 6, 2019. Enjoy the videos and music you love, upload original content, and share it all with friends, family, and the world. Is this the model number off the engine or the chassie? It is important to adjust the carb on your 1996 murray 12 hp riding lawn mower from time to time.
I have a tecumseh 20/42 murray riding lawn mower that won't start. I accept no responsibility for your action. 1977 murray built sears st 10 yard and garden tractor 1984 murray 39004 garden tractor 1999 murray 46500 lawn tractor 1969 huffy caprice 7hpbriggs/32 rider (i have two of these mowers) 2002 murray 12.5/40 rider 1985 murray. Murray uses either a briggs and stratton engine or a tecumseh engine to power its lawn mowers.
One million parts for 118 brands. I have a lot of tips for doing lots of different repairs for the murray lawn mowers. I ordered two of them and they did not fit. Lawn mower murray 20656x31a owner's information.
How do you change the clutch spring on a murray riding lawn mower? It used to go in forward and reverse! The inside of a smaller lawn mower hydrostatic. Model numbers on murray push mowers and walk behind mowers are normally on the center of the deck between the brackets that mount the lower handle.
Shop for appliance parts, lawn mower parts and vacuum cleaner parts. Murray lawn tractors use two types of rubber belts: Asked in lawn mowers and garden tools, diy projects. I have replaced one of the coils because of no spark, rebuilt the carbs, and replaced all the fuel lines.
When you pull, it sounds like something is grinding in the motor. If the instructions aren't followed, the result could be death or proper shifting of the transmission and could damage the unit. You need to start with a warm engine, and adjust the screws to make them. Thousands of parts for most makes and models of snowblowers and snowthrowers as well as lawn mowers.
How a lawn mower transaxle works. Murray > lawn & garden tractors (721 models). Home ownership is a central component of the american dream. My murray 12/38 riding lawn mower won't crank over.
Murray lawn mowers require regular inspection, which is the case with any kind of machinery. The most common transmission for lawn tractors today is an internal pump and motor drive system called the hydrostatic transmission. This manual before you begin working on your spicer. I own an old murray riding mower so i do a lot of fixes.
Murray lawn mower partsmurray, now a subsidiary of briggs and stratton is one of the leading manufacturers of quality residential aswell as commercial lawn mowers who are well known among consumers for their widespread availability, aftersales service and support programs. A transmission belt and a mowing deck drive belt. I have a hydrostatic murry lawn mower! The diagram(s) below can help you find the right part.







_WW_1.gif)

_WW_1.gif)








