Murray Drive Belt Diagram
I need drive belt diagram for murray rear drive riding mower model number 30550x92a.
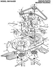
Murray drive belt diagram. More ordering options for murray belts at the bottom of the size chart. 3/4 bore driven pulley 7 diameter, comet #219456. The diagram should be on a label on the deck or on the rear of the mower. Get diagram of how to install your murray lawnmower belt.
To remove the motion drive belt from the stack pulley, pull the. Need belt diagram for a murray rt6000x92a. Looking for a belt, motion drive,,, part no 37x61 can you help me. Serpentine and timing belt diagrams.
Tc2bh 2 c 2 open belt drive, 2014 up touring with hydraulic clutch, chrome finish. Works with models from 1990 and newer. Kevlar cords for durability and high horsepower demands. Ev2ph b17, for 2017 touring models.
- 2001 Nissan Sentra Fuse Diagram
- Poulan Pro Leaf Blower Fuel Line Replacement
- Gm 5 Pin Power Window Switch Wiring Diagram
Pulled pins, dropped the cutting deck, and moved it out of the way. Murray 37x57ma blade drive belt for lawn mowers. Which murray do you have???their's not but about 70 or 80 of them>what's the model & spec say,under the seat or near the trailer hitch?what size cut is it? Get the best deal for murray lawnmower belts from the largest online selection at ebay.com.
If it is gone, then your local mower repair shop can probably print you one out for a small fee. What is the complete model and serial number of your machine? Thanks for watching, comment ,rate and subscribe!. Use our manuals search tool to find your operator's manual to find parts or perform routine if you know the model number of your murray product, enter it in the search window below to locate operator's manuals, illustrated parts lists and.
Murray belts available online and ready to ship direct to your door from an authorized murray dealer. They usually show the routing in the owners and/or parts section. When you hop on your murray lawn tractor to mow the lawn and find that the machine moves more slowly than normal, stops moving at all or refuses to move in the first place when the clutch is engaged, you're probably looking at a problem with the motion drive belt. Murray belts find murray belts by oem part number in the belt parts list below.
Belt diagram lawn mower cut dca4cd40 91ef 471b 9b82 3cfa848edeea jpg graphic murray lawn mower belt can you please give me a simple deck drive diagram for image is loading cutter deck drive belt murray amp hayter dc1240. Fits 38 deck lawn tractors. For murray and craftsman riding mowers. Discussion in 'murray' started by kevsmif80, apr 19, 2010.
3/4 driver pulley manco #5957, comet number 203814 or 219552. Thanks to all of my googlers you. Replaces murray 37 x 22. Way late fixed this a long time ago but the issue was i put the belt on wrong and it caused the clutch to act as a gas peddle.
Find many great new & used options and get the best deals for murray (a87)primary drive belt 37x114 & secondary drive belt 37x115 at the best online prices at ebay! Looking for support of your murray mower or garden tools? Murray drive belt diagram manualmurray m2510 manual pdf. Products 1 — 48 of 48 murray lawn mower 22″ front drive.
I looked at the diagram as i put it on correct and it worked fine. Murray 12.5 hp riding mower manual. This replacement motion drive belt is used with murray riding lawn mowers/tractors. I dropped the deck and replaced the belt, and now after it is all put back together the.
For the talk.southern offroad mowers on facebook join the experience!! American quality you can trust. Murray 2008 42 425007/92b ja: Followed diagram on the belt package for.
Posted on april 1, 2017 by admin. Front end of the belt under the stack pulley and then back. Are you i have a 2004 murray riding lawn mower and the drive belt recently broke. Craftsman and murray snowblower snowthrower drive belt 579932 / 579932ma.
The 4l wrapped belts are specially constructed for machines with a clutch function. Oem new drive belt 760928ma 37x132 murray sears craftsman snow blower thrower. Fits multiple models of murray and craftsman riding mowers. And back idler pulleys often associated with outdoor power equipment.
Can anyone show me a diagram of how to replace the drive belt on a 42 inch deck on a john deere lx255 mowingriding mower. Drive belt diagram for a murray 42590x92a? If you have the murray numbers, you should be able to go to www.murray.com and download the manual for it.














