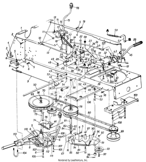
Mtd Yard Machine 46 Belt Diagram
Mtd yard machines 46 cut riding mower deck belt installation.
Mtd yard machine 46 belt diagram. How to install harbor breeze ceiling fan. Diagram of how to put the blade belt on my yardman 42' riding lawnmower i can& #39;t yard machine riding mower belt diagram. Diagram of belt routing 46'mtd mower [ 0 answers ]. Mtd yard machines y28 manual online:
Mtd riding mowers give you the power to care for your yard easily and efficiently. Mtd yard machine replacement parts myshoponlinestechie info. Belt diagram for 46 mtd yard machine riding mower belt diagram for 46 mtd. Murray lawn mower deck parts diagram.
Mtd is the worlds largest builder of lawn & garden equipment, they make many to replace the belt on a yard machine 521 mtd 3.5 hp edger one must obtain the proper tools, the proper parts. Mtd yard machine drive belt diagram inch deck belt diagram mower. Deck belt for mtd lawn tractors 2006 and after is perfectly suitable for your machine to run at peak level. Find riding lawn mower blades, belts, cables and more to repair your unit as needed.
- 99 Ford Taurus Fuse Box Diagram
- 2003 Blazer Radio Wiring Diagram
- Craftsman Lawn Mower Throttle Assembly Diagram
How to replace a deck belt on a mtd riding mower by steven diggs jr. Mtd yard machines parts diagrams. Mtd yard machines exploded view parts lookup by model. Fits 46 mtd side discharge deck tractors, 2010 & after, for listed manufacturers manufactures:
Yard machines lawn mower belt parts shop online or call 800 269 2609. You can find the belt diagram for the mtd yard machine mower in the mtd owner manual. Mtd yard machine snow throwers are versatile machines, capable of removing snow at a very fast pace in almost any weather conditions. 1989 mtd /mastercraft riding mower, 46 deck.
Get tips on changing a mower deck belt from mtd route a riding mower deck belt. I had purchased a mtd yard machine 18/46 from a guy here in town for $50 brought it home put a carb kit on and it fired right up so no problems with the. Mtd's family of brands offers a range of lawn and garden products to inspire people all over the world to care for and enjoy the outdoors. Yard machines riding mower belt diagram.
State machine yard plugin for automated documentation. Keep your yard machine up and running with this mtd riding mower drive belt. The front drive belt is slipping on the front pulley coming off. Belt diagram 42inch mtd yardmachine?
Not finding what you're looking for? A yard machine is made by mtd,if you have a computer you can do a google search on your yardmachine model to get diagram. A friend of mine broke the front drive belt on her mtd yard machine model 136l660f372 serial 1a256b90009. Mtd yard machines reviews with ratings help you make the best yard machines for your needs.
The diagram is on page 21. Complete exploded views of all the major manufacturers. I want the routing diagram if possible. Was in pieces, now i have the deck assembled , with the belt, and the tractor engine to axle belt installed.what connects the engine to deck?
Mtd 13an775s000 2012 mower deck 42 inch exploded view parts lookup by model. 5.0 out of 5 stars 2. You'll receive email and feed alerts when new items arrive. I have an mtd/yard machines lawn tractor and would like to obtain a copy of the electrical wiring diagram if it is available.
Or install it yourself as: I need the diagram for a mtd yardmachine 42 belt routing. Mtd genuine factory parts deck drive belt for 46 in. Get free shipping on qualified yard machines belts or buy online pick up in store today in the outdoors department.
Bewt diagram yard machine riding mower 38deck. I need a deck belt diagram for a ranch king ohv 20hp 46 deck lawn tractor. Wire diagram for a 2000 mtd yard machines mower.model number is ***** … read more. Most of the stress encountered by the machine has been designed to be absorbed by the auger belts, which will flex and twist accordingly.
Mtd yard machines 46 cut riding mower deck belt installation / replacement. I replaced the belt tried doing the adjustment as stated in manual.











_WW_1.gif)






_WW_1.gif)