Mercury Outboard Fuel Pump Diagram
Mercury outboard motors are leading in the industry and win almost all the speed tests, winning the hi there.
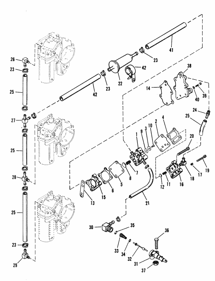
Mercury outboard fuel pump diagram. Fuel pumps on outboard motors work a little bit differently than they do on automobile engines. Mercury outboard fuel system parts [pdf, eng, 1.43 mb].pdf. Mercury 1 cylinder water pump repair kit with.456 inch internal diameter impeller years 1982 to 1986 us. Fuel pump rebuild kit for mercury mariner outboard.
Turn the ignition to the on position (do not turn the ignition to 'start) and wait a few seconds and. If you want a quote on a specific part fill out the info form and we will reply with. Refer to the powerhead section in factory service manual for diagram of bleed hose routing. This electric fuel pump is engineered by a recognized oem supplier utilizing the latest advancements in fuel delivery technology.
Disassemble the fuel pump and perform inspection of its components. I checked the continuity from the wiring harness to the pump and that checks out. Here is a diagram of the fuel pump. Fuel pump air hose, top f89758.
- 2007 Nissan Altima Stereo Wiring Diagram
- 2002 Ford Explorer Fuse Panel Diagram
- 2014 Ford Fusion Se Radio Wiring Diagram
Specifications maintenance general information outboard installation electrical ignition charging & starting system timing, synchronizing & adjusting wiring diagrams fuel system fuel pump carburetion fuel injection oil injection emissions powerhead cooling. Ask the experts on our mercury outboard parts forum for repair issues, diagnosing problems, links to diagrams, suggestions on buying parts and more. If the cylinder has a leak, the pump pulse signal will not be strong enough. Water will destroy any moving parts or motor especially on an outboard motor.
The relay is the only fuel related item that i saw in the diagram on both the interior fuse panel and under the hood. Outboard water pump kit for lower unit. The square components to the left are fuel pump components. Set ohmmeter on r x 1 scale for the following tests:
View and download mercury outboard motor user manual online. Replacement parts for mercury mariner motors. Select mercury outboard test model. Disassembly and inspect the mercury outboard's fuel pump components.
The outboard fuel pump has a sensitive diaphragm that receives a suction signal from a piston cylinder so the pump can deliver fuel. Why please help · mercury & mariner outboards. Full line of powerheads, gearcases and ignition parts. Mercury outboard parts catalogs by year, serial or model number.
Hfp replacement fuel pumps, modules, assemblies, and kit components are designed to meet or exceed oem specifications, and feature upgrades that improve on the oem design. Do not install an accessory electric. Electric fuel pump by airtex®. They can answer questions for any mercury outboard motor model or horsepower.
The horsepower variations were achieved by programming the engine management system for specific fuel and ignition mapping, and for electronically controlled boost. I'm looking for a wiring diagram for a mercury 75 hp 4 stroke s/n:0g982237 production year 2007 thank you. Mariner & mercury outboard motor service manual 1987 to 1993. Each hfp fuel pump and installation kit is backed by a lifetime free replacement warranty.
In a perfect world, we want to use 100 % fuel with no ethanol. We stock genuine mercury mariner parts as well as aftermarket replacements. The fuel you use, and how you treat it, can make a difference in your engine's performance. 2 and 4 stroke engines with 3.5 to 275 hp.
Wiring diagram for control boxes is located in section 2d. We also discount all our parts! Have a 1984 mercury 70 hp outboard the fuel connection on the motor has broke off does the whole fuel pump have to be replaced to fix this? I have already replaced the fuel pump, fuel filter, and the fuel pump relay switch.
Mercury outboard fuel pump kit. Mercury specializes in durable, lightweight outboard motors for every occasion and defender is proud to offer the quality that mercury outboard over the decades, mercury has built on its reputation as a leading outboard engine manufacturer and still holds records to prove its dependability, fuel. When you are looking for specific mercury marine part numbers, why pay the normal high prices for oem mercury. 79 outboard installation mercury marine validated engine mounting fuel ratings mercury marine engines will operate satisfactorily when using a major brand of unleaded gasoline fuel system accessory electric fuel pump important:


















