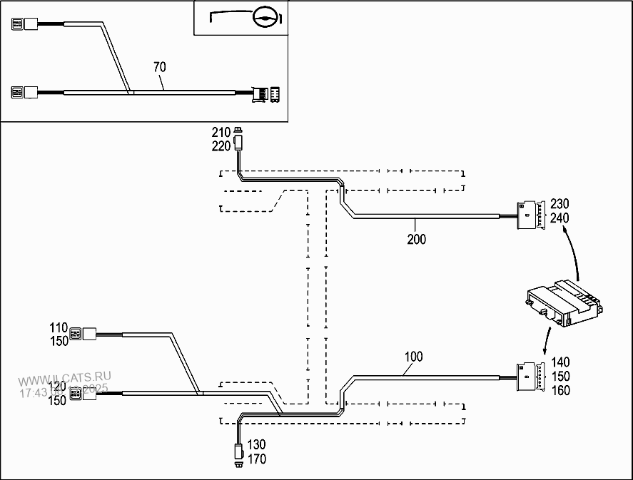
Mercedes Power Seat Wiring Diagram
The power seats can also be operated with the driver's or passenger door open.
Mercedes power seat wiring diagram. Power seat wiring diagram | 1996 honda civic dx engine diagram. Mercedes battery drain power seat module fix. This is an option to power the seat remotely if you can get to the wiring under the seat. I am looking for a wiring diagram for bucket seats (power, heated) for a 2001 chevy tahoe to go in a 68 stepside.… read more.
Electronic accelerator, first gear start relay, combination relay, power seat diode, exterior lamp, failure monitoring unit, convenience relay, seat belt warning relay, power seat relay, auxiliary fan relay, preresistor, headlamp washer relay, air. You'll receive email and feed alerts when new items arrive. It reveals the parts of the circuit as streamlined forms, and also the power as well as signal links between the devices. The diagram below is especially useful !
Power, ground, seat belt switch wire #1 and seat belt switch wire #2, possibly a 2nd ground for the seat belt switch but probably not. Mercedes benz 208d wiring diagram. A wiring diagram is a streamlined standard pictorial depiction of an electric circuit. W210 automatic transmission (ag) (engines 104, 111, 119, 604, 605) wiring diagram.
Search mercedes e500 fuse box diagram (wiring diagram). Power seat pinout diagrams needed w126 peachparts mercedes. So during my power seat swap, i rushed through clipping the wires into the plugs and into the seats/switches. The new car was designed based on the r121 platform (modification of the w121 sedan).
Nedd wire diagram for power seats. These are the features the seat has if that helps: Diagram power seat wiring questions answers with pictures. Mercedes 230 fuse box map.
The cadillac eldorado power seat wiring diagram can be obtained from most cadillac dealerships. The other 2 wires need to be attached to a power source like the cigarette lighter. I looked at the seat wiring diagram online and it's pretty much giberish to me. I need a wiring diagram for the power seats in a 2001 gmc yukon.
The car's power was 77 kw (105 hp at 5700. Search 2000 isuzu pick up wiring diagram (wiring diagram). Mercedes benz actros, atego, axor truck full fault codes list (bs, nr, ag). Remove this module from the car carefully this wiring diagram can be used for:
Use cable c45 + a6 adapter. I bought the newer e63 seats to replace my old ripped ones, but can't seem to does anyone have the sam front diagram for w205 please ? Iconic one pro theme | powered by wordpress. Fuse panel layout diagram parts:
This website uses cookies to improve your experience. Mercedes benz wiring diagram | free wiring diagram variety of mercedes benz wiring diagram. On the other hand, the wiring diagrams for the us model 300cd and 300td indicate that these models have only one power. Hope you can figure it out.
This will probably result in power being lost to the srs controller along with other fundamental modules. Unfollow seat wiring diagram to stop getting updates on your ebay feed. Can anyone help me find a decipherable wiring diagram for that plug? Searched the online wiring diagram but diagram 8 (which covers the power windows) seems to be missing.
I applied 12v @ 2amps to the power connector and grounded the negative but nothing happens, not even a click. I am looking for a wiring diagram for the seats out of a 2009 or 10 f150 platinum edition. I would appreciate if somebody provided me with a wiring diagram and/or pictures of the plugs and the wire designations.


















