John Deere Lx188 Drive Belt Diagram
Home » john deere » john deere tractor's & combines service repair manuals pdf.
John deere lx188 drive belt diagram. Order now and receive flat rate, speedy shipping. John deere tractors, combines & lawn mowers service repair manuals, spare parts catalogs and wiring diagrams. Secondary deck belt, john deere g100, gt225, gt235, 345 and lx277aws, 54 side discharge decks; Look in your owner's manual for the belt routing diagram.
L g belt routing guide. From the jd site, you can get the drive and deck belt diagrams here Vind fantastische aanbiedingen voor john deere lx188. I have a lx188 which i think is pretty close except for the engine.
There is a choice of 3 different sized mower decks that are compatible with the jd lx188; John deere 132 belt pickup with platform parts catalog.pdf. Deck drive belt is designed to replace your john deere riding mower drive belt. Has aprox 120 hours on it.
How to rebuild a tuff torq hydrostatic transmission. I have a john deere lx 188. John deere lx hood replacement. May 5, john deere gx75 belt replacement rx75 parts manual price wiring diagram free diagrams,john deere gx75 parts belt.
Prior to that, taryl uses his. Illustrated factory technical manual for john deere jd lawn tractors riding lawn equipment this manual contains high quality images, circuit diagrams, instructions to help you to language: Harley, taryl shows you how to replace the drive belt on a john deere lx 176,178,186 and 188 riding lawn mower. If you need to, make a diagram of the belt routing before you take the belt off.
Question about john deere starter tractor lx188 kawasaki engine. Sitting on the mower look on the left side of the deck, if there is a captive metal rod/arm release. Fully searchable and can be used on most smartphones, computers, tablets, and anything. The drive belt on the john deere lt160 is difficult to access as it is located behind the engine.
The john deere lx188 was a reasonably popular lawn mower, enjoying a production run that lasted 7 years from 1991 up until 1998 when production ceased. John deere lx172, lx173, lx176, lx178, lx186, lx188 tractor manual. Pull the deck out from under the mower and then remove the remainder of the belt form the lx 279 mower deck. I bought it used with no owners manual.
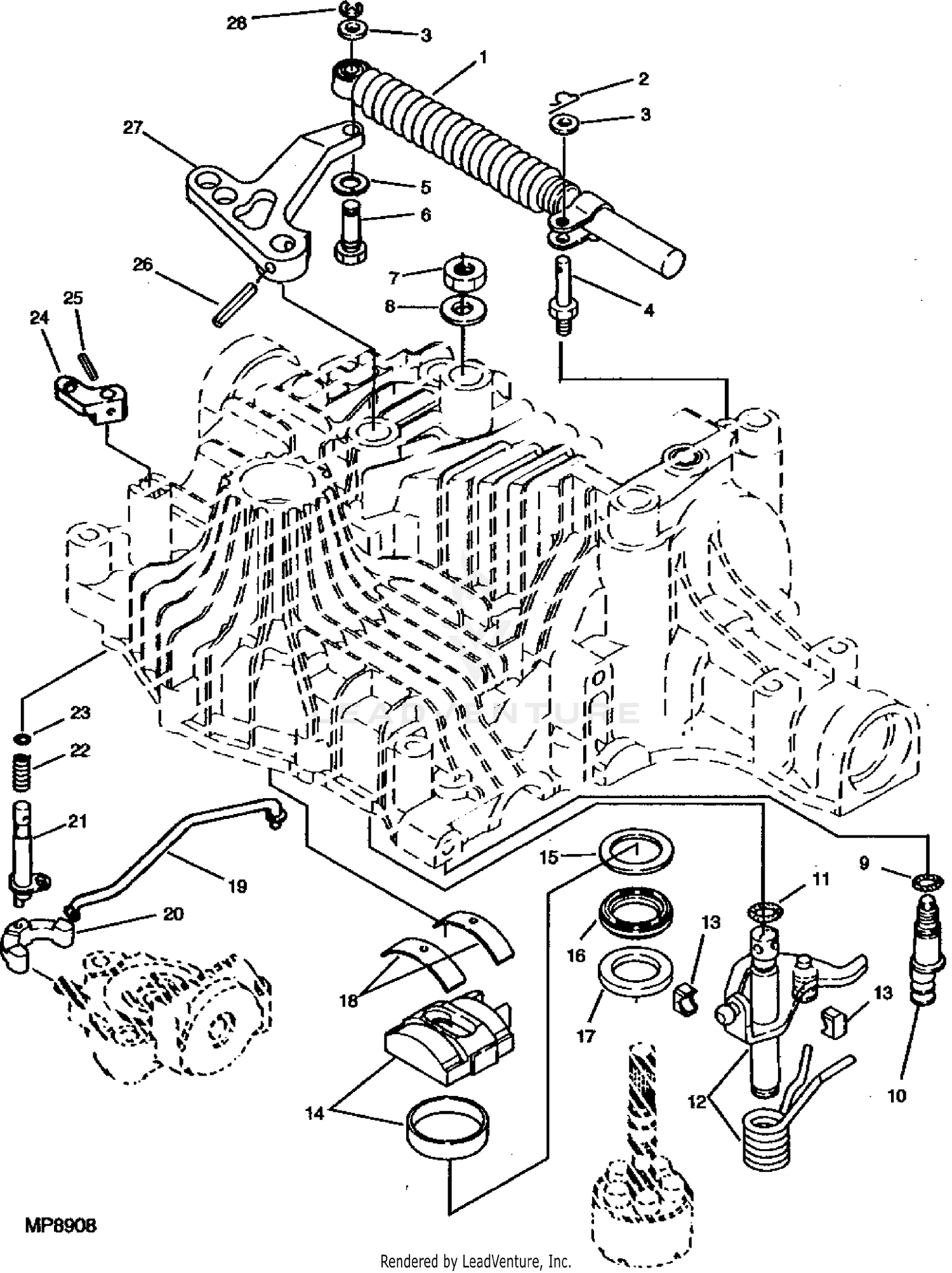
Trying to repair a friends lawn tractor and he has no manual. I had an lx188 and it was very sensitive to belt tension. Search part numbers and john deere parts diagrams to identify exactly what you need to keep your equipment running smoothly. This is a tm1492 technical repair manual for a john deere lx172, lx173, lx176, lx178, lx186, and lx188 lawn garden tractor.
Lx172 lx173 lx176 lx178 lx186 lx188. I need a diagram of how the belt should go and how to adjust the belt.… read more. John deere wiring schematic diagrams.pdf. John deere 132 belt pickup with platform parts catalog.
John deere lx172 lx176 lx178 lx186 amp lx188 lawn tractors. John deere lawn tractor parts. The smallest is a mower deck with a 38 inch cutting width. The john deere 185 drive belt diagram and instructions can be obtained from most john deere dealerships.
It is probably best to start by removing the mower deck so that you can get to the drive belt. Drive your john deere lx 279 onto stable flat ground, turn it off and set the parking brake. John deere lx 176 drive belt swap 1. Take care of all your john deer small engines replacements with quality aftermarket parts from psep.biz!
This is the same technical repair manual as the paperback but in pdf format. You probably need to remove the mower deck so you can more easily get under to take a look at it. I have a 1995 john deere ride on ,lx188 ,48 inch deck with a hydrostat trans. Hi i have to replace the drive belt on my john deere lx 176 , i have removed the old one , i have the tractor so i can access the bottom side.
Taking the mower deck off was pretty easy but putting it back on has me i have a lx178 john deere lawn tractor. I have installed a new drive belt. John deere 25 combine header transport frame parts catalog. Lx255, lx277, lx277aws, lx279, lx288.













