John Deere 48c Deck Parts Diagram
As an established blacksmith, he started a new life by making the deck of your lawn mower is basically a protective hood shaped both to house the mower's parts and keep debris from flying every which way.
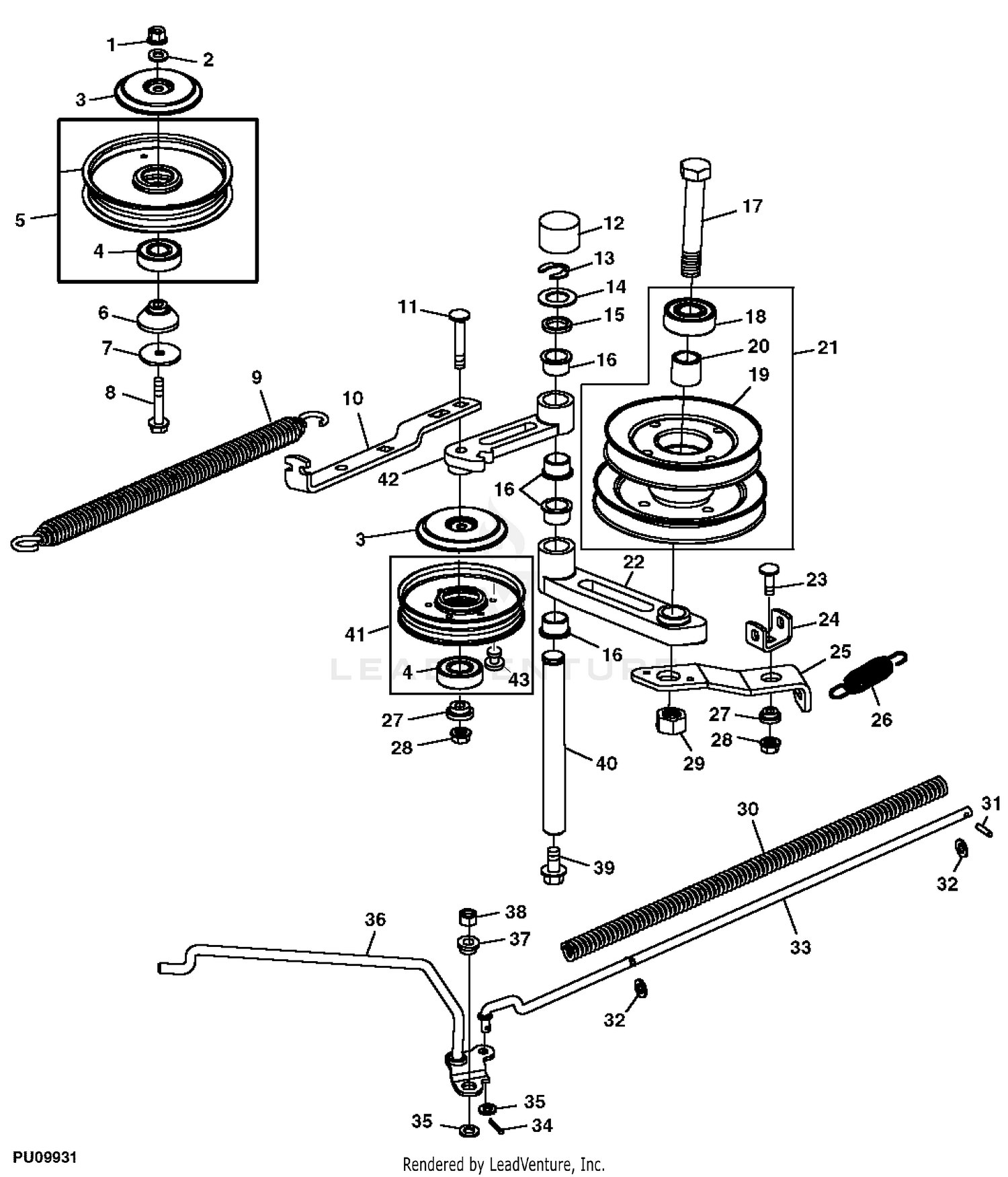
John deere 48c deck parts diagram. Parts lookup from jacks small engines. All the pulleys are good, is there a way to tighten the belt? Looking for john deere parts? John deere wiring schematic diagrams.pdf.
Search huge inventory of tractor parts, lawnmower parts, blower parts, engine parts and ship it today! The names cat, caterpillar, john deere, komatsu, volvo, hitachi, doosan, jcb, hyundai or any other original equipment manufacturers are registered trademarks of the respective original equipment. Offer valid at participating john deere dealers in the united states and johndeerestore.com. It all started when john deere moved from vermont to illinois.
My belt keeps coming off my l130a 48 deck. Parts shipped were for a jd 48 edge cut mower deck of s/n 150,000 and below. Click the part number below to view and order a part for your john deere 125 lawn tractor with 42 mower deck or search illustrated john deere 48 inch mower deck belt diagram john deere model m. Search our parts catalog, order parts online or contact your john deere dealer.
John deere tractors, combines & lawn mowers service repair manuals, wiring diagrams, fault codes list; John deere parts catalog download. 48 inch mower deck for john deere 145 lawn tractor | home john deere mower decks john deere the edge cutting system 48 inch. John deere d140 100 series 48 mower deck parts kit spindles blades belt idlers.
John deere remanufactured (reman) parts cut costs not quality with our remanufactured solutions. Searching for your john deere parts online has never been easier. The john deere dealer is the first line of customer parts service. John deere lawn mower parts.
Find parts & diagrams for your john deere equipment. If you know your part number, you can bypass the john. Use this short and simple video to learn how to properly level your 48c and 54c mower deck on john deere riding lawn mowers. The online john deere parts diagram is an incredible source.
You can change a john deere la 175 mower deck belt configuration by checking the diagrams and instructions in the owner's or manufacturer's manual basically. John deere 25 combine header transport frame parts catalog. John deere parts advisor catalog download diagrams parts dealer mower parts tractor. John deere parts catalog download.
John deere 132 belt pickup with platform parts catalog. Offer cannot be exchanged for cash, and no substitutions are permitted. John deere mower 48''deck from the jd site, you can get the drive and deck belt diagrams here: We have labeled, interactive, exploded diagrams of power equipment from many of the top manufacturers.
Select a letter above to just see the parts manufacturers starting with that letter. It shows you detailed pictures of every part of your machine. Offer can be redeemed in addition to any other qualifying john deere rewards discounts. Buy genuine oem john deere parts.
John deere stx38 black mower deck belt diagrambolens garden tractor page belt diagram. See participating john deere dealer for details. Search part numbers and john deere parts diagrams to identify exactly what you need to keep your equipment running smoothly.














