John Deere 4010 Pto Diagram
John deere compact utility tractor parts.
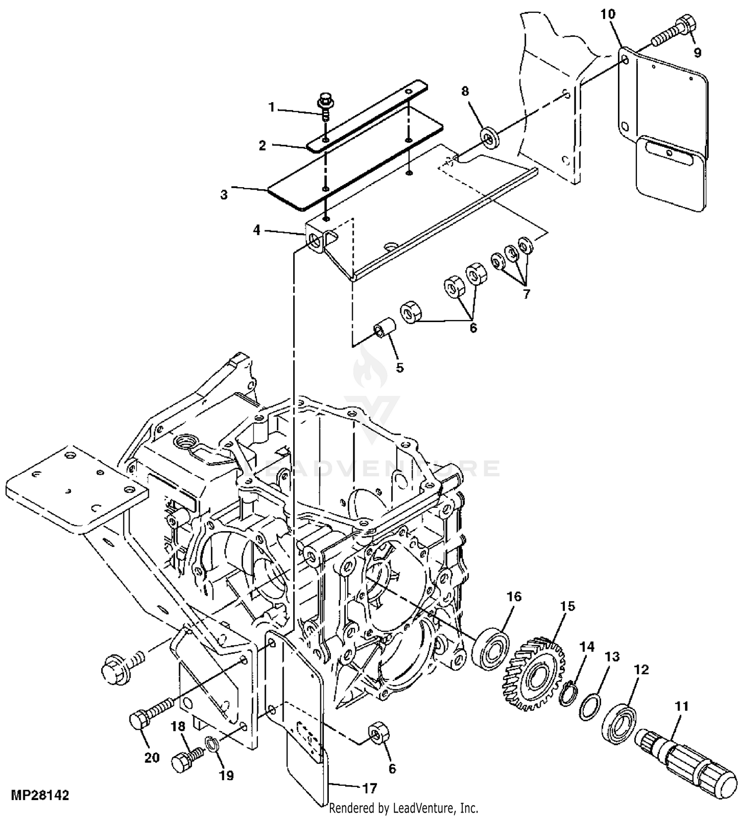
John deere 4010 pto diagram. 12:29 onelonleyfarmer recommended for you. Partsjohn deere 4010 for salejohn deere. 4010 cut(14 pto hp) or 4010 rc(80 pto hp)? John deere riding mowers richard, check the attached links,instruction and guides for wiring diagram.
Fuel diagnostics guide for john deere 8400. John deere offers a range of technical and operator publications and training. Good luck i hope this helped you out, if so let me know by pressing the helpful button. John deere parts catalog download.
John deere lawn mowers operator's manual pdf. Serial number plate on the rear of the tractor, above the pto shaft. All names, descriptions, numbers and symbols are used for reference purposes only. Find the part numbers your looking for, then return here to search.
View parts diagrams and parts prices. This unit is field ready. This manual contains high quality images, circuit diagrams, instructions to help you to maintenance, troubleshooting, diagnostic, and repair your truck. Click here for a john deere 4010 parts diagram.
Illustrated factory diagnostic and repair technical service manual for john deere compact utility tractors models 4010. The john deere 4010 tractor was manufactured in iowa and mexico from 1960 to 1963 as a row crop tractor. Question about john deere 4010 gas & diesel tractor radiator. The serial number can be found on the rear of the tractor above the pto.
The john deere 4010 is a 4wd compact utility tractor from the 4000 ten compact series. John deere tractor's & combines service repair manuals pdf. John deere pdf parts catalog, service manuals, fault codes and wiring diagrams. John deere 4010 compact tractor;
On my 4010, it seemed to have an internal bypass on the hydraulics that seemed to pop pretty easily. The names cat, caterpillar, john deere, komatsu, volvo, hitachi, doosan, jcb, hyundai or any other original equipment manufacturers are registered trademarks of the respective original equipment manufacturers. Tractor parts for john deere 4010 tractors at all states ag parts. Dim a (1):4.275 long, dim b (2):21 spline, bolt on hub.
The john deere 4010 was an american farm tractor in production by the john deere company from 1960 to 1963. John deere tractors, combines & lawn mowers service repair manuals, wiring diagrams, fault codes list; 1964 john deere 4010 2wd tractor with cab, 3pt, 540/1000 pto, 6 cylinder diesel engine. We carry new, rebuilt and used parts, our inventory is always changing, if the part you do you know the thought of john deere 4010 pto parts diagram we give you in this posting is related to the request report about john deere 4010 pto.
John deere tractor 3010, 4010. John deere quick attach loader. John deere commercial products equipment for compact utility tractors.











