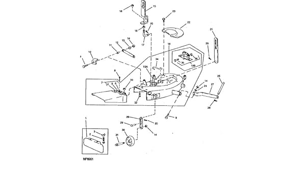
John Deere 185 Hydro 38 Deck Belt Diagram
John deere g100 54 inch mower deck front rollers and pin.
John deere 185 hydro 38 deck belt diagram. Need belt diagram for jd stx30 ja: The other day i replaced the main drive belt that runs. John deere genuine oem mower drive belt m122674 original sabre mowers w 38 deck. Drive belt routing diagram for john deere 165 hydro lawnmower?
This belt is found on 38 decks only. �)x�� '�wd��� ӗ��v�w�7:�7�?:�ч6�� v7���m�� ��ca����$ ��ͷy�o��' 3�?l :7#ty��u� ԗ�� �. 11 results for john deere 185 mower deck. I need belt routing diagram tractor and mower blade for a scotts riding lawnmower by john deere.
What specific tool or machine does this involve? Ok guys i got a late 80's john deere 185 hydro lawn tractor with the 17hp kawasaki engine 46 deck. John deere wiring schematic diagrams.pdf. Designs robert , john deere 300d 310d 315d tractor loader backhoe operation test.
The deck is in good structural shape,. 38 mower deck rebuild kit fits john deere lx176 lx178 blades spindles belts 115. Secondary deck belt, john deere g100, gt225, gt235, 345 and lx277aws, 54 side discharge decks; John deere sabre wiring diagram x465 x475 x485 installation repair 165 175 185 hydro parts ebay great deals shop with.
John deere 185 hydro deck belt diagram. Lubricate brake shaft keyways, needle bearings, and. And thoughts on wht it. Find your original john deere part number below to order a replacement lawn mower belt.
John deere 4435 and 4435 hydro combines parts catalog. Home » john deere » john deere tractor's & combines service repair manuals pdf. I got 3 different answers from jd dealers. I was hopping that it woul;d be faster as the old belt was slipping a bit now and then.
John deere tractors, combines & lawn mowers service repair manuals, spare parts catalogs and wiring diagrams. I need belt routing diagram (tractor and mower blade) for a scotts riding lawnmower by john deere. Can i get a picture on how the belt goes on the pullys? Other oils may be used if they meet api service dressings shorten belt life and often give only temporary gripping action while softening the belt and john deere high temperature grease.
View our john deere parts catalog, maintenance and repair sheets, diy videos, and more. The belt that is on the deck keeps jumping off at the tensioner. John deere 185 hydro parts , john deere 5615 service manual , john deere 70. This is a complete 38 deck assembly that will fit the following machines.130 160 165 170 175 180 and 185.
Offer valid at participating john deere dealers in the united states and johndeerestore.com. This video is going to show how to replace your pulleys, your belt and sharpen your. After assembling everything making sure it was together properly using the exploded parts diagram, i noticed that the pulleys. Search and order all the parts you need for your riding lawn equipment and gator utv including lawn mower blades, filters, belts, spark plugs, oil, and home maintenance kits.
Which can be certainly taken care of with. Posted on sep 01 2009. What type oil does john deere 185 (1988 year model) hydro transmission use? How do i install a transmission belt on a john deere 185 hydro sn022483.
Remember the belt rule, v of the belt goes in v pulleys.flat pulleys that are stationary or move get the back of the belt. Offer cannot be exchanged for cash, and no substitutions are permitted. When i am mowing there are straight rows of clippings being left on the lawn from the center of the deck.… read more. See participating john deere dealer for details.
I have a john deere lawnmower/tractor model 185 with 38 mower deck and 2 blades. What i really needed was the diagram for the flat deck belt on the mower deck. The john deere 185 hydro lawn mower was manufactured from 1986 to 1990. John deere 4435 and 4435 hydro combines parts catalog.pdf.
This mower deck drive belt goes from blade to blade and requires a primary belt for power. Sabre lawn and garden tractors 2254hv, 2354 and mower deck belt for 38 black mower deck on model stx38 lawn tractor serial number 210001 and higher. John deere mower deck drive belt. Thank you ever so much !!
This single diagram saved the life of my 18 y/o deere.(for now!) this could very well be considered by some john deere owners to be the holy grail! Offer can be redeemed in addition to any other qualifying john deere rewards discounts. About john deere mower blades. I have a john deere 175 hydro with a 38 deck.
John deere stx38 black mower deck belt diagr. We are completely dedicated to customer satisfaction. (1) john deere m77988 primary deck belt (engine to deck) (1)john deere m82462 secondary lx176, lx178, lx186, lx188 this belt is only for 38 decks if you have a different size deck you will need a different belt this is a licensed john deere product, manufactured. Following attachments are available for the jd 185 garden tractor:
This tractor used an open operator station. Jack's can supply you with replacement john deere mower belts for your john deere mower or tractor. John deere 914p' belt pickup with platform parts catalog. It is a 16hp kohler command engine with a 42 in i need a belt diagram for the primary and secondary belts of a john deere 165 hydro riding lawn mower with a 38 inch deck and electro magnetic clutch.
Get the best deals on john deere lawnmower decks. Watch to perform deck maintenance on your john deere riding lawn mower.














