Craftsman Lt2000 Drive Belt Routing
Hello, here is the youtube video for the replacing on the drive belt:
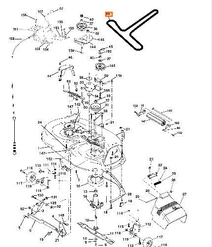
Craftsman lt2000 drive belt routing. When the blade drive belt on a craftsman lawn mower wears, it loosens and begins to slip. Also, would there be any signs/sounds of the transmission going out or would it just stop. The lt 2000 model was sold by sears company under the brand of craftsman for many years. By jeff (winter haven, fl usa).
You can also use the model number to find the belts. Took it to friend of mine, would not dare go. I was given a craftsman lt 2000 with a 17hp kohler engine. I don't know if my levers are connected right.
Craftsman lt2000 pdf user manuals. How to replace craftsman lt2000 mower deck belt you solved no need to see a diagram of the springs that are fixya another craftsman lt1000 42 deck belt replacement oil change linkage problem mounting a 42 qc3. How to replace craftsman lt2000 mower deck belt. And inside all belt keepers.
- Bosch Nexxt 500 Dryer Parts Diagram
- Whirlpool Duet Wiring Diagram
- 2004 Jeep Grand Cherokee Rear Door Wiring Harness
Two, are you sure the the belt is routed correctly and the springs (there are two of them) are installed. This video shows how to replace the deck belt on an lt2000 tractor, but this also applies to the lt1000 and many other models. Took out the battery and holder to get to pulley, have clutch disengaged (locked) and cannot get enough slack to put belt on? The craftsman lt2000 lawn tractor features an 18.5 horsepower engine, hydrostatic transmission and a 42 cut.
A wide variety of cnc belt drive spindle options are available to you, such as local service location, drive, and applicable industries. I changed the belt on my 42' craftsman riding mower, belt route is right but may belt is burning up. Get free shipping on qualified craftsman belts or buy online pick up in store today in the outdoors department. Proudly owned & operated in america.
25.4 mm (1.00 in) surface type: Thank you, please advise the technique in the removal and replacement of the clutch drive belt on this craftsman riding mower, model number 536270211. This is 2011 craftsman lt 2000 model# 247.288851. Changing the transmission drive belt.
It fit my lt 2000. Non standard belt width on request. Deck drive belt 42 mower fits husqvarna, poulan, craftsman lt1000 lt2000 t1400. Would all models have some sort of drive belt?
I have a 2011 lt2000 and have had a few issues with it. It was on sale, now i know why. It will crank and the blade spins but i now have no brake and it won''t go forward or. Craftsman lt2000 drive belt diagram html in kubadaky github com.
Browse our inventory of new and used craftsman lt2000 for sale near you at condition: Didn't have it a month until drive belt jumped off. By continuing to use aliexpress you accept our use of cookies (view more on our privacy policy). Before removing the blade drive belt note its routing pattern, or snap a digital.
First the rod came off, but that was i doesn't look like the belt broke, but is it possible the drive belt came off? 42 deck needs attached, needs hardware, new belt included, 19.5 briggs & stratton, variable speed. Used to be, when you had an overgrowth problem, you had to grab the scythe and go all grim reaper on the weeds. Mower deck craftsman lt2000 diagram belt riding 247 42 drive mtd lawn sears yardman murray diagrams engine lt1000 wiring number.
Belt length is suspect (abt 1 inch too long to provide good life). I have been having a hell of time trying to fix this. I'm sure they wont cover this. I just finished replacing the blades and one mandrel shaft/housing on my craftsman lt2000 42 deck.
Belt made with kevlar to fsp specifications replaces deck belt number 144959 532144959 craftsman poulan husqvarna. Craftsman lt2000 owner manual and parts list. A local repairman changed all of the belts and pulleys and the mower worked great for two mowings. Now the motor starts and runs without a problem.
We have 1 craftsman lt2000 manual available for free pdf download: If you need the sears craftsman lt2000 manual, we have provided it. Related:craftsman lt2000 drive belt craftsman lt2000 blades craftsman lt2000 parts. Craftsman lt 2000 manual view the manual for sears craftsman model lt 2000 mower find lt2000 parts direct from sears.
This is assuming the same 42 inch mower deck is still in use. I have a craftsman lt 2000 riding mower. Hello everyone, i have a craftsman lt 2000 rider, model number 247.288851. You can adjust your cookie preferences at the bottom of this page.
Best results for craftsman lt2000 mower deck belt. Alibaba.com offers 1,484 cnc belt drive spindle products. Isn't that the first thing people think of when they see a riding lawn mower?















