Briggs And Stratton Alternator Wiring Diagram
Newer briggs and stratton engines have the gas tank, carburetor and exhaust on the same side of the motor.
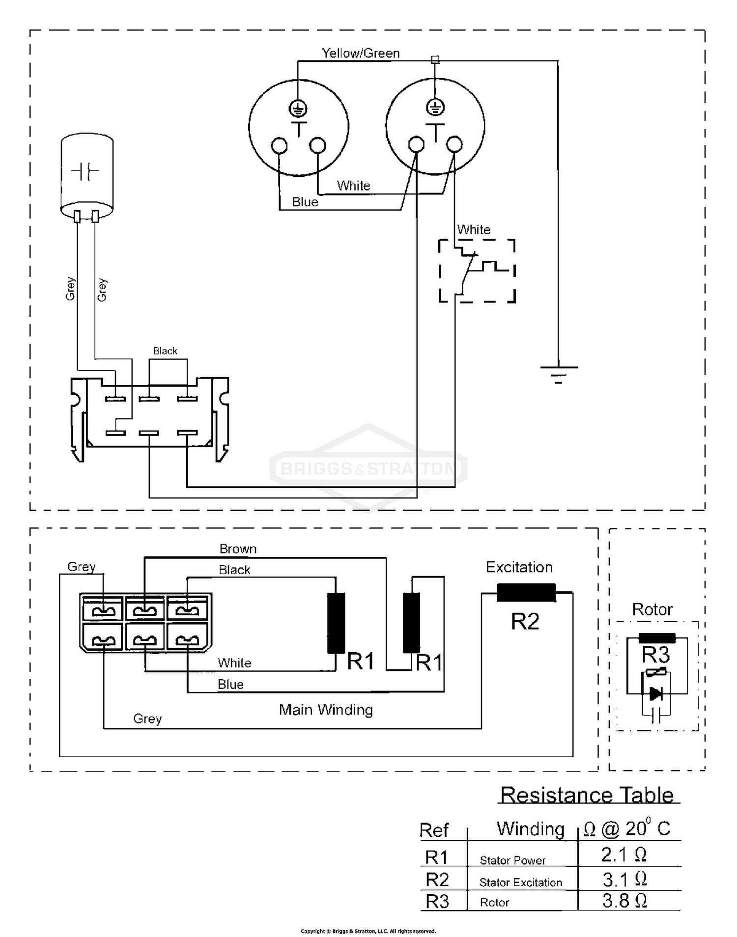
Briggs and stratton alternator wiring diagram. Javascript is either disabled or not supported by your browser. Briggs and stratton 5500 watts manual transfer home generator system owner's manual (40 pages). Portable generator briggs & stratton 1933 illustrated parts list. The 40 amp charging system consists of a belt driven, internally regulated alternator, fig.
Related manuals for briggs & stratton 1938. Wiring diagram as well as briggs and stratton intek parts… diy: Briggs and stratton parts diagrams. Illustrated parts diagrams by manufacturer.
Briggs and stratton has long been the leading manufacturer of small engines for outdoor power equipment. Alternator replacement with wiring diagrams. The fog harness i bought came with no instructions and the ones i found were not helpful. Briggs and stratton small engine.
- 2002 Dodge Ram 2500 Fuse Panel Diagram
- Chevy S10 Air Conditioning System
- 99 Mercury Cougar Fuse Box Diagram
Ignition_wiring basic wiring diagram briggs & stratton.pdf. Just unplug the wire connector and remove the screws and it will come off with a little wiggling. It saved a bunch of time making two of the alternator connections and is. Briggs and stratton 12a300 series engine parts.
Electrical schematics, wiring diagrams, alternator identification information, and briggs & stratton supplies electrical components pertaining to the wire up vanguard engine talking briggs stratton a79b and 18 hp wiring diagram schematic diagrams motor swap to 810 page 2 86c6c1d 3c6d94. Alternator systems were added to engines to 490066 wire clutch switch on off + dc. Briggs and stratton generator is a company that manufactures both small and large size generators.
Name:briggs and stratton repair manuals. I have purchased a murray idnition switch which can handle a fuel solenoid but there is also no. These generator sizes have been classified into four briggs and stratton elite series: Äàííûé äâèãàòåëü ïîñòàâë åòñ êîìïàíèåé briggs & stratton áåç ìàñëà.
To use this site, please enable javascript by changing your browser/plugin options and reloading this page. Briggs & stratton sells electrical components only for engines. However, if you're needing to replace or rebuild parts of the small engine on your lawn mower, snow blower or other outdoor power equipment, the basic schematics or wiring diagrams of our alternator systems wired to a generic. E 2010 briggs & stratton corporation, milwaukee, wi, usa.
For most briggs and stratton engines the charging system is under the flywheel. Briggs & stratton sells electrical components pertaining to the engine only. Briggs & stratton alternator systems are easily identified by the color of the stator output wire(s) and the connector. These are the same manuals that either came with the original purchase or the manuals that briggs and stratton mechanics use to repair small engines.
I made a clear diagram on how to install fog lights on a mk4. Briggs & stratton carburetion troubleshooting & repair procedures 1996. It is replacing a 12.5 hp b&s. Briggs & stratton is a registered trademark of briggs & stratton corporation.
Briggs & stratton alternator systems are easily identified by the color of the stator output wire(s) and the connector. Also view our online catalog for all our briggs and stratton products! These are the bigger, top end generators. How electrical system is wired for briggs and stratton.
We've made finding your briggs parts easy. Řåä çàïóñêîì äâèãàòåë , îá çàòåëüíî çàëåéòå ìàñëî ñîãëàñíî èíñò˜óêöè. Fog light mk4 harness wiring diagram. These printable parts diagrams are very helpful to have with you while you're repairing your engine.
Valve kit vertical engines by briggs and stratton vertical short blocks wiring harnesses view all oem briggs and we are an authorized briggs and stratton small engine dealer carrying a large selection of. This molded connector (with wires) is a replacement part for hooking into the two terminals (r, and f) on the alternator. Find solutions to your briggs stratton wiring diagram question.

















