48v To 12v Dc Dc Converter Circuit Diagram
Power supply is needed for all of electronic circuits.
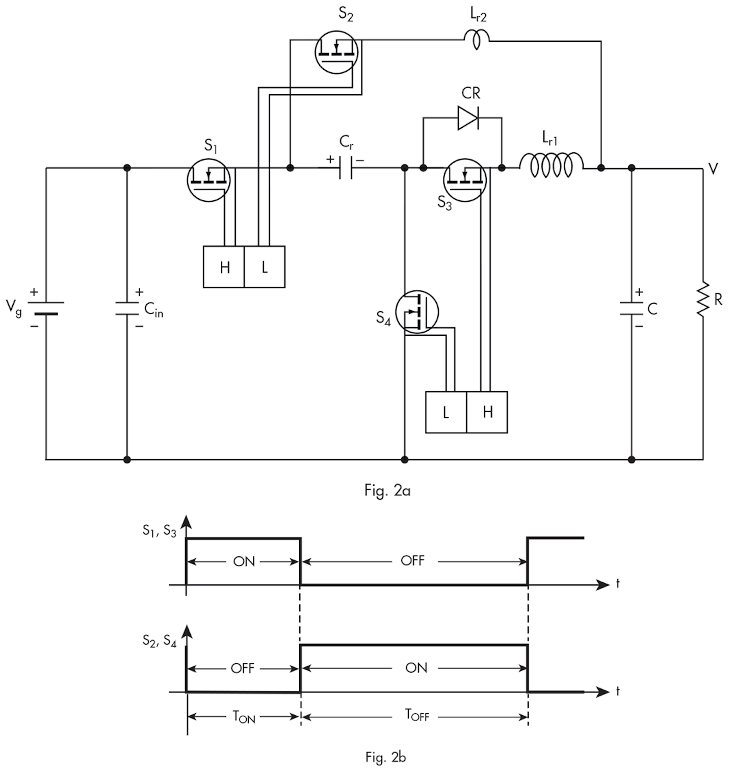
48v to 12v dc dc converter circuit diagram. It contains an internal temperature compensated reference, comparator, controlled duty cycle oscillator with an active peak current limit circuit ● operating voltage from 3v to 40v. The circuit diagram of the 5v dc to 48v dc converter is shown in fig. Car 12v to 50v dc converter. 54 v input dc bus converter efficiency.
6 volts to 12 volts converters. How to convert a high voltage dc supply to 240 v ac. Circuit tl494 based on the 24 v dc input 12 volts reduces 10 amp has the power output voltage rise against the thyristor protection circuit (crow bar) input voltage 18.30 volts output voltage 12.14 volts adjustable, but usually 24 to 12 volts :) converters are used as. 48 v buck converter efficiency > 97%.
To address this isse, an additional setting is provided for different. This inverter circuit can provide up to 800ma of 12v power from a 6v supply. With its high frequency zero voltage switching (zvs) topology, dcms consistently deliver high efficiency across their specified input line range. To convert 12v source to 5v dc supply for digital circuit, microcontroller and more!
- John Deere Stx38 Yellow Deck Belt Diagram
- Stihl Fs56c Parts Diagram
- 2014 Silverado Speaker Wiring Diagram
Ts34063 is a monolithic switching regulator and subsystem intended for use as dc to dc converter. A simple low tech way of converting high voltage dc(48v) to 12v with a buffer to supply power to solar tracking and charge controller circuits. The switch will be a mosfet transistor and to create the pwm signal we. The transformer is used to step down the 230v ac to 13v ac.
An optional 5a fuse can be added in series to the 12v supply line. Mostly the inverter is working with 12 v battery or 48 v dc source. In this circuit, ic cd4047 is chosen as a heart of unstable multivibrator, because this ic type gives a complementary output that has opposite phase to another ( pin 10 and 11 as seen in figure 1). Because the input and output is sepereted, so isolated short circuit protection.
1n4007 has a peak repetitive reverse voltage of 1000v with an average rectified forward current of 1a. How the 12v to 9v dc converter works? Dc/dc converters can upgrade your system. Ic1 and ic2 are to be mounted on holders.
This 12v to 9v dc converter is implemented using a zener diode and a npn bipolar transistor (q1) as shown in the circuit diagram. It is built around boost/buck/inverting switching regulator mc34063a (ic1), two rectifier diodes 1n4007 (d1 and d3), schottky diode sr1100 (d2), two 5mm leds (led1 and led2), two inductors (l1 and l2) and a few. An efficient dc/dc converter can do more than just adjust voltages. Output power of this dc dc converter is around 100 watts.
A wide variety of 48v to 12v dc dc converter circuit options are available to you the top countries of supplier is china, from which the percentage of 48v to 12v dc dc converter circuit supply is 100% respectively. Here is a easy circuit of a dc to dc converter using lm317t ic. The 12v output offers one of the highest output currents available and provides up to 91% efficiency at full with creative design technology and optimization of component placement, these converters delta's dc/dc power modules are designed to operate in a wide variety of systems and applications. Circuit diagram of 6v to 12v dc to dc voltage converter (voltage doubler), active circuit for voltage doubling from 6 volt to 12 volt dc with 1a max current.
Efficient and reliable dc/dc converters with dc 12v, 24v or 48v output voltage for din rail mounting. 7 ideas of 555 dc boost converter circuits diagram. Power supply dc 48v 100a power supply circuit diagram. So a 230v ac to 12v dc converter cannot be powered in 110v ac line.
This high performance ic has a lot of good features like input supporting voltage from 3 to 40 volt dc and delivers regulated output from 1.25 to 37 volt dc with 12v to 9v converter. No abstract text available text: It can contribute to system reliability and increase endurance in the event of. Say you have a 12v power supply and you want to use it as a 5v power supply.
I hope you having a better idea about these dc and ac voltage. This dc converter circuit provide 5v, 1amp at output.



















