2009 Hyundai Accent Wiring Diagram
I can not find any diagrams that even come close to matching these odd colors for the.
2009 hyundai accent wiring diagram. .hyundai 2007 hyundai 2008 hyundai 2009 hyundai 2010 hyundai 2011 hyundai 2012 hyundai 2013 hyundai 2014 hyundai accent gs hyundai accent gsi hyundai accent gt hyundai accent l hyundai accent se hyundai azera hyundai azera gls hyundai azera limited hyundai. Hyundai accent service and repair manuals. O do not tamper with or disconnect srs wiring, or other components of the srs system. Commando car alarms offers free wiring diagrams for hyundai cars and trucks.
This wiring diagram training module covers hyundai vehicles. Page 68 if the airbags inflate, they must be replaced by an authorized hyundai dealer. Portable network image format 39.7 kb. More than 40 hyundai accent service manuals, including also:
Z13dtj and i need wirind diagram over engen. Although grouped with similarly priced subcompact cars, the. For the hyundai accent (hyundai brio, hyundai avega, hyundai verna, dodge attitude, ) 2006, 2007, 2008, 2009, 2010, 2011 model year. Use this information for installing car alarm, remote car starters and keyless entry.
I need a 2003 hyundai accent stereo wire diagram. Hyundai accent 1997 system circuit wiring diagram.jpg. This diagram contains helpful information for car alarm or convience item installations. Looking for the car radio wiring diagram for a 2009 hyundai accent.
Hyundai accent blue owners manuals. Hyundai hyundai accent hyundai accent 1998 misc document wiring diagram. I have a opel combo 2009. Fuse box in passenger compartment.
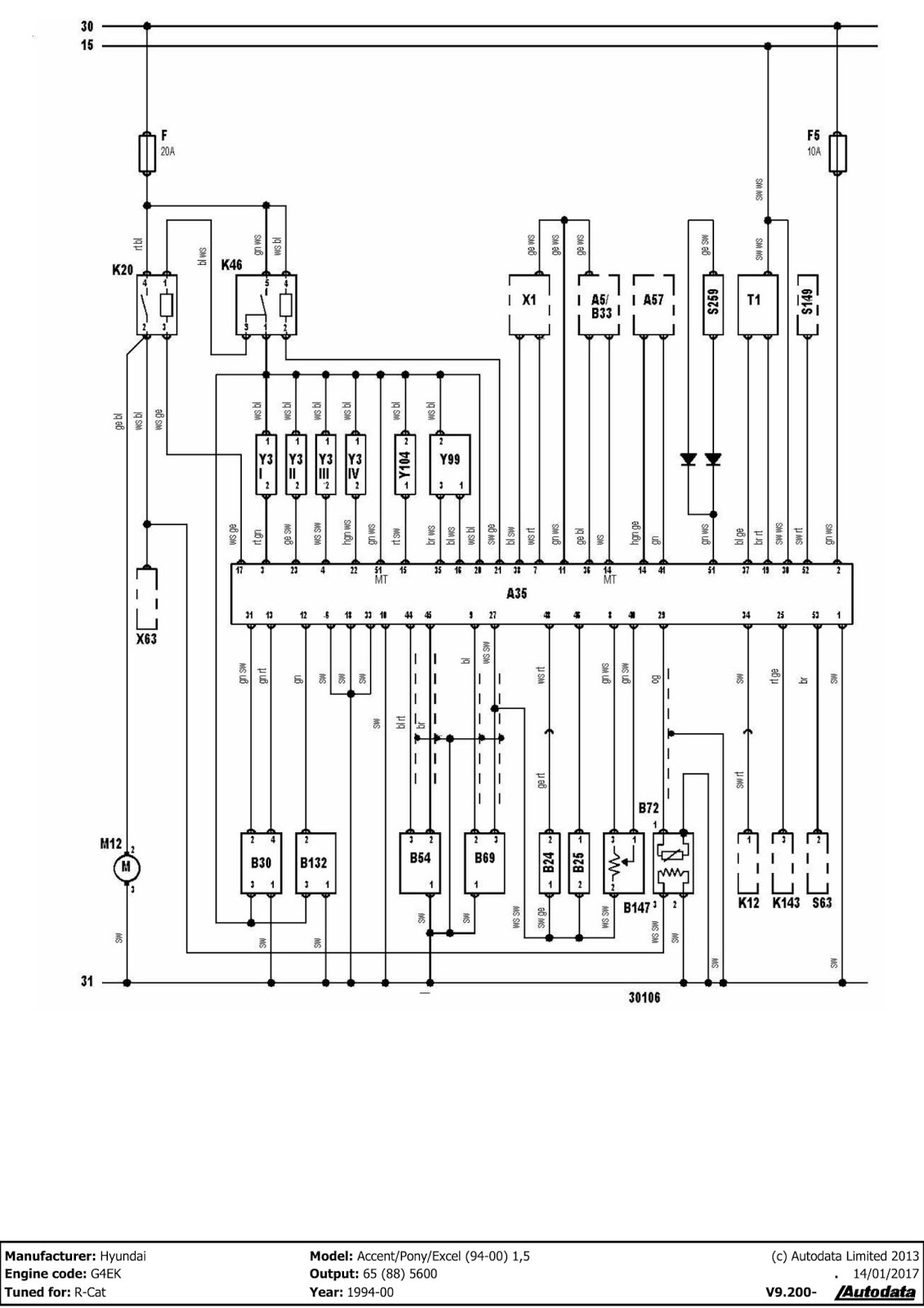
Accent circuit cooling system diagram. View and download hyundai 2009 accent owner's manual online. This video is an extract of the automate hyundai wiring diagrams 2007 to 2010 training module. Hyundai accent 1997 system circuit wiring diagram.jpg.
Hyundai accent transmission data service manual pdf. Here you will find fuse box diagrams of hyundai accent 2007, 2008, 2009, 2010 and 2011, get information about the location of the fuse panels inside. Hyundai accent system circuit wiring diagram of 1997. Назначение контактов эбу kefico (hyundai accent).
2009 ford ranger wiring diagram piiorganisedmumde 2009 ford focu se fuse box locati. Free pdf download for thousands of cars and trucks. Repair guides wiring diagrams wiring diagrams autozone. The fuse box will be found low on the dashboard on the driver's side.
Owner's manuals, wiring diagrams, fault codes, repair manuals for free download.
















