2006 Mitsubishi Lancer Wiring Diagram
Ignition coil, gauge, back up light, relay, door mirror heater, engine control,rear window wiper, power door lock, rear fog light, dome light, heater, rear window defogger, cigar lighter, outside rear view.
2006 mitsubishi lancer wiring diagram. 2002 ford focus stereo wiring diagram. 2002 mitsubishi lancer no power wiring diagram for radio car manual pdf 234 audi concert stereo i have a 2003 am changing out chrysler caterpillar harness assy. Get your 2006 mitsubishi lancer outfitted to electrically connect to any trailer. Configuration diagrams, rus., pdf, 906 mb.
That car is pretty bulletproof and i have't seen any ecm issues unless your a/c drain is clogged up and water leaked onto/into your ecm frying it up. Mitsubishi mitsubishi lancer 9 mitsubishi lancer 9 2006 component locations service manual. Mitsubishi lancer ix 2006 wiring circuit diagrams.pdf. Download as pdf, txt or read online from scribd.
Mitsubishi lancer ix 2006 wiring circuit diagrams.pdf. Tuning performance datalogging support for all mitsubishi subaru and nissan protocols. Configuration diagrams, eng., pdf, 1,87 mb. See all formats and editions hide other formats and editions.
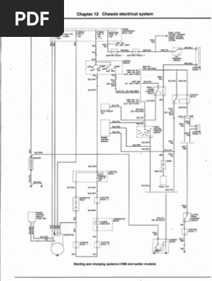
Fuse panel layout diagram parts: This particular impression (mitsubishi lancer 2006 wiring diagram for the radio beautiful) earlier mentioned is actually labelled with: View and download mitsubishi lancer evolution ix 2005 service manual/electrical wiring diagrams online. January 27, 2019january 27, 2019.
79 mitsubishi lancer workshop, owners, service and repair manuals. Mitsubishi lancer evolution pdf workshop and repair manuals, wiring diagrams. Circuit diagrams, eng., pdf, 24,9 mb. Page 1 service manual electrical wiring diagrams.
Mitsubishi lancer evo ix 2006 mmna service manual. 2006 mitsubishi lancer evolution wiring diagram book electrical service manual (fits: Configuration diagrams, eng., pdf, 1,48 mb. Simply find the year of your lancer and match up the wires that you are having today i'll be showing you how to wire up anything in your mitsubishi lancer stereo.
Collect all useful circuits for you. Component locations, rus., pdf, 1,55 mb. Mitsubishi lancer electrical system and wiring harness diagram throughout mitsubishi lancer wiring diagram pdf, image size 514 x 604 px. Question about 2006 mitsubishi lancer.
Component locations, eng., pdf, 1,60 mb. 2009.5 mitsubishi lancer electrical wiring diagrams manual service repair. We'll be covering all the years from 2000 onward, and showing you. 2002 mitsubishi lancer wiring diagram, 2004 mitsubishi lancer wiring diagram, 2009 mitsubishi lancer wiring diagram,.
The separate wiring manual for each model contains circuit diagrams of each. Always verify all wires, wire colors and diagrams before applying any information if you have any questions pertaining to the remote starter wiring in the 2006 mitsubishi lancer, please feel free to post it at the bottom of this page and. Upgrading your mitsubishi lancer stereo has never been so easy. Mitsubishi lancer workshop, repair and owners manuals for all years and models.
What is the car doing?? By you saing need a ecm diagram? what is the problem with the car. Submitted by wiringforums on september. Component locations, eng., pdf, 1,85 mb.
Page 2 if you have any opinions, requests or queries regarding this manual, please write them down on the servicing comment form. Towing is simplified with our selection of harnesses, adapters, and connectors. Mitsubishi lancer service and repair manuals. Replacing the cabin filter on the ford mustang v.
Mitsubishi lancer 9 fault codes.















