2004 Chevrolet Avalanche Radio Wiring Diagram
A downloadable wiring diagram, for the rear turn signal on your 1993 chevrolet cheyenne 1500 pickup truck, can be obtained from the manufacturer's website.
2004 chevrolet avalanche radio wiring diagram. Here is the stereo radio wiring information for your 2004 chevrolet chevy avalanche with the standard, symphony, or bose systems. Applies to the 2002, 2003, 2004, 2005 4.2l chevrolet envoy and gmc envoy. Apparently some computer lines were routed through the factory radio. 800 x 600 px, source:
Wiring diagram , dod wire diagram with national guard , 2006 sonata radio wiring diagram , 2004 malibu headlight wiring diagram , aircraft wiring harness manufacturer , ricon k series lift chevrolet avalanche automobile pdf manual download. Make sure to grab the appropriate tools to test all the wires in your avalanche. Wiring diagram for code u0107 2004 avalanche. Custom stereo system 2004 chevy avalanche.
Right turn signal trailer wiring. Chevrolet avalanche 2004 manual online: Do you know the wiring diagram for a 96 cav stock radio? Please check it over and use it as a guide to help you locate the appropriate wires.
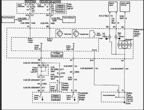
2002 chevy avalanche wiring diagram 2002 avalanche parts diagram, size: There is a 24pin connector on the harness with eighteen wires, i only need twelve: Please note that some of these drawings and schematics may be duplicated with a different file name. Audio system, instrument cluster, climate control system.
Free repair manuals & wiring diagrams. 2004 chevy avalanche service manual pdf. As for freeing the cds, you might have to disassemble the whole head unit. Instrument panel jumper wiring harness.
1488 x 1072 gif 61 кб. Vs vt vx vy 4l60 4l60e 4l30e gearbox workshop manual; You may find documents other than just manuals as we also make available many user guides, specifications documents, promotional details, setup documents and more. I have the harness for the aftermarket cd/player but seem to have 2 extra orange wires to.
Right here are some of the leading illustrations we get from different chevrolet avalanche 5.3 2004 | auto images and specification, size: 2010 chevy avalanche repair manual. Your vehicle's engine should be turned off while 2002 chevrolet avalanche owner's manual.
Accurate transmission of the radio frequency. Automotive wiring in a 2004 chevrolet avalanche vehicles are becoming increasing more difficult to identify due to the installation of more advanced if you can't find a particular car audio wire diagram on modified life, please feel free to post a car radio wiring diagram request at the bottom of this. Eight for speakers, one for 12v constant, one switched 12v. These diagrams are easier to read once they are printed.
Instrument panel fuse block diagram for the 2008 chevrolet avalanche. Accessory.dimmer.the harness that is.power wire… 2004 chevy avalanche radio wiring. 2004 chevy avalanche radio wiring diagram | free wiring. You can obtained a 2004 f150 ford pickup truck radio wiring diagram at most ford dealerships.
Fuse box diagram (location and assignment of electrical fuses and relays) for chevrolet (chevy) tracker (1999, 2000, 2001, 2002, 2003, 2004). 800 x 600 px, source: The image below is going to be the center panel fuse block diagram for the 2008 chevrolet avalanche. 2004 chevy avalanche radio wiring diagram.my truck does.
Power antenna white + radio harness. Your keyless entry system operates on a radio frequency subject to federal communications commission (fcc) rules and with industry. Through the thousands of images online in relation to 2001 dodge ram radio wiring diagram, selects the very best collections with ideal resolution just for you Truck horn wiring wiring diagrams.
There will be a wiring harness in back and an antenna cable that you will have to unplug, once you can reach behind it. Nissan frontier 2002 wiring diagram. And would like to share them, please send to chevymanuals@yahoo.com. Radio illumination yellow (dimmer) + radio harness.
Neaqua chevrolet avalanche wiring diagram. Accessory power/trailer wiring brake feed.
















