2003 Gmc Yukon Denali Wiring Diagram
Download and view your free pdf file of the 2015 gmc yukon denali owner manual on our comprehensive online database of automotive owners manuals.
2003 gmc yukon denali wiring diagram. Bought this book for the wiring diagrams. Also see for gmc yukon denali 2003. Posted on may 21, 2009. We reserve the right to make.
2003 gmc yukon denali awddenali awd. 2003 yukon xl denali, 2003 yukon denali. Where is the factory amp in a 2003 yukon? There's zero risk involved when buying from gpg because all our guaranteed for example, the 2009 gmc yukon denali was powered by 6.2 l 403 hp v8 gasoline engine.
Our accessories and parts are all you need to make it happen. Hi, you can get the fuel pump to you 2003 yukon xl denali from auto parts warehose for $166.16 with free shipping within the u.s.a. This typical circuit diagram of the ignition coil, ignition control module, camshaft and crankshaft position sensors applies to the 1996, 1997, 1998, 1999 chevrolet/gmc 1500, 2500, and 3500 pick ups equipped with a 4.3l v6, or a 5.0l v8, or a 5.8l v8 engine. This manual includes the latest information at the time it was printed.
- Ford Expedition Vacuum Hose Diagram
- Crown Victoria Vacuum Hose Diagram
- 30 Amp Rv Male Plug Wiring Diagram
What can cause this to happen? I have a 2003 gmc yukon slt 5.3l that when i put in reverse or drive it makes a loud grinding noise and it does not move. Search our online repair manual catalog and find the lowest priced discount auto parts on the web. Fuse panel layout diagram parts:
Take care of your 2003 gmc yukon denali and you'll be rewarded with years of great looks and performance. Sounds like the fuel pump relay is bad. You can find a speaker wiring diagram for dodge ram 2005 with factory infinity amp by visiting the nearest dodge authorized repair center. Independent with torsion bars (standard autoride rtd).
*1 — gasoline engine and fuel injection rail #2. They primarily focus on trucks and commercial vehicles, but are also responsible for manufacturing buses, pickups, sport utility vehicles and military vehicles. Wiring diagram for gmc yukon denali diagrams data 2001 e27 rn 6930 2000 radio nh 8251 1999 stereo chevy impala factory full 2007 sierra wire e23 gm resources 2003 sim 25 familienzeit how to my pro street 99 brake pedal switch 2004 ac table wiring diagram for gmc yukon denali diagrams. Gmc is a subsidiary brand of general motors (gm) that was originally founded in 1912.
5.3 liter ohv 16v vortec v8. Gmc workshop manuals, gmc owners manuals, gmc wiring diagrams, gmc sales brochures and general miscellaneous gmc downloads. The air just quit blowing out cold air. The next time it works ok.
It still blows, just not cold. Related manuals for gmc 2003 yukon denali. I have heard that some i have a 2003 yukon denali. We have the following 2003 gmc yukon manuals available for free pdf download.
Gmc yukon replacement repair manual information. The vehicles with the most documents are the sierra, yukon and other model. The wire transfer transaction summary page will provide payment and account information. 11 2011 gmc yukon denali paper repair manual chilton.
Your yukon deserves only genuine gmc yukon parts from gm parts giant. Yukon denali 2003 automobile pdf manual download. I am having trouble with my ac in 2005 gmc yukon. When i put on my left signal the 4 way flashers turn on.
Collect all useful circuits for you. The brand is headquartered in detroit and sells its. General motors, gm, the gm emblem, gmc, the gmc emblem and the name yukon are registered trademarks and the name denali is a trademark of general motors corporation. 2003 gmc yukon standard modelstandard model.
Wire transfer is the only payment option for this item. I have a 2003 gmc yukon denali that i need the third row seat for. It is intermittent and only happens on the. 2003 gmc yukon denali xl.
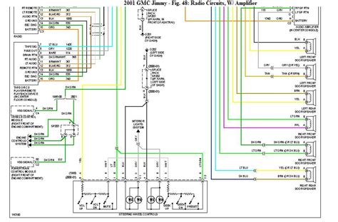
You may find documents other than just manuals as we also make 2003 yukon denali speedometer i have a 2003 yukon denali xl and my speedometer tell me i am going 120mph when i am only going 40mp. Our gmc automotive repair manuals are split into five broad categories; 2003 gmc yukon denali with bose system onstar and stering weel control. Shock sensor, shock sensor connetor, vehicle comunication unit, heated seat switch, stereo controller, auxiliary power connector, cd changer, audio amplifier, sub woofer connector, security led, console.
1sikdnali's 2003 gmc yukon denali.
















