2003 Ford Taurus Stereo Wiring Diagram
Free ford wiring diagrams for 2008.
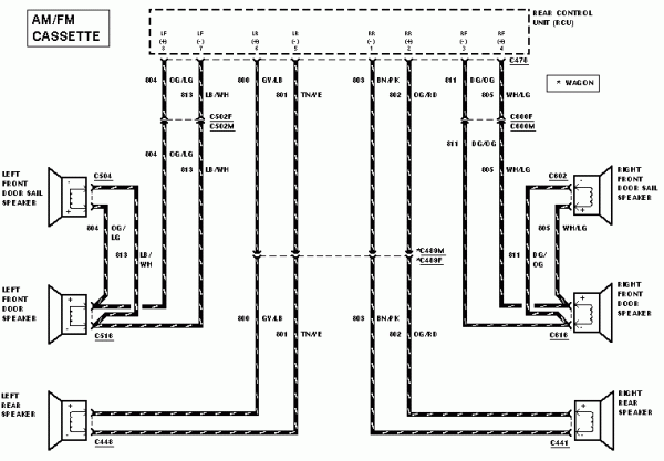
2003 ford taurus stereo wiring diagram. Rear control unit, power antenna module, evaporative emission, powertrain control module, a/c clutch relay, generator, canister vent valve, oxygen sensor, abs control module, fuel pump relay, rear control unit. I need a wiring guide or diagram for the stereo of a 2005 ford taurus. Think i might have solved this based on the wiring diagrams below. 2010 taurus and 2010 taurus sho enthusiasts, discussion forums and much more!
The biggest collection of electronical schematic diagram. 2003 ford taurus 3.0 liter v6 fuse box details under passenger compartment. 1994 ford taurus speaker sizes. If you can't find your car radio or stereo wire diagram on modified life, please feel free to post a car wiring diagram request (radio wiring diagram request page) and we'll do.
Home » ford manuals » 2003 ford taurus » manual viewer. Ford taurus information, specifications and club! Tune to a station, press and hold refer to the diagram inside the remote entry transmitter for the correct orientation of the battery. 1997 wiring diagram taurus car club of america ford.
Find car audio and electronic upgrades that fit your 2003 ford taurus. The stereo wiring diagram, for a ford e1 50, can be obtained from most ford dealerships. Green/black car radio accessory switched 12v+ wire: Somethig that will show which wires are for front and rear speakers, and the remote start wire.
Browse around 10000+ circuit diagram, wiring diagram and schematic diagram. Fuse panel layout diagram parts: Black/pink car radio ground try 2004 ford taurus wiring diagram google search. If you do so, you.
Find all information regarding ford stereo wiring diagrams in this section. This video demonstrates the ford taurus complete wiring diagrams and details of the wiring harness. 2003 ford taurus misfiring i need a wire/plug diagram. The list of ford stereo wiring diagrams that were displayed here will be described in details in the link on every ford years and series as mentioned below.
Chevy s10 stereo wiring diagram arcnx. Ford taurus car stereo removal and replacement. The fuel pump on a 2003 ford taurus is replaced by lowering the gas tank, disconnecting the fuel lines, removing the wiring harness, and lifting the pump out of the tank. All of the diagrams i've seen online are missing a few of the what is the radio wiring diagram for my 1991 ford taurus im trying to put in a aftermarket cd player and it wont work but i cut the connection to the.
Left front speaker positive wire (+): The following information is currently not available: 800 x 600 px, source: How to ford taurus stereo wiring diagram my pro street.
Select the model diagram you need and view online. Sunday, november 27, 2005 07:45pm. Always verify all wires, wire colors and diagrams before applying any information found here to your 1999 ford taurus. Taurus wiring diagrams 1998 to 2016 stereo wiring ford taurus service repair manual ford taurus pdf online ford taurus 2000 2007 service amp repair workshop manual download pdf ford vehicles 2000 2004 all models factory service manuals free preview total 5.
2000 ford taurus car radio stereo wiring diagram car radio battery constant 12v+ wire: We researched stereo, speaker sizes and aftermarket accessories to see what will install. Rear speaker removal presently not available, bring it by. It the 2014 sho taurus it has the sony system with navigation.
The very first ford taurus had a much more friendly din setup for their stereo system, at least compared to the generations in the mid 90s. Let me know if i'm right please. Seeking info concerning 1999 ford taurus thermostat diagram? 6 1/2″ speakers rear speakers size:
It should be the same as the older sony systems 2010 and up. Collect all useful circuits for you. The stereo wiring diagram listed above is provided as is without any kind of warranty. Learn how to install an aftermarket stereo or head unit into your taurus using our hand ford taurus stereo wiring diagram with radio wire pinouts.
2003 ford taurus and mercury sable electrical wiring diagrams. Refer to wiring diagrams cell for schematic and connector information. 2012 chevy malibu wiring diagram trusted wiring diagrams •. Page 2 2003 taurus/sable workshop manual page 2 of 47 item part number description — panel airflow — floor console door, full vacuum position (floor console.

















