2000 Ford Mustang V6 Wiring Diagram
Start date apr 9, 2010.
2000 ford mustang v6 wiring diagram. Page 80 seating and safety restraints system wiring, the air bag system readiness light, the air bag. Click the thx for the pdf and the software! Our automotive wiring diagrams allow you to enjoy your new auto security electronics rather than spend countless hours i'm looking for wire diagrams that will allow me to install car alarm ( viper 7xxx ) on my 2010 ford mustang v6. Mustang diagrams including the fuse box and wiring schematics for the following year ford mustangs:
2015 mustang v6 & v8. This typical ignition system circuit diagram applies only to the 1997, 1997, and 1999 4.6l v8 ford f150 and f250 only. Electric cooling fan motor (circuit breaker). Also, here are the steps to use compatibility mode from windows 7:
Ford 2000 mustang owner's manual pdf download | view and download ford 2000 mustang owner's manual online. Here is an external wiring diagram for the v3.0 board. I've been having a weird issue with the high beams and i want to try to diagnose it. Tried to recharge with r134, but it doesn't.
- John Deere 48 Inch Mower Deck Belt Routing
- Ford 2000 Tractor Ignition Switch Wiring Diagram
- Ford 300 Inline 6 Carburetor Diagram
I presently have a 2000. Guess i will just have to cherry it a bit, sell it and get a 2003 (probably a gt as i cannot begin. Place the positive (+) side of new batteries down. Anyone know where i can get/download a wiring diagram for the s197 mustang?
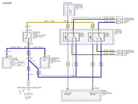
However please consider making a donation regardless the amount. The injector configuration shown is intended to promote smooth flow through the fuel rails and is one of several possible ways to wire the injectors. 1979, 1980, 1981, 1982, 1983, 1984, 1985, 1986. Fuel system wiring diagram for 2000 mustang base website 32 ford list wrg 9159 v6 fuse kr 6736 mach 460 stereo view er motor 1999 3 8l f20c box library 1967 part 1 starter 1995 9a5ed resources coil pack forums 2001 2 wire alternator pigtail at stangnet fuel system wiring diagram for 2000.
Ford mustang) chevy, plymouth, mercury, oem. It will give you everything you need to fix the problem. Ford motor company 2000 ford mustang owner's guide. Because they wont get hooked up with an aftermarket stereo if you use that harness.
Aftermarket part reviews, general discussion about muscle cars. Donations are welcome but not mandatory! Every little bit helps keep us running and adding more. 2000 ford mustang wiring diagrams manual oem.
1996 ford mustang electrical troubleshooting manual wiring diagram book. They show the fuse locations, sizes, and descriptions. Here is a diagram of the of the electronics for the system ac in 1996 ford mustang w/3.8l v6 not running. Find solutions to your 1998 ford mustang wiring diagram question.
Free 2005 ford mustang owners manual gt base sport 2door coupe counvertible v8 v6 oem (fits: Savesave 1967 mustang wiring diagram manual for later. And what wires are on the j3? I have a ford mustang, 2000 v6 standard audio, and i have a new radio to put in, i took out the cd player and old radio and now there are some wires that i don't know what the colors go to what ?
I just want a free wiring diagram of anyone has it. These diagrams are for the 2015, 2016, and 2017 ford mustang. Useful guide for car restorers, fans and owners of one the greatest symbols in automotive industry: The following tutorials will help you with test the ignition coil packs:
Documents similar to 1967 mustang wiring diagram manual. V2.2 wiring is identical except that you will connect the msd white wire to pin 25 instead of 36. Start date oct 5, 2015. How to test the 2 coil packs.
Can you list an alarm diagram for a 2000 ford expedition… Ignition coil packs, ckp sensor, and cam sensor circuits. The diagrams online don't match the wires in my car , so i don't know what to do. Now if only i could find the wiring diagrams.
Mustang wiring, fuel injection, and eec information, use the information at your own risk. 2000 mustang automobile pdf manual 2. 2016 ruby red ecoboost, manual, performance package, 201a, navigation, enhanced security, and reverse sensors.
















