1995 Chevrolet Silverado Wiring Diagram
Chevrolet · 1 decade ago.
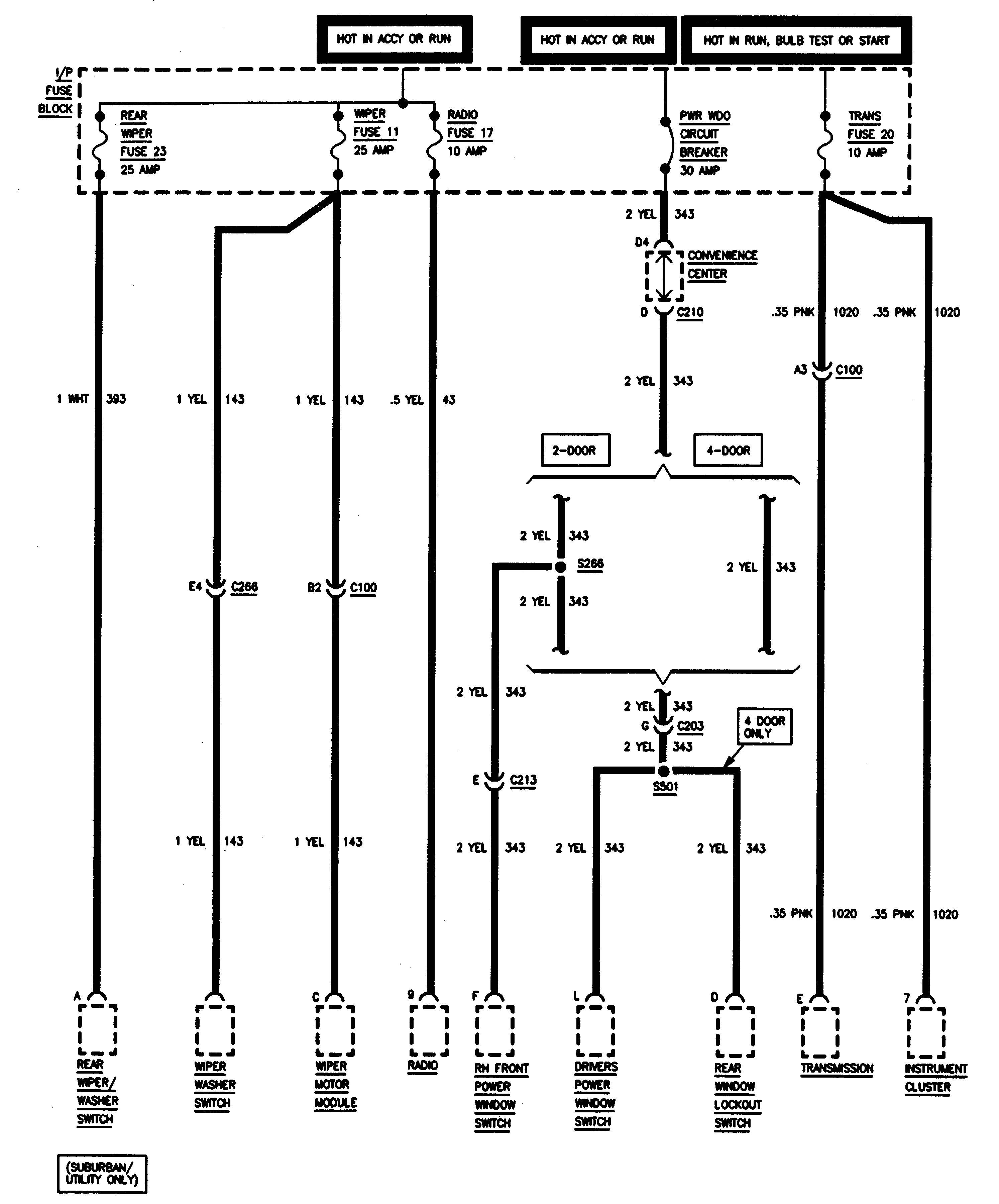
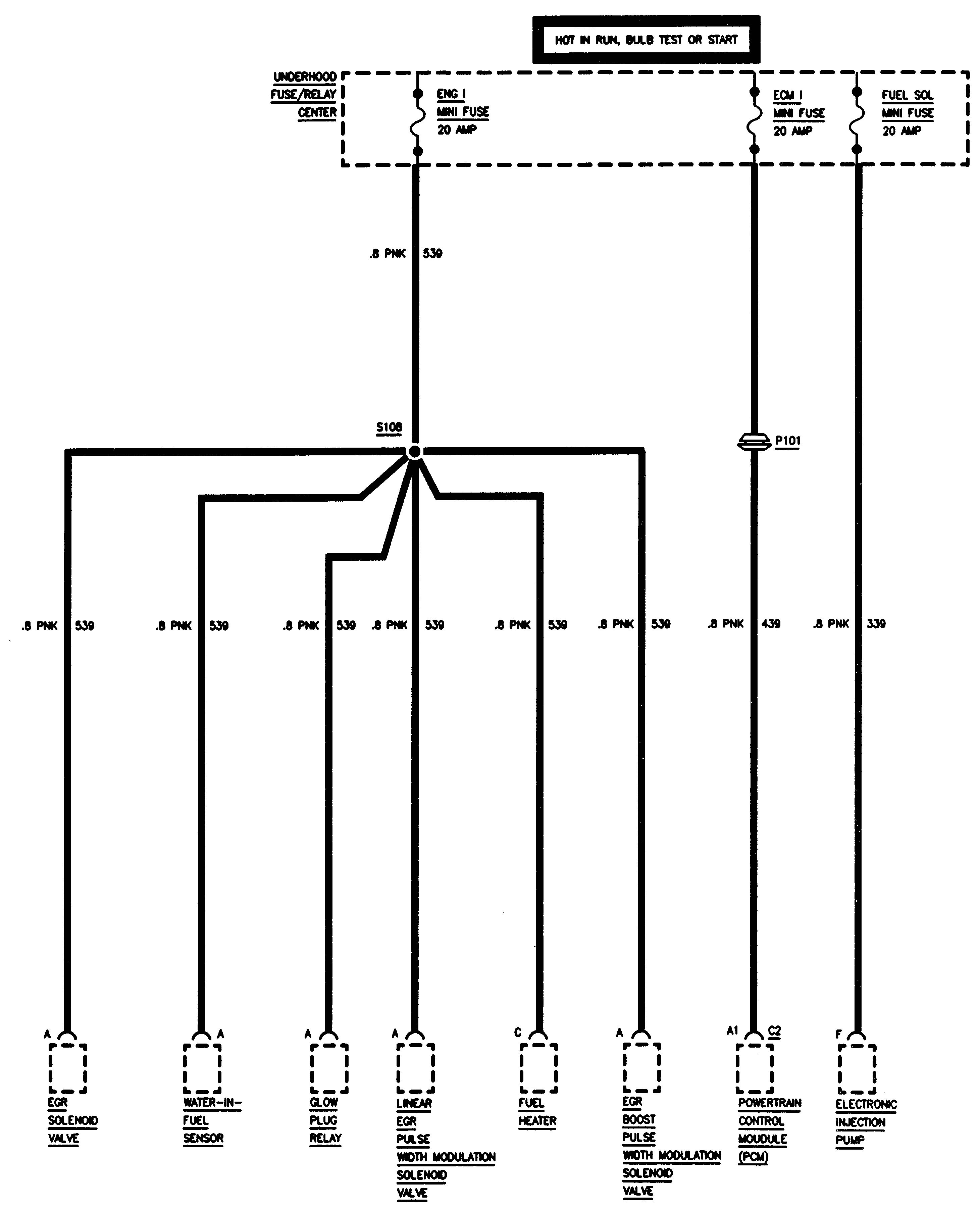
1995 chevrolet silverado wiring diagram. Wire according to the wiring diagrams on pages 22 and 23. Plug the wiring harnesses into the ecu module on the sub case as shown in figure 1, page 21. Black/white radio illumination dimmer wire: The service manual can be found at your local library.
These are also known as the c1500 or 2500 trucks, and they use a different wiring diagram to install your aftermarket stereo. Wiring diagrams, spare parts catalogue, fault codes free download. Chevrolet car radio stereo audio wiring diagram autoradio connector wire installation schematic schema esquema de conexiones stecker. A 1999 chevy silverado remote start wiring diagram and a 2001.
Introduced for the 1999 model year. Free repair manuals & wiring diagrams. Chevy truck forum | silverado sierra gmc truck forums. 1995 chevrolet astro remote starter wire guide.
- 2001 F350 Under Hood Fuse Diagram
- 2005 Dodge Ram Front Suspension Diagram
- John Deere La145 Deck Belt Diagram
Please note that some of these drawings and schematics may be duplicated with a different file name. You can find a 1999 chevrolet corvette radio wiring diagram in a corvette service manual. Need wiring diagram for 2 vehicles: Where would i get a 2001 wiring diagram for a silverado chevy truck?
1995 chevy astro wipers not working ? 1:01 grzegorz gralf 9 964 просмотра. Looking for the wiring diagram for a 1994 chevy silverado 1500 two wheel drive … read more. N/a radio antenna trigger wire:
How can i jump around the fuel pump relay? 2001 chevy silverado 1500 wiring diagram? If anyone has the diagram please contact me with it at frrstbeatty@yahoo.com thank you!! 2014 chevrolet silverado high country first look motor trend chevrolet silverado high country 2014 widescreen exotic 2014 chevy silverado high country loads up with следующее.
.radio wiring diagram free downloads 1995 toyota camry radio wiring diagram download of 1995 chevy silverado radio wiring diagram. Thank you for the wiring diagrams, very useful. Chevrolet 2010 silverado 1500 owner's manual pdf view and download chevrolet 2010 silverado 1500 owner's manual online. And would like to share them, please send to chevymanuals@yahoo.com.
Is there any place that would tell me where the ground points are on a 1990 gmc sierra? Page 298 carefully remove the wire tie the length of time the heater should that bundles the electrical plug. Chevrolet silverado service & repair manuals. Without factory air evaporator kit (561071).
The instrument panel fuse block access door is located on the driver side edge of the instrument panel. 2005 chevrolet silverado owner manual m. Orange radio ignition switched 12v+ wire: This manual covers every service and repair.
2005 chevrolet silverado car stereo radio wiring diagram radio constant 12v+ wire: Here is the location and wiring diagrams for the relay. Gm inyección electrónica s10 blazer 2.2 efi delphi multec ems pdf.pdf. Where can i find authentic chevrolet workshop manual and wiring diagrams for a 2007 impala?
Radio wiring diagram 2009 chevy silverado? The chevrolet silverado is a range of trucks manufactured by general motors under the chevrolet brand. There's two variations of the silverado from this generation, including the early models from 1999 onward. Whether your an expert chevrolet silverado c1500 mobile electronics installer, chevrolet silverado c1500 fanatic, or a novice chevrolet silverado c1500 enthusiast with a 1995 chevrolet silverado c1500, a car stereo wiring diagram can save yourself a lot of time.
Class 2 serial data radio ground wire: 1995 chevrolet s10 blazer car stereo radio wiring diagram.docx. Chevrolet tracker, chevrolet trailblazer, chevrolet traverse, chevrolet venture or chevrolet volt, our will, ask and you shall receive: Gm aire acondicionado silverado grand blazer 4 1 pdf.pdf chevrolet.
Autozone's repair guides tell you what you need. This is the very same manual that your local gm dealer technician uses in repairing/servicing your vehicle. Remain plugged in depends on the engine heater can provide do not cut the electrical cord. I will pay $9 for any information that leads to me obtaining these manuals.… read more.
General motors, gm, the gm emblem, chevrolet, the chevrolet emblem, and the name silverado are registered trademarks of general motors corporation. N/a radio amplifier trigger wire. Need to test fuel pump. Free pdf file of the 2010 chevrolet silverado on our comprehensive online database of automotive owners manuals 2010 chevy silverado 1500 owners.


















